Страница 38 - ПОДДЕРЖКА ПОТРЕБИТЕЛЕЙ И СЕРВИСНОЕ
СОДЕРЖАНИЕ 1. СВЕДЕНИЯ ПО ТЕХНИКЕ БЕЗОПАСНОСТИ...............................................39 2. УКАЗАНИЯ ПО БЕЗОПАСНОСТИ................................................................. 42 3. ОПИСАНИЕ ИЗДЕЛИЯ................................................................................... 44 4....
Страница 39 - возможностями
1. СВЕДЕНИЯ ПО ТЕХНИКЕ БЕЗОПАСНОСТИ Перед установкой и эксплуатацией прибора внимательно ознакомьтесь с приложенным руководством. Производитель не несет ответственности за какие-либо травмы или ущерб, возникший вследствие неправильной установки или эксплуатации. Всегда храните данное руководство под...
Страница 40 - Общие правила техники безопасности
• Если прибор оснащен устройством защиты от детей, его следует включить. • Очистка и доступное пользователю техническое обслуживание прибора не должно производиться детьми без присмотра. • Держите прибор и его сетевой шнур в месте, недоступном для детей младше 8 лет. 1.2 Общие правила техники безопа...
Страница 42 - УКАЗАНИЯ ПО БЕЗОПАСНОСТИ
они могут взорваться даже после завершения нагрева при помощи СВЧ. • Прибор следует регулярно чистить, а также удалять из него какие бы то ни было остатки продуктов. • Если не поддерживать прибор в чистом состоянии, это может привести к повреждению его поверхности, что, в свою очередь, может неблаго...
Страница 43 - электросети
• При перемещении прибора не тяните за его ручку. • Обеспечьте наличие минимально допустимых зазоров между соседними приборами и предметами мебели. • Убедитесь, что мебель под прибором и рядом с ним надежно закреплена. • Другие приборы или предметы мебели, находящиеся по обе стороны прибора, должны ...
Страница 44 - Панель управления
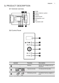
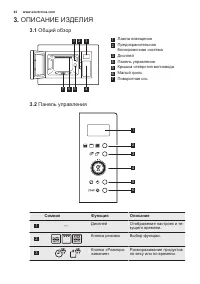
3. ОПИСАНИЕ ИЗДЕЛИЯ 3.1 Общий обзор 1 2 7 5 4 6 3 1 Лампа освещения 2 Предохранительная блокировочная система 3 Дисплей 4 Панель управления 5 Крышка отверстия волновода 6 Малый гриль 7 Поворотная ось 3.2 Панель управления 2 3 5 6 4 1 Символ Функция Описание 1 — Дисплей Отображение настроек и те‐ кущ...
Страница 45 - Комплект с вращающимся; ПЕРЕД ПЕРВЫМ ИСПОЛЬЗОВАНИЕМ
Символ Функция Описание 4 Круглый сенсор Коснитесь для включе‐ ние прибора или увеличе‐ ния времени приготовления на 30 секунд при полной мощности. Проведите круговым движе‐ нием для установки време‐ ни приготовления, веса про‐ дуктов или для запуска при‐ готовления. 5 Кнопка выбора ча‐ сов / кухонн...
Страница 46 - Установка текущего; времени; ЕЖЕДНЕВНОЕ ИСПОЛЬЗОВАНИЕ; Общие сведения по; эксплуатации прибора
• Перед первым использованием прибор следует очистить. 4.2 Установка текущего времени Для работы микроволновой печи следует задать текущее время.При первом включении прибора в сеть или при сбое электропитания на дисплее отображается «0:00» и выдается звуковой сигнал. Время можно установить в 24-часо...
Страница 48 - Включение и выключение; микроволновой печи
Кухонная посуда/материал Микроволны Гриль Размора‐ живание Нагрев Приго‐ товле‐ ние Пленка для жарки, пригодная для использования в микроволновойпечи 3) X Жарка в посуде из металла, напри‐ мер, эмалированной посуды, чугу‐ на. X X X Формы для выпечки, с черной ла‐ кировкой или покрытые силико‐ном 3) ...
Страница 49 - Таблица уровней мощности
5.3 Таблица уровней мощности Нажмите на кнопку ре‐ жима Уровень мощности Приблизительное значение мощно‐ сти в процентах 1 раз P100 100 % 2 раз P 80 80 % 3 раз P 50 50 % 4 раз P 30 30 % 5 раз P 10 10 % Малый гриль 6 раз G Большой гриль Комбинированное приготовление 7 раз C – 1 55 % СВЧ, 45 % гриль 8...
Страница 50 - приготовление; АВТОМАТИЧЕСКИЕ ПРОГРАММЫ; программы
3. Нажмите на для подтверждения и включения микроволновой печи. 5.6 Многоэтапное приготовление Если одним из этапов является размораживание, задайте его первым этапом. Приготовление продуктов может вестись максимум в 2 этапа.Приготовьте все замороженные продукты в 2 этапа. 1. Нажмите на , чтобы вклю...
Страница 51 - ИСПОЛЬЗОВАНИЕ ДОПОЛНИТЕЛЬНЫХ; ПРИНАДЛЕЖНОСТЕЙ; Установка комплекта с; вращающимся поддоном; Установка подставки для; гриля
Меню Количество A - 3 Овощи 200 г 300 г 400 г A - 4 Паста 50 г (добавьте 450 мл воды) 100 г (добавьте 800 мл воды) A - 5 Картофель 200 г 400 г 600 г A - 6 Рыба 250 г 350 г 450 г A - 7 Напитки 1 чашка (120 мл) 2 чашки (240 мл) 3 чашки (360 мл) A - 8 Попкорн 50 г 100 г 7. ИСПОЛЬЗОВАНИЕ ДОПОЛНИТЕЛЬНЫХ ...
Страница 52 - ДОПОЛНИТЕЛЬНЫЕ ФУНКЦИИ; Функция «Защита от; детей»; Рекомендации по использованию режима микроволновой; обработки
8. ДОПОЛНИТЕЛЬНЫЕ ФУНКЦИИ 8.1 Функция «Защита от детей» Функция «Защита от детей» предотвращает случайное включение микроволновой печи. Нажмите и удерживайте в течение 3 секунд. Прозвучит звуковой сигнал. При включенной функции «Защита от детей» на дисплее отображается . Для выключения функции «Защи...
Страница 54 - примечания по очистке; ПОИСК И УСТРАНЕНИЕ НЕИСПРАВНОСТЕЙ
10. УХОД И ОЧИСТКА ВНИМАНИЕ! См. Главы, содержащие Сведения по технике безопасности. 10.1 Рекомендации и примечания по очистке • Переднюю часть прибора протирайте мягкой тканью, смоченной в теплой воде с моющим средством. • Для очистки металлических поверхностей используйте обычное чистящее средство...
Страница 55 - обращения в сервис-центр; Общая информация
Неисправность Возможная причина Решение На дисплее отоб‐ражается . Функция «Защита от детей» включена. Отключите функцию «Защи‐ та от детей». Нажмите на на три секунды. В камере прибора видны искры. Используется металличе‐ ская посуда или посуда с металлической окантовкой. Выньте блюдо из прибора. В...
Страница 57 - ОХРАНА ОКРУЖАЮЩЕЙ СРЕДЫ
= = A 3. Произведите установку микроволновой печи. Если вы установили скобу, убедитесь, что она входит в зацепление с задней частью прибора. 4. Откройте дверцу и закрепите прибор внутри мебели при помощи самореза (B). B 13. ОХРАНА ОКРУЖАЮЩЕЙ СРЕДЫ Материалы с символом следует сдавать на переработку....