Страница 2 - ПЕРЕД УСТАНОВКОЙ И ЭКСПЛУАТАЦИЕЙ КОМПРЕССОРА; УСТАНОВКА И ЭКСПЛУАТАЦИЯ
ПРОМЫШЛЕННЫЕ ВИНТОВЫЕ КОМПРЕССОРЫ СЕРИИ DIAMOND (DMD) (2.2-22 кВт) ПЕРЕД УСТАНОВКОЙ И ЭКСПЛУАТАЦИЕЙ КОМПРЕССОРА ВНИМАТЕЛЬНО ИЗУЧИТЕ ДАННОЕ РУКОВОДСТВО УСТАНОВКА И ЭКСПЛУАТАЦИЯ DMD DMD VST РУКОВОДСТВО ПОЛЬЗОВАТЕЛЯ 1 DMD-UM-2013-A №: 909002-E-A
Страница 3 - ОГЛАВЛЕНИЕ; ТАБЛИЦЫ; ПОРЯДОК ЗАКАЗА КОМПЛЕКТУЮЩИХ; ЗАПЧАСТИ СМ. ТАКЖЕ НА ЧЕРТЕЖАХ И В СПИСКАХ ЗАПЧАСТЕЙ.
ОГЛАВЛЕНИЕ 1.РАЗДЕЛ ПРАВИЛА ТЕХНИКИ БЕЗОПАСНОСТИ 1.1 ВВЕДЕНИЕ..................................................................................................................... ................................................ 1 1.2 МЕРЫ ЛИЧНОЙ ЗАЩИТЫ...................................................
Страница 4 - ВВЕДЕНИЕ; используйте горючие или взрывчатые вещества для очистки.
ВВЕДЕНИЕ УВАЖАЕМЫЙ ПОЛЬЗОВАТЕЛЬ КОМПРЕССОРА EKOMAK Приобретенный компрессор является результатом многолетнего опыта с применением новейших технологий и произведен в соответствии с техническими стандартами. Он практически безотказен, эффективен и надежен при соблюдении правил эксплуатации. основное в...
Страница 5 - ТЕХНИКА БЕЗОПАСНОСТИ
1 1.1 ОБЩИЕ ПОЛОЖЕНИЯ Корпорация EKOMAK и ее дочерние компании производят свою продукцию в расчете на безопасную работу. Однако безопасность работы устройства зависит от надлежащего обслуживания. Соблюдение требований, приведенных в данном руководстве, позволит снизить вероятность отказов в течение ...
Страница 7 - комнатной; РАБОЧИЙ ВОЗДУХОВОД; Опасность смертельного поражения электротоком.
3 2.1 РАЗМЕЩЕНИЕ КОМПРЕССОРА На Рисунке 2.1 показана правильная компрессорная. Если компрессор серии DMD установлен на баке, см. Рисунок 3.2. Подключить компрессор к воздушной системе с помощью гибких труб – см. инструкции изготовителей труб. Рисунок 2.1: УСТАНОВКА Компрессор рассчитан на работу в з...
Страница 9 - ТЕХНИЧЕСКИЕ ХАРАКТЕРИСТИКИ
5 3.1 ТЕХНИЧЕСКИЕ ХАРАКТЕРИСТИКИ ТИП КОМПРЕССОРА : ……………………………………….. СЕРИЙНЫЙ НОМЕР : ……………………………………….. МАКС. РАБОЧЕЕ ДАВЛЕНИЕ : 7 бар 8 бар 10 бар 13 бар ПРОИЗВОДИТЕЛЬНОСТЬ : ..................... м³/мин. СИСТЕМА : звезда/треугольник регулятор частот ТИП ГОЛОВКИ : .....................................
Страница 11 - ЭТОТ ПОТОК; ОПИСАНИЕ СИСТЕМЫ ВОЗДУХОЗАБОРА; СИСТЕМЫ КОМПРЕССОРА
7 4.1 ВВЕДЕНИЕ Компрессоры высокой мощности EKOMAK имеют высокую надежность и минимальными требованиями по обслуживанию. 4.2 ОПИСАНИЕ КОМПОНЕНТОВ Компрессор состоит из компрессорного блока, электродвигателя, стартера, системы впуска воздуха, системы выпуска сжатого воздуха, системы разделения масла ...
Страница 12 - ТЕХНИЧЕСКОЕ ОБСЛУЖИВАНИЕ
8 5.1 ОБЩАЯ ИНФОРМАЦИЯ ВНИМАНИЕ! Прежде чем приступить к обслуживанию, отключите питание компрессора. Закройте выходной клапан, спустите давление в шлангах компрессора и выходных линиях. При обслуживании компрессора и отсоединении детали от компрессора кнопка аварийного останова блокируется. Прежде ...
Страница 13 - ЗАМЕНА ДЕТАЛЕЙ И ПОРЯДОК НАСТРОЙКИ; A – ЗАМЕНА ПАТРОНА МАСЛЯНОГО ФИЛЬТРА; НЕ; C - ПРОВЕРКА ПАТРОНА ВОЗДУШНОГО ФИЛЬТРА; ОБСЛУЖИВАНИЕ ЛИНИИ ВОЗВРАТА МАСЛА:
9 5.6 ПРОВЕРКА МАСЛЯНОГО СЕПАРАТОРА 1. Меняйте патрон сепаратора раз в год или через каждые 6 месяцев или 2000 часов работы (смотря что наступит быстрее). 2. Если перепад давления перед и после сепаратора превышает 1,5 бар, замените патрон. Конструкция и принцип работы этого фильтра не позволяет про...
Страница 14 - F – НАСТРОЙКА СИСТЕМЫ УПРАВЛЕНИЯ; РЕЛЕ ДАВЛЕНИЯ – ЭТО ЧУВСТВИТЕЛЬНЫЙ; G- ЗАМЕНА РЕМНЯ И КОРРЕКТИРОВКА НАТЯЖЕНИЯ; необходима
10 F – НАСТРОЙКА СИСТЕМЫ УПРАВЛЕНИЯ (См. Рис. 5.4) Перед настройкой системы управления необходимо определить нужный диапазон рабочего давления и максимальное давление компрессора. Давление не должно превышать максимальное рабочее давление, указанное на фирменной табличке компрессора. Практически зак...
Страница 15 - ТЕХНИЧЕСКОЕ ОБСЛУЖИВАНИЕ ТРЕХФАЗНОГО ДВИГАТЕЛЯ; ХАРАКТЕРИСТИКИ ПРИМЕНЕНИЯ СОСТАВА LOCTITE *; ЦВЕТ; Несъемные соединения.; КРАСНЫЙ; Соединения диаметром 3⁄4 дюйма.; ЖЕЛТЫЙ; Соединения диаметром БОЛЕЕ 3⁄4 дюйма
11 5.8.A ТЕХНИЧЕСКОЕ ОБСЛУЖИВАНИЕ ТРЕХФАЗНОГО ДВИГАТЕЛЯ 1. Если двигатель не использовался долгое время, то до начала работы нужно выполнить следующие операции. Осмотрите подшипники и при необходимости обновите смазку. 2. Во время работы двигателя на номинальном напряжении и с номинальным выходом по...
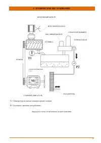
Страница 16 - СХЕМА ТРУБОПРОВОДА И ОБОРУДОВАНИЯ; ÖLRÜCKLEITUNG
12 T1: Температура на выходе компрессорной головки P2: Системное давление (потребление) Рисунок 5.6: СХЕМА ТРУБОПРОВОДА И ОБОРУДОВАНИЯ 5. ТЕХНИЧЕСКОЕ ОБСЛУЖИВАНИЕ HAUPTMOTOR KÜHLER ÖLBEHÄLTER VERDICHTER STUFE THERMOVENTIL ANSAUGREGLER ÖLFILTER T1 P2 M1 ÖLRÜCKLEITUNG ÖFFNUNG ГЛАВНЫЙ ДВИГАТЕЛЬ ОХЛАДИТ...
Страница 17 - Периодические проверки; Компонент системы; Периодическое обслуживание компонентов системы:; Компонент
13 5.9 КОНТРОЛЬ И ОБСЛУЖИВАНИЕ КОМПРЕССОРОВ С ИНВЕРТОРОМ СЕРИИ VST Ежедневная проверка : Проверьте следующие параметры во время работы системы . 1. Издает ли двигатель нехарактерный шум или вибрации во время работы? 2. Нормальна ли рабочая температура? 3. Не слишком ли высока температура помещения? ...
Страница 18 - УСТРАНЕНИЕ НЕИСПРАВНОСТЕЙ; НЕИСПРАВНОСТЬ
14 6. УСТРАНЕНИЕ НЕИСПРАВНОСТЕЙ 6.1 ВВЕДЕНИЕ Информация о дефектах получена в ходе обслуживания или заводских испытаний и подготовлена на основании практических данных. В данной таблице представлены признаки и причины неполадок. НЕ СЛЕДУЕТ предполагать, что это единственные неполадки, которые могут ...
Страница 19 - Отказ входного клапана.; Компрессор
15 6. УСТРАНЕНИЕ НЕИСПРАВНОСТЕЙ НЕИСПРАВНОСТЬ ПРИЧИНА РЕШЕНИЕ 3 Компрессор не наращивает давление и не работает под нагрузкой A Компрессор не переходит в режим звезда-треугольник ( Ошибка двигателя Пуск в режиме звезда-треугольник ) Если компрессор оснащен стандартной панелью управления, возможен от...
Страница 20 - Низкое напряжение питания; Возможно повреждение головки
16 6. УСТРАНЕНИЕ НЕИСПРАВНОСТЕЙ НЕИСПРАВНОСТЬ ПРИЧИНА РЕШЕНИЕ 6 Чрезмерный расход или потери компрессорного масла. A Возможно засорение линии возврата масла. Когда компрессор работает с нагрузкой, проверьте прохождение масла через линию возврата. Если поток отсутствует, прочистите линии проволокой и...
Страница 21 - Заменить ремонтный комплект термоклапана.; Отказ защитного клапана.
17 6. УСТРАНЕНИЕ НЕИСПРАВНОСТЕЙ НЕИСПРАВНОСТЬ ПРИЧИНА РЕШЕНИЕ 10 ОСТАНОВ КОМПРЕССОРА В СВЯЗИ С ПЕРЕГРЕВОМ . A Возможно повреждение контактного термометра или датчика температуры. Проверить настройки обоих компонентов, при необходимости исправить или заменить компоненты. B Слишком высокая температура...
Страница 24 - ВО ИЗБЕЖАНИЕ СПАДА НАПРЯЖЕНИЯ; КАБЕЛЬ НЕ ДОЛЖЕН ИМЕТЬ НИКАКИХ ПОВРЕЖДЕНИЙ
20 7. ТАБЛИЦЫ 7.1 ТАБЛИЦЫ ДЛЯ КАБЕЛЕЙ, ПРЕДОХРАНИТЕЛЕЙ И АВТОМАТОВ ЗАЩИТЫ КАБЕЛИ И ТЕПЛОВЫЕ РЕЛЕ ЗАЩИТЫ (TMS) * МОДЕЛЬ кВт / л.с. ДИАМЕТР КАБЕЛЯ АВТОМАТ ЗАЩИТЫ, тип «Д» DMD 30 C, CR 2.2 / 3 4 x 4 мм 2 16 A DMD 30 CRD 2.2 / 3 4x4 мм 2 +1,5 мм 2 (N) 16 A DMD 40 C, CR 3 / 4 4 x 4 мм 2 16 A DMD 40 CRD 3...
Страница 25 - ОПЕРАЦИИ ОБСЛУЖИВАНИЯ; РЕКОМЕНДУЕМЫЙ ЗАПАС КОМПЛЕКТУЮЩИХ
21 7. ТАБЛИЦЫ 7.2 ИНТЕРВАЛ ОБСЛУЖИВАНИЯ И ЗАПЧАСТИ КОМПРЕССОР EKOMAK – СЕРИЯ DMD ИНТЕРВАЛ ОБСЛУЖИВАНИЯ И ЗАПЧАСТИ 1 0 0 0 ч ас ов 2 0 0 0 ч ас ов ил и 6 м ес яце в 3 0 0 0 ч ас ов 4 0 0 0 ч ас ов 5 0 0 0 ч ас ов 6 0 0 0 ч ас ов 7 0 0 0 ч ас ов 8 0 0 0 ч ас ов ил и 1 го д 9 0 0 0 ч ас ов 1 0 0 0 0 ч ...
Страница 26 - EKOMAK GmbH; РОССИЯ; ООО «ЭКОМАК Индастриал»; ПОРЯДОК ЗАКАЗА КОМПЛЕКТУЮЩИХ
22 Заказывайте запчасти EKOMAK только у дистрибьюторов, у которых был приобретен компрессор. Позиции списка запчастей EKOMAK призваны увеличить срок службы компрессоров. Использование компонентов, не признанных фирмой EKOMAK, может представлять эксплуатационные риски, за которые фирма EKOMAK не несе...
Страница 27 - ФОРМУЛЯР ТЕХНИЧЕСКОГО ОБСЛУЖИВАНИЯ
23 ФОРМУЛЯР ТЕХНИЧЕСКОГО ОБСЛУЖИВАНИЯ ТЕХНИЧЕСКОЕ ОБСЛУЖИВАНИЕ - ДОКУМЕНТАЦИЯ ДАТА ЧАСЫ РАБОТЫ ТИП ОБСЛУЖИВАНИЯ РАБОТУ ВЫПОЛНИЛ РАБОТУ ПРОВЕРИЛ