EKOMAK DMD 100 C 10 бар - инструкции и руководства

model-name

Компрессор EKOMAK DMD 100 C 10 бар - инструкции пользователя по применению, эксплуатации и установке на русском языке читайте онлайн в формате pdf

1 Page 1
2 Page 2
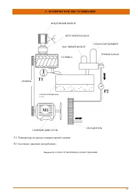
3 Page 3
4 Page 4
5 Page 5
6 Page 6
7 Page 7
8 Page 8
9 Page 9
10 Page 10
11 Page 11
12 Page 12
13 Page 13
14 Page 14
15 Page 15
16 Page 16
17 Page 17
18 Page 18
19 Page 19
20 Page 20
21 Page 21
22 Page 22
23 Page 23
24 Page 24
25 Page 25
26 Page 26
27 Page 27

Краткое содержание

Страница 2 - ПЕРЕД УСТАНОВКОЙ И ЭКСПЛУАТАЦИЕЙ КОМПРЕССОРА; УСТАНОВКА И ЭКСПЛУАТАЦИЯ

ПРОМЫШЛЕННЫЕ ВИНТОВЫЕ КОМПРЕССОРЫ СЕРИИ DIAMOND (DMD) (2.2-22 кВт) ПЕРЕД УСТАНОВКОЙ И ЭКСПЛУАТАЦИЕЙ КОМПРЕССОРА ВНИМАТЕЛЬНО ИЗУЧИТЕ ДАННОЕ РУКОВОДСТВО УСТАНОВКА И ЭКСПЛУАТАЦИЯ DMD DMD VST РУКОВОДСТВО ПОЛЬЗОВАТЕЛЯ 1 DMD-UM-2013-A №: 909002-E-A

Страница 3 - ОГЛАВЛЕНИЕ; ТАБЛИЦЫ; ПОРЯДОК ЗАКАЗА КОМПЛЕКТУЮЩИХ; ЗАПЧАСТИ СМ. ТАКЖЕ НА ЧЕРТЕЖАХ И В СПИСКАХ ЗАПЧАСТЕЙ.

ОГЛАВЛЕНИЕ 1.РАЗДЕЛ ПРАВИЛА ТЕХНИКИ БЕЗОПАСНОСТИ 1.1 ВВЕДЕНИЕ..................................................................................................................... ................................................ 1 1.2 МЕРЫ ЛИЧНОЙ ЗАЩИТЫ...................................................

Страница 4 - ВВЕДЕНИЕ; используйте горючие или взрывчатые вещества для очистки.

ВВЕДЕНИЕ УВАЖАЕМЫЙ ПОЛЬЗОВАТЕЛЬ КОМПРЕССОРА EKOMAK Приобретенный компрессор является результатом многолетнего опыта с применением новейших технологий и произведен в соответствии с техническими стандартами. Он практически безотказен, эффективен и надежен при соблюдении правил эксплуатации. основное в...

EKOMAK Компрессоры Инструкции