EKOMAK DMD 55 CRD 13 бар - Инструкция по эксплуатации

EKOMAK DMD 55 CRD 13 бар

Компрессор EKOMAK DMD 55 CRD 13 бар - инструкция пользователя по применению, эксплуатации и установке на русском языке. Мы надеемся, она поможет вам решить возникшие у вас вопросы при эксплуатации техники.

Если остались дополнительные вопросы — свяжитесь с нами через контактную форму.

1 Страница 1
2 Страница 2
3 Страница 3
4 Страница 4
5 Страница 5
6 Страница 6
7 Страница 7
8 Страница 8
9 Страница 9
10 Страница 10
11 Страница 11
12 Страница 12
13 Страница 13
14 Страница 14
15 Страница 15
16 Страница 16
17 Страница 17
18 Страница 18
19 Страница 19
20 Страница 20
21 Страница 21
22 Страница 22
23 Страница 23
24 Страница 24
25 Страница 25
26 Страница 26
27 Страница 27
Страница: / 27

Содержание:

  • Страница 2 – ПЕРЕД УСТАНОВКОЙ И ЭКСПЛУАТАЦИЕЙ КОМПРЕССОРА; УСТАНОВКА И ЭКСПЛУАТАЦИЯ
  • Страница 3 – ОГЛАВЛЕНИЕ; ТАБЛИЦЫ; ПОРЯДОК ЗАКАЗА КОМПЛЕКТУЮЩИХ; ЗАПЧАСТИ СМ. ТАКЖЕ НА ЧЕРТЕЖАХ И В СПИСКАХ ЗАПЧАСТЕЙ.
  • Страница 4 – ВВЕДЕНИЕ; используйте горючие или взрывчатые вещества для очистки.
  • Страница 5 – ТЕХНИКА БЕЗОПАСНОСТИ
  • Страница 7 – комнатной; РАБОЧИЙ ВОЗДУХОВОД; Опасность смертельного поражения электротоком.
  • Страница 9 – ТЕХНИЧЕСКИЕ ХАРАКТЕРИСТИКИ
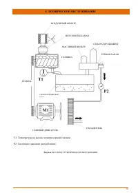
  • Страница 11 – ЭТОТ ПОТОК; ОПИСАНИЕ СИСТЕМЫ ВОЗДУХОЗАБОРА; СИСТЕМЫ КОМПРЕССОРА
  • Страница 12 – ТЕХНИЧЕСКОЕ ОБСЛУЖИВАНИЕ
  • Страница 13 – ЗАМЕНА ДЕТАЛЕЙ И ПОРЯДОК НАСТРОЙКИ; A – ЗАМЕНА ПАТРОНА МАСЛЯНОГО ФИЛЬТРА; НЕ; C - ПРОВЕРКА ПАТРОНА ВОЗДУШНОГО ФИЛЬТРА; ОБСЛУЖИВАНИЕ ЛИНИИ ВОЗВРАТА МАСЛА:
  • Страница 14 – F – НАСТРОЙКА СИСТЕМЫ УПРАВЛЕНИЯ; РЕЛЕ ДАВЛЕНИЯ – ЭТО ЧУВСТВИТЕЛЬНЫЙ; G- ЗАМЕНА РЕМНЯ И КОРРЕКТИРОВКА НАТЯЖЕНИЯ; необходима
  • Страница 15 – ТЕХНИЧЕСКОЕ ОБСЛУЖИВАНИЕ ТРЕХФАЗНОГО ДВИГАТЕЛЯ; ХАРАКТЕРИСТИКИ ПРИМЕНЕНИЯ СОСТАВА LOCTITE *; ЦВЕТ; Несъемные соединения.; КРАСНЫЙ; Соединения диаметром 3⁄4 дюйма.; ЖЕЛТЫЙ; Соединения диаметром БОЛЕЕ 3⁄4 дюйма
  • Страница 16 – СХЕМА ТРУБОПРОВОДА И ОБОРУДОВАНИЯ; ÖLRÜCKLEITUNG
  • Страница 17 – Периодические проверки; Компонент системы; Периодическое обслуживание компонентов системы:; Компонент
  • Страница 18 – УСТРАНЕНИЕ НЕИСПРАВНОСТЕЙ; НЕИСПРАВНОСТЬ
  • Страница 19 – Отказ входного клапана.; Компрессор
  • Страница 20 – Низкое напряжение питания; Возможно повреждение головки
  • Страница 21 – Заменить ремонтный комплект термоклапана.; Отказ защитного клапана.
  • Страница 24 – ВО ИЗБЕЖАНИЕ СПАДА НАПРЯЖЕНИЯ; КАБЕЛЬ НЕ ДОЛЖЕН ИМЕТЬ НИКАКИХ ПОВРЕЖДЕНИЙ
  • Страница 25 – ОПЕРАЦИИ ОБСЛУЖИВАНИЯ; РЕКОМЕНДУЕМЫЙ ЗАПАС КОМПЛЕКТУЮЩИХ
  • Страница 26 – EKOMAK GmbH; РОССИЯ; ООО «ЭКОМАК Индастриал»; ПОРЯДОК ЗАКАЗА КОМПЛЕКТУЮЩИХ
  • Страница 27 – ФОРМУЛЯР ТЕХНИЧЕСКОГО ОБСЛУЖИВАНИЯ
Загрузка инструкции

Инструкция
по эксплуатации

Воздушный винтовой компрессор EKOMAK DMD 55 CRD
13 бар

Цены на товар на сайте:

http://kompressory.vseinstrumenti.ru/vintovye/ekomak/vozdushnyj_vintovoj_kompressor_ekomak_dmd_5
5_crd_13_bar/

Отзывы и обсуждения товара на сайте:

http://kompressory.vseinstrumenti.ru/vintovye/ekomak/vozdushnyj_vintovoj_kompressor_ekomak_dmd_5
5_crd_13_bar/#tab-Responses

"Загрузка инструкции" означает, что нужно подождать пока файл загрузится и можно будет его читать онлайн. Некоторые инструкции очень большие и время их появления зависит от вашей скорости интернета.

Краткое содержание

Страница 2 - ПЕРЕД УСТАНОВКОЙ И ЭКСПЛУАТАЦИЕЙ КОМПРЕССОРА; УСТАНОВКА И ЭКСПЛУАТАЦИЯ

ПРОМЫШЛЕННЫЕ ВИНТОВЫЕ КОМПРЕССОРЫ СЕРИИ DIAMOND (DMD) (2.2-22 кВт) ПЕРЕД УСТАНОВКОЙ И ЭКСПЛУАТАЦИЕЙ КОМПРЕССОРА ВНИМАТЕЛЬНО ИЗУЧИТЕ ДАННОЕ РУКОВОДСТВО УСТАНОВКА И ЭКСПЛУАТАЦИЯ DMD DMD VST РУКОВОДСТВО ПОЛЬЗОВАТЕЛЯ 1 DMD-UM-2013-A №: 909002-E-A

Страница 3 - ОГЛАВЛЕНИЕ; ТАБЛИЦЫ; ПОРЯДОК ЗАКАЗА КОМПЛЕКТУЮЩИХ; ЗАПЧАСТИ СМ. ТАКЖЕ НА ЧЕРТЕЖАХ И В СПИСКАХ ЗАПЧАСТЕЙ.

ОГЛАВЛЕНИЕ 1.РАЗДЕЛ ПРАВИЛА ТЕХНИКИ БЕЗОПАСНОСТИ 1.1 ВВЕДЕНИЕ..................................................................................................................... ................................................ 1 1.2 МЕРЫ ЛИЧНОЙ ЗАЩИТЫ...................................................

Страница 4 - ВВЕДЕНИЕ; используйте горючие или взрывчатые вещества для очистки.

ВВЕДЕНИЕ УВАЖАЕМЫЙ ПОЛЬЗОВАТЕЛЬ КОМПРЕССОРА EKOMAK Приобретенный компрессор является результатом многолетнего опыта с применением новейших технологий и произведен в соответствии с техническими стандартами. Он практически безотказен, эффективен и надежен при соблюдении правил эксплуатации. основное в...

Характеристики

Другие модели - Компрессоры EKOMAK

Все компрессоры EKOMAK