Духовые шкафы Cata MDS 7206 BK - инструкция пользователя по применению, эксплуатации и установке на русском языке. Мы надеемся, она поможет вам решить возникшие у вас вопросы при эксплуатации техники.
Если остались вопросы, задайте их в комментариях после инструкции.
"Загружаем инструкцию", означает, что нужно подождать пока файл загрузится и можно будет его читать онлайн. Некоторые инструкции очень большие и время их появления зависит от вашей скорости интернета.

12
Установка / монтаж
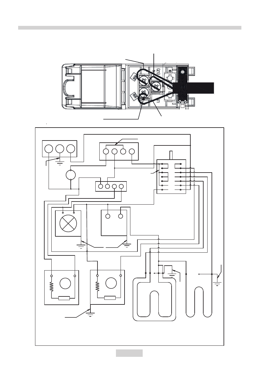
Электропитание
Коричневый
Винт
M4x6
3 шт.
Желто-зеленый
Голубой
M
THERMOPROTECTOR
P1
P1
P2
P3
P4
P5
P6
1
2
3
4
5
6
GRILL
A
D
L
N
C
1
M
THERMOPROTECTOR
L
N
1
2
3
L
1A
N
1
orange (1x1.50 mm
2
)
red (1x1.50 mm
2
)
green (1x1.50 mm
2
)
brown (1x1.00 mm
2
)
wh!te (1x1.00 mm
2
)
DIGITAL
TIMER
OT2100
red (1x1.50 mm
2
)
brown (1x1.50 mm
2
)
orange (1x1.50 mm
2
)
blue (1x1.50 mm
2
)
brown
(1x1.50 mm
2
)
yellow (1x1.50 mm
2
)
yellow-green (1x1.50 mm
2
)
yellow-green (1x1.50 mm
2
)
orange (1x1.50 mm
2
)
TURBO FAN
TOP RES.
BOTTOM
RES.
INTERNAL
LAMP
THERMOSTAT
ROTARY
SWITCH
COOLING FAN
SUPPLY
yellow-green (1x1.50 mm
2
)
yellow-green (1x1.50 mm
2
)
yellow (1x1.50 mm
2
)
NC 110°C
LIMIT
THER
MOSTAT
blue (1x1.50 mm
2
)
blue (1x1.50 mm
2
)
blue (1x1.50 mm
2
)
yellow-green
(1x1.50 mm
2
)
blue (1x1.50 mm
2
)
L
L!n
N
No
Coolıng
Control
Card
brown (1x1.50 mm
2
)
red (1x1.00 mm
2
)
black (1x1.00 mm
2
)
Содержание
- 3 СОДЕРЖАНИЕ
- 4 Инструкции по технике безопасности.
- 7 Описание устройства; Количество функций
- 8 руководство по
- 11 Электропитание
- 12 TURBO FAN; BOTTOM; SUPPLY
- 13 ЧТО ДЕЛАТЬ ПРИ ПЕРВОЙ ЭКСПЛУАТАЦИИ УСТРОЙСТВА; Установите температуру на максимальный уровень.
- 14 Устройство; Проволочные н
- 15 Аксессуары для духового шкафа; Очистите принадлежности духовки; Глубоки противень; направляющих; Телескопическая направляющая
- 16 Программатор; - Знак автоматического приготовления; Настройка часов; «00.00» отображается на экране, когда прибор подключен к источнику
- 17 Вы не можете использовать функции духовки без установки часов.; Изменение звукового сигнала; Нажимайте кнопки «+» / «-» на экране одновременно в течение 2 или 3 секунд; Блокировка; настроек, сделанных пользователем на дисплее духовки.
- 18 Таймер звукового сигнала; его к времени, установленному для таймера приготовления.
- 19 Отключение таймера; звукового сигнала; Эксплуатация в ручном режиме; ИСПОЛЬЗОВАНИЕ УСТРОЙСТВА
- 20 ИСПОЛЬЗОВАНИЕ ТЕЛЕСКОПИЧЕСКИХ; Снятие телескопических направляющих; Чтобы снять телескопическую
- 21 Вставка телескопических направляющих; Не мойте телескопические
- 22 Использование; Поместите противень на; Использование гриль-решетки; Поместите гриль-решетку на
- 23 ЧИСТКА И ОБСЛУЖИВАНИЕ ПРИБОРА; Перед первым использованием; Снимите упаковку, очистите; Общая чистка; Aquasmart
- 24 Не используйте духовой шкаф; Чистка боковых стенок духовки; Снимите противни и гриль-решетку; Снимите
- 25 Снятие дверцы духовки; Рис
- 26 Чистка стекла духового шкафа
- 27 Чтобы установить стекло; Уплотнитель двери духовки
- 28 Замена сетевого шнура питания
- 29 Объяснение основных функций; Функция
- 30 Выпечка; устойчивы к высоким температурам
- 31 Готовка в духовом шкафу - практические советы; мин
- 32 Тип блюда; Тип нагрева Температура; предварительного разогрева; пирожные
- 33 Гриль
- 34 ЭКСПЛУАТАЦИЯ В СЛУЧАЕ ЧРЕЗВЫЧАЙНОЙ СИТУАЦИИ; В случае возникновения чрезвычайной ситуации (поломки) вы должны:
- 35 Основная информация; Certificate of compliance CE; Declaration of Conformity
Характеристики
Остались вопросы?Не нашли свой ответ в руководстве или возникли другие проблемы? Задайте свой вопрос в форме ниже с подробным описанием вашей ситуации, чтобы другие люди и специалисты смогли дать на него ответ. Если вы знаете как решить проблему другого человека, пожалуйста, подскажите ему :)