Духовые шкафы Candy FLG 201 N (W) - инструкция пользователя по применению, эксплуатации и установке на русском языке. Мы надеемся, она поможет вам решить возникшие у вас вопросы при эксплуатации техники.
Если остались вопросы, задайте их в комментариях после инструкции.
"Загружаем инструкцию", означает, что нужно подождать пока файл загрузится и можно будет его читать онлайн. Некоторые инструкции очень большие и время их появления зависит от вашей скорости интернета.

24
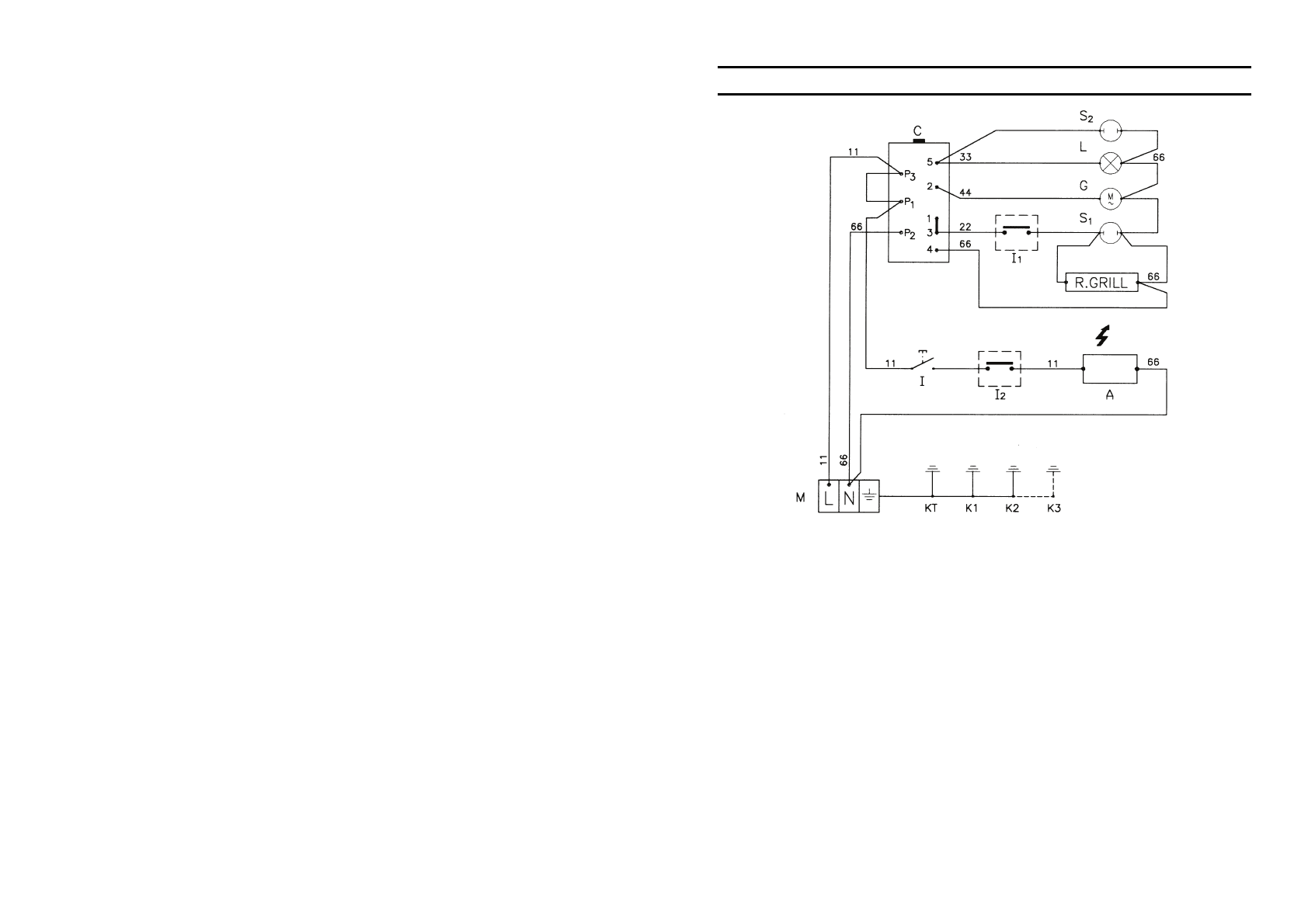
ЭЛЕКТРОСХЕМА
ДУХОВКИ
провода
:
S1
-
индикатор
гриля
00
-
черный
S2
-
индикатор
«
вкл
/
выкл
»
11
-
коричневый
L
-
освещение
духовки
22
-
красный
C
-
коммутатор
33
-
белый
G
-
мотор
вертела
44
-
желтый
A
-
электроподжигание
55
-
зеленый
I
-
выключатель
зажигания
66
-
голубой
I
1
-
выключатель
ТЭНа
гриля
45
-
желто
-
зеленый
I
2
-
выключатель
зажигания
M
-
клеммник
КТ
-
провод
заземления
шасси
К
1
-
провод
заземления
вертела
К
2
-
провод
заземления
освещения
К
3
-
провод
заземления
гриля
Фирма
-
изготовитель
не
несет
никакой
ответственности
за
ошибки
печати
,
содержащиеся
в
данных
инструкциях
,
и
оставляет
за
собой
право
улучшения
качества
собственных
изделий
,
сохраняя
неиз
-
менными
основные
технические
характеристики
.
КАНДИ
ЭЛЕТТРОДОМЕСТИЧИ
Бругерио
-
Милан