Dnipro-M ДЕУ-1200 - Инструкция по эксплуатации

Dnipro-M ДЕУ-1200

Дрель Dnipro-M ДЕУ-1200 - инструкция пользователя по применению, эксплуатации и установке на русском языке. Мы надеемся, она поможет вам решить возникшие у вас вопросы при эксплуатации техники.

Если остались дополнительные вопросы — свяжитесь с нами через контактную форму.

1 Страница 1
2 Страница 2
3 Страница 3
4 Страница 4
5 Страница 5
6 Страница 6
7 Страница 7
8 Страница 8
9 Страница 9
10 Страница 10
11 Страница 11
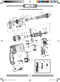
12 Страница 12
13 Страница 13
14 Страница 14
15 Страница 15
16 Страница 16
17 Страница 17
18 Страница 18
19 Страница 19
20 Страница 20
Страница: / 20
Загрузка инструкции

1

ДРИЛЬ УДАРНИЙ

ІНСТРУКЦІЯ З ЕКСПЛУАТАЦІЇ

Уважно прочитайте інструкцію перед експлуатацією даного пристрою

Служба технічної підтримки:

0-800-200-500

dnipro-m.ua

ДЕУ-1200П

ДЕУ-1200П

ДЕУ-1200

ДЕУ-1200

НАЙКРАЩЕ РІШЕННЯ ДЛЯ ВАШОЇ ОСЕЛІ

MANUAL_���-1200-1200�.indd 1

01.09.2016 15:37:58

"Загрузка инструкции" означает, что нужно подождать пока файл загрузится и можно будет его читать онлайн. Некоторые инструкции очень большие и время их появления зависит от вашей скорости интернета.

Характеристики

Другие модели - Дрели Dnipro-M