Dnipro-M ДЕУ-1000 - инструкции и руководства

Дрель Dnipro-M ДЕУ-1000 - инструкции пользователя по применению, эксплуатации и установке на русском языке читайте онлайн в формате pdf

1 Page 1
2 Page 2
3 Page 3
4 Page 4
5 Page 5
6 Page 6
7 Page 7
8 Page 8
9 Page 9
10 Page 10
11 Page 11
12 Page 12
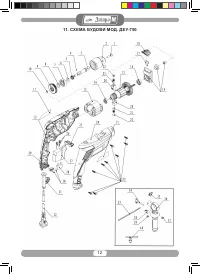
13 Page 13
14 Page 14
15 Page 15
16 Page 16