Страница 2 - СОДЕ Р Ж АН ИЕ; CROSS AIR COMPRESSOR
CROSS AIR COMPRESSOR 2 СОДЕ Р Ж АН ИЕ : Глава I. Введение. Глава II. Раздел первый: Характеристики компрессоров CROSS AIR COMPRESSOR Раздел второй: Устройство и принцип действия. 1. Устройство. 2. Описание работы. 3. Принцип работы. Глава III. Раздел первый: Требования к установке. Раздел второй: Тр...
Страница 3 - Гл ава; DD
CROSS AIR COMPRESSOR 3 Гл ава I Введение. Компрессоры предназначены для сжатия воздуха, который используется для привода станков и пневмооборудования или иных общепромышленных задач. Винтовые компрессоры оснащаются микропроцессорной системой управления A DD , которая динамически адаптируется к услов...
Страница 4 - Глава
CROSS AIR COMPRESSOR 4 Глава II 2.1. Характеристики компрессоров Cross Air Compressor серии СА. Модель Мощность, кВт Производительность, м 3 /мин Рабочее давление, мПа Размер выходного патрубка, Панель управления Модель винтового блока Габариты, мм СА5.5-8RА 5.5 0.7 0.8 RP3/4 МАМ -890 YNT46A 75 0х60...
Страница 5 - Устройство и принцип действия.; CA; Сжатие и перемещение.
CROSS AIR COMPRESSOR 5 СА132-10GA 19.0 1.0 YNE204RA СА160-8GA 160 27.0 0.8 RP2-1/2 МАМ -880 YNE226A 2500 х1 47 0х1 840 СА160-10GA 23.0 1.0 YNE204RB СА185-8GA 185 30.0 0.8 RP2-1/2 МАМ -880 YNE226B 2500 х1 47 0х1 840 СА185-10GA 27.0 1.0 YNE226A СА200-8GA 200 30.0 0.8 DN80 МАМ -880 YNE280A 3650 х1 98 0...
Страница 7 - Электрические присоединения и безопасность.
CROSS AIR COMPRESSOR 7 2). Если компрессор установлен на ферме (надстройке), чтобы устранить возможные вибрации и резонанс: установите резиновые прокладки толщиной 10 мм под компрессором . 3. Система охлаждения. См. Инструкцию. 3.3 Электрические присоединения и безопасность. Электробезопасность. 1. ...
Страница 8 - Требования по технике безопасности во время работы компрессора:; возникновения аварийной ситуации работу
CROSS AIR COMPRESSOR 8 Запрещается устанавливать компрессор: • вблизи ёмкостей с горючими газами; • ближе 3 м от уступов канав, карьеров и в других местах, где возможно оползание грунта. 9. Каждый компрессор должен быть обеспечен сборно - разборным инвентарным защитным ограждением, а компрессоры с п...
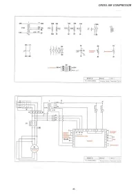
Страница 9 - Важный компонент системы. Он управляет; Воздушно; Выполняет две функции. 1 –
CROSS AIR COMPRESSOR 9 Глава IV 4.1. Технологические схемы. 4.2. Особенности работы узлов компрессора. После фильтрации воздушным фильтром воздух поступает в камеру сжатия (винтовой блок) через всасывающий клапан и смешивается со смазочным веществом. После сжатия данная смесь отправляется в специаль...
Страница 10 - давления; PLC; не меняйте настройки самостоятельно!
CROSS AIR COMPRESSOR 10 накопление смазочного вещества (масла), так предотвращается унос горячего масла на следующие этапы процесса. На боковой поверхности емкости есть индикатор уровня масла. Маслоотделитель (сепаратор). Детальную Инструкцию к данному сепаратору читайте в разделе «Смазочный процесс...
Страница 12 - Предохранительный клапан; LCD; ON
CROSS AIR COMPRESSOR 12 Клапан анализирует (сравнивает) давление в системе; два противоположных конца стержня клапана находятся под различным давлением: верхняя часть - под давлением от системы после распределительного клапана давления; нижняя часть - от воздушной емкости перед распределительным кла...
Страница 13 - RT; . Состояние и действия
CROSS AIR COMPRESSOR 13 - переход вправо или кнопка Ввода. RT – сброс или перезагрузка меню: нажмите данную кнопку, чтобы вернуться к предыдущему меню; если не получилось, нажмите эту кнопку, чтобы перезагрузить. - переход вправо или кнопка Ввода. - кнопка ручной загрузки/разгрузки: нажмите данную к...
Страница 14 - . Данные пользователя
CROSS AIR COMPRESSOR 14 • - на дисплее появятся параметры, которые нужно изменить; • При помощи кнопок или - измените данные; - измените данные (влево/право); • Кнопка «М» - сохранить изменения и выйти. C . Данные пользователя : Примечание : вы не можете делать какие - либо изменения данных, когда к...
Страница 15 - ). Параметры управления для Пользователя
CROSS AIR COMPRESSOR 15 2). Параметры управления для Пользователя (Вариант) Основное меню Второе меню Заданная величина Функции Предварительная установка давления, температуры и регулировка частоты Нижний предел давления **.** мПа При данной величине компрессор нагружается Верхний предел давления **...
Страница 16 - выключение
CROSS AIR COMPRESSOR 16 Предварительная установка способа эксплуатации Способ включение/ выключение с компрессор/ дистанционный Выбор Способ нагрузки/разгрузки автоматически При установлении ручного режим, нагрузка и разгрузка выполняется кнопкой Способ связи (управления) запрет/компьютер/сетевое со...
Страница 17 - Параметры
CROSS AIR COMPRESSOR 17 Сброс времени использования тавота (консистентной смазки) 0000 час При замене тавота сбросить время использования нового тавота (консистентной смазки)до нуля. Установка максимального времени использования Масляный фильтр 9999 часов Если установить данное время на “0000”, то п...
Страница 18 - Технические характеристики.
CROSS AIR COMPRESSOR 18 Верхний предел давления, при котором происходит разгрузка 0.80 мПа В меню “параметры для потребителя” Верхний предел давления для разгрузки установите меньше данной величины. Изменение времени работы с нагрузкой ****** часов На заводе можно изменить время работы компрессора п...
Страница 19 - Ir; Время срабатывания
CROSS AIR COMPRESSOR 19 5. Информация, отображаемая на дисплее: a) Температура масла: -20-150 °С, Точность: ± 1°С. b) Температура воздуха: -20-150 °С, Точность: ± 1°С. c) Общее время работы: 0 - 999999 часов. d) Ток: 0 - 999.9А. e) Давление: 0 -1.60 мПа, точность: 0.01 мПа ; 6. Порядок защиты фаз: п...
Страница 22 - Устранение общей ошибки.; Running
CROSS AIR COMPRESSOR 22 Отсутствие фазы «Отсутствие фазы у основного двигателя или двигателя вентилятора» Пропадание фазы в силовом контакторе двигателя Дисбаланс «Дисбаланс тока в основном двигателе или в двигателе вентилятора» Пропадание контакта в контакторе, обрыв цепи двигателя 2). Температура ...
Страница 23 - Stop
CROSS AIR COMPRESSOR 23 ГЛАВА V 5.1. Проверка работоспособности. ВНИМАНИЕ: ПЕРЕД ВВОДОМ В ЭКСПЛУАТАЦИЮ, ПЕРСОНАЛ, ПРОВОДЯЩИЙ ДАННЫЕ РАБОТЫ ДОЛЖЕН ПРОВЕСТИ КОНТРОЛЬ УСЛОВИЙ УСТАНОВКИ И ЭКСПЛУАТАЦИИ КОМПРЕССОРА, УКАЗАННЫЕ В Приложении №4. Запуск машины в эксплуатацию возможен только после выполнения п...
Страница 24 - SHELL
CROSS AIR COMPRESSOR 24 2). Полностью слить скопившийся конденсат влаги из масляного радиатора и воздушно - масляной емкости. 3). Устранить обнаруженные неисправности, если они есть. 2. Прекращение работы больше чем на три месяца: См. п.1 выше, кроме того: 1). Заглушите все отверстия. 2). Перед оста...
Страница 26 - VII
CROSS AIR COMPRESSOR 26 Проверка работоспособности предохранительного клапана Каждые 6 месяцев/3000 часов Замена сменного элемента воздушного фильтра Замена масляного фильтра Замена охлаждающего масла Замена сменного элемента маслосепаратора (наружные сепараторы) Очистка воздушно - масляного радиато...
Страница 30 - Modbus; Заводские парам; BAR
CROSS AIR COMPRESSOR 30 Т - вкл - вент. : 0085 гр. C → Т - выкл - вент. : 0075 гр. C → Установ - таймеров Мот.задер. :0010 с → Вент.задер. :0008 с → З в.задер : 0006 с → Нагр.задер: 0006с→ Х - х.задер: 0300 с → Стоп. задер: 0010с → Старт. задер. : 00100 с → Установ - раб.реж Реж.:Удален→ Нагруз: авт...
Страница 31 - Установочные парам; Разделы подменю; Параметры использования:
CROSS AIR COMPRESSOR 31 Мин .-U: 0000 V Мин - Т:+0004 гр.С Срок: 0000 ч Пред - стп - м: 0000 ч Предю - уст. - па: вкл. Параметр 1: 1000 Р выбирать: BAR Т выбирать: гр.С * Установочные парам Пароль ↓↑ **** ПРИЛОЖЕНИЕ 1.1: Показания на табло МАМ -890 На русском языке: ДАВЛ: 0,00 МПа СБОЙ СТОП: С01 Раз...
Страница 32 - Русский; Заводские настройки; Пароль
CROSS AIR COMPRESSOR 32 Режим вкл.: Удаленный/комп. Тип нагрузки Авто… Тип соед. Компьютер/Послед./Запрет Сет. адрес *0001 Выбор в группе Ведущий/… Время перекл. 99ч Кол - во в группе 16 Двал.нагр. в группе 2,00 мПа Давл.разгр.в группе 2,00 мПа Задер.перекл. 200 с Сброс масл. фильтра 0002 ч Сброс се...
Страница 33 - ПРИЛОЖЕНИЕ 2: Фотографии основных элементов компрессоров.
CROSS AIR COMPRESSOR 33 ПРИЛОЖЕНИЕ 2: Фотографии основных элементов компрессоров. 1- воздушный фильтр всасывания 2- электромагнитный клапан 3- воздушно - масляная емкость (маслосепаратор) 4- предохранительный клапан воздушно - масляной емкости 5- заливное отверстие для масла 6- винтовой блок 7- кран...
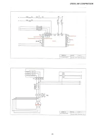
Страница 36 - Распределительные; Трансформатор напряжения.; ПРИЛОЖЕНИЕ; КОНТРОЛЬ УСЛОВИЙ УСТАНОВКИ И ЭКСПЛУАТАЦИИ КОМПРЕССОРА.
CROSS AIR COMPRESSOR 36 Распределительные шкафы : 1. Трансформатор напряжения. 2. Предохранители (плавкие вставки). 3. Контакторы 4. Клеммная колодка (ввод питания). 5. Трансформатор ток Вариант исполнения: ПРИЛОЖЕНИЕ 3: КОНТРОЛЬ УСЛОВИЙ УСТАНОВКИ И ЭКСПЛУАТАЦИИ КОМПРЕССОРА. 1 2 3 4 5
Страница 37 - III
CROSS AIR COMPRESSOR 37 Опросный лист. № п/п Необходимо проверить Раздел Инструкции Отметка о выполнении 1 Выполнены ли все требования к установке (монтажу)? Глава III 2 Соответствуют ли действительные параметры электрической сети требуемым? Глава III Раздел 3 3 Достаточны ли поперечное сечение элек...
Страница 38 - Наименование предприятия; Предприятие
CROSS AIR COMPRESSOR 38 ПРИЛОЖЕНИЕ 5: СВИДЕТЕЛЬСТВО О ПРИЕМКЕ И УПАКОВЫВАНИИ. Компрессорная установка __________________________ зав. № _______________, производительностью ___________________л / мин, рабочее давление, макс. ___________________МПа., Примечание: ______________________________________...
Страница 39 - ГАРАНТИЙНЫЙ ТАЛОН
CROSS AIR COMPRESSOR 39 ГАРАНТИЙНЫЙ ТАЛОН ___________ Внимание! Гарантийный талон действителен при наличии печати продавца. ВНИМАНИЕ: Оборудование является технически сложным товаром! Перед тем, как приступить к эксплуатации оборудования необходимо произвести подготовительные работы согласно инструк...
Страница 40 - Гарантия не распространяется на быстро изнашивающиеся и сменно
CROSS AIR COMPRESSOR 40 - механических повреждений, вызванных внешним воздействием; - стихийного бедствия, неблагоприятных атмосферных и иных внешних воздействий на изделие, таких, как дождь, снег, повышенная влажность, нагревание, агрессивных сред, несоответствия параметров питающей электросети ука...