Cross Air CA110-10GA 00-00001202 - Инструкция по эксплуатации

Cross Air CA110-10GA 00-00001202

Компрессор Cross Air CA110-10GA 00-00001202 - инструкция пользователя по применению, эксплуатации и установке на русском языке. Мы надеемся, она поможет вам решить возникшие у вас вопросы при эксплуатации техники.

Если остались дополнительные вопросы — свяжитесь с нами через контактную форму.

1 Страница 1
2 Страница 2
3 Страница 3
4 Страница 4
5 Страница 5
6 Страница 6
7 Страница 7
8 Страница 8
9 Страница 9
10 Страница 10
11 Страница 11
12 Страница 12
13 Страница 13
14 Страница 14
15 Страница 15
16 Страница 16
17 Страница 17
18 Страница 18
19 Страница 19
20 Страница 20
21 Страница 21
22 Страница 22
23 Страница 23
24 Страница 24
25 Страница 25
26 Страница 26
27 Страница 27
28 Страница 28
29 Страница 29
30 Страница 30
31 Страница 31
32 Страница 32
33 Страница 33
34 Страница 34
35 Страница 35
36 Страница 36
37 Страница 37
38 Страница 38
39 Страница 39
40 Страница 40
41 Страница 41
42 Страница 42
43 Страница 43
44 Страница 44
45 Страница 45
Страница: / 45

Содержание:

  • Страница 2 – СОДЕ Р Ж АН ИЕ; CROSS AIR COMPRESSOR
  • Страница 3 – Гл ава; DD
  • Страница 4 – Глава
  • Страница 5 – Устройство и принцип действия.; CA; Сжатие и перемещение.
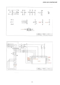
  • Страница 7 – Электрические присоединения и безопасность.
  • Страница 8 – Требования по технике безопасности во время работы компрессора:; возникновения аварийной ситуации работу
  • Страница 9 – Важный компонент системы. Он управляет; Воздушно; Выполняет две функции. 1 –
  • Страница 10 – давления; PLC; не меняйте настройки самостоятельно!
  • Страница 12 – Предохранительный клапан; LCD; ON
  • Страница 13 – RT; . Состояние и действия
  • Страница 14 – . Данные пользователя
  • Страница 15 – ). Параметры управления для Пользователя
  • Страница 16 – выключение
  • Страница 17 – Параметры
  • Страница 18 – Технические характеристики.
  • Страница 19 – Ir; Время срабатывания
  • Страница 22 – Устранение общей ошибки.; Running
  • Страница 23 – Stop
  • Страница 24 – SHELL
  • Страница 26 – VII
  • Страница 30 – Modbus; Заводские парам; BAR
  • Страница 31 – Установочные парам; Разделы подменю; Параметры использования:
  • Страница 32 – Русский; Заводские настройки; Пароль
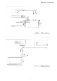
  • Страница 33 – ПРИЛОЖЕНИЕ 2: Фотографии основных элементов компрессоров.
  • Страница 36 – Распределительные; Трансформатор напряжения.; ПРИЛОЖЕНИЕ; КОНТРОЛЬ УСЛОВИЙ УСТАНОВКИ И ЭКСПЛУАТАЦИИ КОМПРЕССОРА.
  • Страница 37 – III
  • Страница 38 – Наименование предприятия; Предприятие
  • Страница 39 – ГАРАНТИЙНЫЙ ТАЛОН
  • Страница 40 – Гарантия не распространяется на быстро изнашивающиеся и сменно
Загрузка инструкции

"Загрузка инструкции" означает, что нужно подождать пока файл загрузится и можно будет его читать онлайн. Некоторые инструкции очень большие и время их появления зависит от вашей скорости интернета.

Краткое содержание

Страница 2 - СОДЕ Р Ж АН ИЕ; CROSS AIR COMPRESSOR

CROSS AIR COMPRESSOR 2 СОДЕ Р Ж АН ИЕ : Глава I. Введение. Глава II. Раздел первый: Характеристики компрессоров CROSS AIR COMPRESSOR Раздел второй: Устройство и принцип действия. 1. Устройство. 2. Описание работы. 3. Принцип работы. Глава III. Раздел первый: Требования к установке. Раздел второй: Тр...

Страница 3 - Гл ава; DD

CROSS AIR COMPRESSOR 3 Гл ава I Введение. Компрессоры предназначены для сжатия воздуха, который используется для привода станков и пневмооборудования или иных общепромышленных задач. Винтовые компрессоры оснащаются микропроцессорной системой управления A DD , которая динамически адаптируется к услов...

Страница 4 - Глава

CROSS AIR COMPRESSOR 4 Глава II 2.1. Характеристики компрессоров Cross Air Compressor серии СА. Модель Мощность, кВт Производительность, м 3 /мин Рабочее давление, мПа Размер выходного патрубка, Панель управления Модель винтового блока Габариты, мм СА5.5-8RА 5.5 0.7 0.8 RP3/4 МАМ -890 YNT46A 75 0х60...

Характеристики

Другие модели - Компрессоры Cross Air

Все компрессоры Cross Air