Страница 2 - Предупреждения; Пожалуйста, внимательно прочтите настоящие инструкции перед на-
2 Comaro ВинтоВой компрессор MD предупреждения и меры предосторожности 1 Предупреждения и меры предосторожности Пожалуйста, внимательно прочтите настоящие инструкции перед на- чалом установки воздушного компрессора. Это позволит избежать травм персонала и повреждение устройства. 1.1 меры предосторож...
Страница 3 - Осмотр; Для обеспечения прав покупателя, пожалуйста, внимательно прочти-
3 рукоВодстВо по эксплуатации осмотр и транспортировка 2 Осмотр и транспортировка Для обеспечения прав покупателя, пожалуйста, внимательно прочти- те данную главу. Пожалуйста, придерживайтесь методов, указанных в главе 2.4 при транспортировке устройства, чтобы избежать возник-новения опасных ситуаци...
Страница 4 - проверка аксессуаров; транспортировки; любые предметы на охладитель.; метод передачи
4 Comaro ВинтоВой компрессор MD осмотр и транспортировка 2.3 проверка аксессуаров ― После получения воздушного компрессора сначала проверьте наличие полного комплекта аксессуаров. Все воздушные компрессоры оборудуются следующими компонентами: ― 1. Одно руководство по эксплуатации; ― 2. Один гарантий...
Страница 5 - Установка
5 рукоВодстВо по эксплуатации установка 3 Установка Пожалуйста, внимательно прочтите данную главу перед началом установки. Это обеспечит правильную установку и надежную работу воздушного компрессора. 3.1 меры предосторожности для электрических устройств ― 1. Устанавливайте воздушный компрессор в пом...
Страница 6 - требования; предупреждение
6 Comaro ВинтоВой компрессор MD установка ― Примечания: ― Вариант А: Когда вентиляционная труба не используется для вентиляции, пожалуй- ста, обратитесь к параметрам вентиляции (1), указанным в таблице 3.1 для рекомен- дуемого объема внешней вентиляции для вентилятора, и, пожалуйста, установите вент...
Страница 7 - рекомендуемый
7 рукоВодстВо по эксплуатации установка ― (6) Сброс давления через предохранительный клапан указывает, что в системе край-не высокое давление. Причина высокого давления должна немедленно устраняться. ― (7) Любое количество жидкости, присутствующее в воздухе, должно сводиться к минимуму. ― (8) Если н...
Страница 8 - рекомендации; меры безопасности
8 Comaro ВинтоВой компрессор MD установка ― Примечания: Если отсутствует ресивер, то винтовой воздушный компрессор не может быть объ- единен с поршневой компрессионной системой. Рекомендуется соединять два типа воздушных компрессоров с ресивером, используя при этом отдельные трубопрово-ды. Когда пар...
Страница 9 - меры предосторожности; Главный двигатель
9 рукоВодстВо по эксплуатации установка 3.7.1 меры предосторожности для электрической установки ― Перед установкой электрического оборудования рекомендуется повторно просмо- треть инструкции по безопасности, указанные в данном руководстве. Пожалуйста, посмотрите параметры, указанные на табличке заво...
Страница 10 - Вентиляторный двигатель; цепь
10 Comaro ВинтоВой компрессор MD установка 3.7.3 Вентиляторный двигатель ― Проверьте, что вентилятор выдувает в направлении от устройства. Если направле-ние вращения неправильное, тогда выключите и заблокируйте главный выключатель электропитания. После этого следует повесить на выключатель предупред...
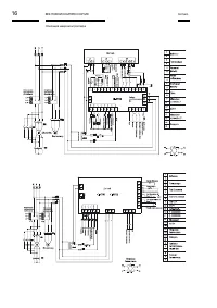
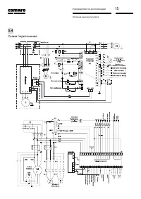
Страница 11 - Знакомство с системой; система в сборе; система смазки
11 рукоВодстВо по эксплуатации Знакомство с системой 4 Знакомство с системой (рис. 4.1 и 4.2) 4.1 система в сборе ― Воздушный компрессор работает от источника электропитания, и представляет собой одноступенчатую винтовую воздушно-компрессорную установку. Вся система включает другие пост обрабатывающ...
Страница 13 - Описание; описание кнопок; На дисплее максимально может
13 рукоВодстВо по эксплуатации описание микроконтроллера 5 Описание микроконтроллера 5.1 описание кнопок и индикаторов ― START (СТаРТ): предназначена для запуска компрессора ― STOP (СТОП): предназначена для останова компрессора ― RESET (СБРОС): предназначена для сброса ― UP (ВВЕРХ): предназначена дл...
Страница 17 - эксплуатация; останов
17 рукоВодстВо по эксплуатации описание микроконтроллера 5.5 эксплуатация 5.5.1 нажмите кнопку «START» (старт): (Y—Δ Запуск звезда-треугольник) ― После подачи питания на контроллер, он выполняет самодиагностику в течение 3 секунд. В течение этих 3-х секунд кнопка «START» не работает. После выполнени...
Страница 18 - список аварий
18 Comaro ВинтоВой компрессор MD описание микроконтроллера 5.6 список аварий Авария Состояния устройства, отображаемые на дисплее Сигнал Состояние компрессора Время замены воздушного фильтра Замена воздушного фильтра аварийный сигнал воздушного фильтра авария, без останова Время замены масляного фил...
Страница 20 - ненты системы; Воздушный фильтр; Воздухомасляный ресивер
20 Comaro ВинтоВой компрессор MD основные компоненты системы 6 Основные компо- ненты системы 6.1 Воздушный фильтр ― Это сухой бумажный фильтр, который предназначен для фильтрации воздуха, пода- ваемого через воздушную головку. Качество фильтра влияет на срок службы смазки, масляного фильтра, сепарат...
Страница 22 - живание и ремонт
22 Comaro ВинтоВой компрессор MD техническое обслуживание и ремонт 7 Техническое обслу- живание и ремонт К техническому обслуживанию и ремонту компрессора допускается только обученный и квалифицированный персонал. Перед проведением технического обслуживания или ремонта убедитесь в том, что двигатель...
Страница 24 - клапан терморегулирования; предохранительный клапан; электромагнитный; охладитель
24 Comaro ВинтоВой компрессор MD техническое обслуживание и ремонт 7.8 клапан терморегулирования ― При стандартных условиях перепускная труба клапана терморегулирования за- кроется при высокой температуре, и откроется при низкой температуре. Данным методом следует проверить работоспособность клапана...
Страница 25 - электрическая изоляция
25 рукоВодстВо по эксплуатации техническое обслуживание и ремонт 7.14.2 охладитель с воздушным охлаждением ― 1. Для охладителя с водяным охлаждением необходимо выполнить следующие проверки: ― a) Перед подачей воды проверьте наличие утечки на сочленении соединительного трубопровода. ― b) Проверьте, ч...
Страница 26 - Защитное ограждение; Высокая
26 Comaro ВинтоВой компрессор MD Защитное ограждение и предупредительное устройство 8 Защитное ограждение и предупредительное устройство 8.1 Защита от перегрузки двигателя ― Воздушная компрессорная установка имеет в своем составе два двигателя. Один из них – главный двигатель воздушной головки, а вт...
Страница 29 - Спецификация винтового воздушного компрессора
29 рукоВодстВо по эксплуатации спецификация винтового воздушного компрессора 9 Спецификация винтового воздушного компрессора Модель MD 37 kW 45 kW 55 kW 75 kW 90 kW 110 kW 132 kW 160 kW 185 kW 250 kW 315 kW Компрессор Поток воздуха (м3/мин) 8, бар 6.5 7.6 9.8 13.1 15.6 20.0 23.2 28.2 32.3 41.8 52.3 ...
Страница 30 - График технического обслуживания
30 Comaro ВинтоВой компрессор MD График технического обслуживания Приложение 1. График технического обслуживания Компонент Описание День Неделя 500 часов 1500 часов 3000 часов 6000 часов 12000 часов 18000 часов 30000 часов Месяц Четверть Полгода Год Раз в дав года Раз в три года Раз в пять лет Свето...
Страница 31 - Технические характеристики
31 рукоВодстВо по эксплуатации График технического обслуживания / технические характеристики Внимание! ― 1. Вышеупомянутый график замены смазки предназначен для стандартной работы компрессора. Если компрессор работает при повышенной температуре, то срок службы масла снижается наполовину. ― 2. При ст...
Страница 33 - Коды заказа
33 рукоВодстВо по эксплуатации технические характеристики Приложение 3. Коды заказа расходных материалов Масляный фильтр Модель компрессора, где установлено Код заказа Период замены,ч 37,45,55 кВт 03.01.21204 500+3000 75,90,110,132,160,185,250 03.01.21203 500+3000 Воздушный фильтр Модель компрессора...