COMARO MD 55-08 I - Инструкция по эксплуатации

COMARO MD 55-08 I

Компрессор COMARO MD 55-08 I - инструкция пользователя по применению, эксплуатации и установке на русском языке. Мы надеемся, она поможет вам решить возникшие у вас вопросы при эксплуатации техники.

Если остались дополнительные вопросы — свяжитесь с нами через контактную форму.

1 Страница 1
2 Страница 2
3 Страница 3
4 Страница 4
5 Страница 5
6 Страница 6
7 Страница 7
8 Страница 8
9 Страница 9
10 Страница 10
11 Страница 11
12 Страница 12
13 Страница 13
14 Страница 14
15 Страница 15
16 Страница 16
17 Страница 17
18 Страница 18
19 Страница 19
20 Страница 20
21 Страница 21
22 Страница 22
23 Страница 23
24 Страница 24
25 Страница 25
26 Страница 26
27 Страница 27
28 Страница 28
29 Страница 29
30 Страница 30
31 Страница 31
32 Страница 32
33 Страница 33
Страница: / 33

Содержание:

  • Страница 2 – Предупреждения; Пожалуйста, внимательно прочтите настоящие инструкции перед на-
  • Страница 3 – Осмотр; Для обеспечения прав покупателя, пожалуйста, внимательно прочти-
  • Страница 4 – проверка аксессуаров; транспортировки; любые предметы на охладитель.; метод передачи
  • Страница 5 – Установка
  • Страница 6 – требования; предупреждение
  • Страница 7 – рекомендуемый
  • Страница 8 – рекомендации; меры безопасности
  • Страница 9 – меры предосторожности; Главный двигатель
  • Страница 10 – Вентиляторный двигатель; цепь
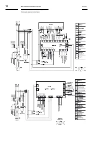
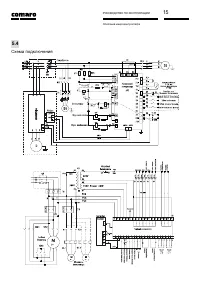
  • Страница 11 – Знакомство с системой; система в сборе; система смазки
  • Страница 13 – Описание; описание кнопок; На дисплее максимально может
  • Страница 17 – эксплуатация; останов
  • Страница 18 – список аварий
  • Страница 20 – ненты системы; Воздушный фильтр; Воздухомасляный ресивер
  • Страница 22 – живание и ремонт
  • Страница 24 – клапан терморегулирования; предохранительный клапан; электромагнитный; охладитель
  • Страница 25 – электрическая изоляция
  • Страница 26 – Защитное ограждение; Высокая
  • Страница 29 – Спецификация винтового воздушного компрессора
  • Страница 30 – График технического обслуживания
  • Страница 31 – Технические характеристики
  • Страница 33 – Коды заказа
Загрузка инструкции

рукоВодстВо по эксплуатации

руководство по эксплуатации для оператора

Винтовой компрессор

MD

серия

перед запуском компрессора следует внимательно ознакомиться с данной инструкцией.

сохранить для дальнейшего использования.

"Загрузка инструкции" означает, что нужно подождать пока файл загрузится и можно будет его читать онлайн. Некоторые инструкции очень большие и время их появления зависит от вашей скорости интернета.

Краткое содержание

Страница 2 - Предупреждения; Пожалуйста, внимательно прочтите настоящие инструкции перед на-

2 Comaro ВинтоВой компрессор MD предупреждения и меры предосторожности 1 Предупреждения и меры предосторожности Пожалуйста, внимательно прочтите настоящие инструкции перед на- чалом установки воздушного компрессора. Это позволит избежать травм персонала и повреждение устройства. 1.1 меры предосторож...

Страница 3 - Осмотр; Для обеспечения прав покупателя, пожалуйста, внимательно прочти-

3 рукоВодстВо по эксплуатации осмотр и транспортировка 2 Осмотр и транспортировка Для обеспечения прав покупателя, пожалуйста, внимательно прочти- те данную главу. Пожалуйста, придерживайтесь методов, указанных в главе 2.4 при транспортировке устройства, чтобы избежать возник-новения опасных ситуаци...

Страница 4 - проверка аксессуаров; транспортировки; любые предметы на охладитель.; метод передачи

4 Comaro ВинтоВой компрессор MD осмотр и транспортировка 2.3 проверка аксессуаров ― После получения воздушного компрессора сначала проверьте наличие полного комплекта аксессуаров. Все воздушные компрессоры оборудуются следующими компонентами: ― 1. Одно руководство по эксплуатации; ― 2. Один гарантий...

Характеристики

Другие модели - Компрессоры COMARO

Все компрессоры COMARO