Страница 2 - Уважаемый клиент
2 Уважаемый клиент Духовка исключительно проста в использовании и чрезвычайно эффективна. После прочтения этого руководства пользователя, управлять духовкой будет просто. Перед упаковкой, духовка была полностью проверена относительно безопасности и функциональности. Перед использованием прибора, пож...
Страница 3 - СОДЕРЖАНИЕ
3 Инструкции по технике безопасности ............................................................ ... ............ 4 Описание устройства ....................................................................................... .. ............. 7 Установка / монтаж ........................................
Страница 4 - Инструкции по технике безопасности.
4 Инструкции по технике безопасности. • Электроприбор и его открытые части могут значительно нагреваться во время использования. • Детям младше 8 лет разрешается приближаться к электроприбору только в том случае, если они находятся под постоянным присмотром взрослых. • К использованию данного электр...
Страница 7 - Описание устройства; Количество функций
7 Описание устройства MES 7106 X - MDS 7206 X - MDS 7206 WH - MDS 7206 BK Количество функций 6 Мощность внутренней лампы 15 W Размеры (ширина) 595 мм Размеры (глубина) 547 мм Размеры (высота) 595 мм Размеры шкафа для установки ( ширина ) 560 мм Размеры шкафа для установки (глубина) 550 мм Размеры шк...
Страница 8 - руководство по
8 Установка / монтаж • Установка устройства должна выполняться авторизованной службой Cata или официальными представителями . Наша компания не несет ответственности за ущерб, который может быть нанесен людям, окружающей среде или другим материалам из-за неправильной установки прибора. • Осмотрите пр...
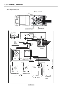
Страница 11 - Электропитание
11 Установка / монтаж • Прибор должен быть подключен к электросети в соответствии с действующими правилами и законодательством только уполномоченной службой. • Убедитесь, что мощность, полученная от сети, соответствует мощности, указанной на паспортной табличке, расположенной в нижней части передней...
Страница 12 - TURBO FAN; BOTTOM; SUPPLY
12 Установка / монтаж Электропитание Коричневый Винт M4x6 3 шт. Желто-зеленый Голубой M THERMOPROTECTOR P1 P1 P2 P3 P4 P5 P6 1 2 3 4 5 6 GRILL A D L N C 1 M THERMOPROTECTOR L N 1 2 3 L 1A N 1 orange (1x1.50 mm 2 ) red (1x1.50 mm 2 ) green (1x1.50 mm 2 ) brown (1x1.00 mm 2 ) wh!te (1x1.00 mm 2 ) DIGI...
Страница 13 - ЧТО ДЕЛАТЬ ПРИ ПЕРВОЙ ЭКСПЛУАТАЦИИ УСТРОЙСТВА; Установите температуру на максимальный уровень.
13 Установка / монтаж Электропитание ЧТО ДЕЛАТЬ ПРИ ПЕРВОЙ ЭКСПЛУАТАЦИИ УСТРОЙСТВА • Установите температуру на максимальный уровень. • Установите функциональную кнопку в нижнее и верхнее положение гриля (или в положение 3D, если применимо). • Таким образом, эксплуатируйте духовку в пустом состоянии ...
Страница 14 - Устройство; Проволочные н
14 Устройство 56 78 9 10 11 12 13 15 16 18 14 17 1- Кнопка выбора функции 2- Программатор 3- Ручка настройки температуры духовки 4- Сигнальная лампа 5- Верхнее сопротивление 6- Лампа 7- Мелкий противень (опция) 8- Гриль -решетка 9- Вентилятор 10- Телескопические направляющие 11- Г лубокий противень ...
Страница 15 - Аксессуары для духового шкафа; Очистите принадлежности духовки; Глубоки противень; направляющих; Телескопическая направляющая
15 Устройство Аксессуары для духового шкафа Очистите принадлежности духовки перед первым запуском. После очистки и мытья губкой протрите их насухо.Извлеките все ненужные принадлежности из рабочей камеры. Гриль-решетка Приспособление, для сковородок и формочек для жарки, для разморозки продуктов. Глу...
Страница 16 - Программатор; - Знак автоматического приготовления; Настройка часов; «00.00» отображается на экране, когда прибор подключен к источнику
16 Устройство Программатор A 4 3 7 6 5 8 1- Знак автоматического приготовления 2- Знак готовки 3- Точка (разделительный знак) 4- Знак таймера 5- Знак блокировки 6- Кнопка "Плюс" (увеличить) 7- Кнопка "Меню" 8- Кнопка "Минус" (уменьшить) Настройка часов «00.00» отображается на...
Страница 17 - Вы не можете использовать функции духовки без установки часов.; Изменение звукового сигнала; Нажимайте кнопки «+» / «-» на экране одновременно в течение 2 или 3 секунд; Блокировка; настроек, сделанных пользователем на дисплее духовки.
17 Устройство ВНИМАНИЕ! Вы не можете использовать функции духовки без установки часов. Изменение звукового сигнала Нажимайте кнопки «+» / «-» на экране одновременно в течение 2-3 секунд (пока не услышите звуковой сигнал).Затем текущий звук, тон 1 отображается на экране, нажав кнопку настройки 1 раз....
Страница 18 - Таймер звукового сигнала; его к времени, установленному для таймера приготовления.
18 Устройство Таймер звукового сигнала Таймер звукового сигнала можно активировать независимо от других программ. Можно установить время от 1 минуты до 23 часов и 59 минут.Нажмите кнопку настройки в течение 2-3 секунды для таймера звукового сигнала . «00 .00» должно отображаться на экране. Затем уст...
Страница 19 - Отключение таймера; звукового сигнала; Эксплуатация в ручном режиме; ИСПОЛЬЗОВАНИЕ УСТРОЙСТВА
19 Устройство • Выберите необходимую температуру и функцию печи. • Знак готовки исчез н ет. Духовка не будет начинать готовку до установленного времени приготовления. По окончании приготовления в течение 7 минут звучит сигнал тревоги, и символ автоматического приготовления снова начинает мигать. Наж...
Страница 20 - ИСПОЛЬЗОВАНИЕ ТЕЛЕСКОПИЧЕСКИХ; Снятие телескопических направляющих; Чтобы снять телескопическую
20 Устройство ИСПОЛЬЗОВАНИЕ ТЕЛЕСКОПИЧЕСКИХ НАПРАВЛЯЮЩИХ Снятие телескопических направляющих A B C Рис. 1 Чтобы снять телескопическую направляющую с проволочных направляющих , возьмитесь за ручку телескопической направляющей, как показано на Рис. 1 / A, а затем поднимите ее, как показано на Рис. 1 /...
Страница 21 - Вставка телескопических направляющих; Не мойте телескопические
21 Устройство Вставка телескопических направляющих 1 2 3 Рис. 2 Чтобы вставить телескопические направляющие в решетку, возьмитесь за ручку за направляющую и вставьте, как показано на Рис. 2/1. Затем поместите ручку на направляющую к полке для гриля, как показано на Рис. 2/2, чтобы получить изображен...
Страница 22 - Использование; Поместите противень на; Использование гриль-решетки; Поместите гриль-решетку на
22 Устройство Использование противня Поместите противень на телескопические направляющие как на рисунке Высокие края вокруг телескопической направляющей - это специальная конструкция, предотвращающая скольжение противня Использование гриль-решетки Поместите гриль-решетку на телескопические направляю...
Страница 23 - ЧИСТКА И ОБСЛУЖИВАНИЕ ПРИБОРА; Перед первым использованием; Снимите упаковку, очистите; Общая чистка; Aquasmart
23 ЧИСТКА И ОБСЛУЖИВАНИЕ ПРИБОРА Перед первым использованием духового шкафа • Снимите упаковку, очистите внутреннюю часть духового шкафа. • Выньте и промойте комплектующие духового шкафа теплой водой с небольшим количеством моющего средства. • Включите вентиляцию в комнате или откройте окно. • Нагре...
Страница 24 - Не используйте духовой шкаф; Чистка боковых стенок духовки; Снимите противни и гриль-решетку; Снимите
24 • Протирайте внутреннюю поверхность духовки мягкой и влажной тканью, когда духовка охладится. • После очистки держите дверцу приоткрытой на 15 °, чтобы внутренняя эмаль полностью высохла. Чистка внутренней поверхности духовки • Обязательно чистите духовку после каждой операции. • Лучшее время для...
Страница 25 - Снятие дверцы духовки; Рис
25 ЧИСТКА И ОБСЛУЖИВАНИЕ ПРИБОРА Снятие дверцы духовки A Рис. 1 Полностью откройте дверцу, потянув дверцу духовки на себя (Рис. 1). Затем доведите замок петли до самого широкого угла, как показано на (Рис. 1 / A). Установите обе петли, соединяющие дверцу духовки с духовкой, в одинаковое положение. Р...
Страница 26 - Чистка стекла духового шкафа
26 ЧИСТКА И ОБСЛУЖИВАНИЕ ПРИБОРА Чистка стекла духового шкафа 1 Рис . 1 Слегка откройте дверцу прибора. Надавите на левую и правую стороны пластикового верха двери (рис. 1). 2 Рис. 2 Снимите пластиковый верх двери ( Рис . 2 ). 1 Рис . 3 1 - Внутреннее стекло двери • Снимите внутреннее стекло прибора...
Страница 27 - Чтобы установить стекло; Уплотнитель двери духовки
27 ЧИСТКА И ОБСЛУЖИВАНИЕ ПРИБОРА Чтобы установить стекло духовки обратно , п овторите ту же процедуру в обратном порядке Уплотнитель двери духовки • Конденсация может происходить внутри двери и на уплотнители двери, если духовка эксплуатируется в течение длительного периода времени. Удалите возможны...
Страница 28 - Замена сетевого шнура питания
28 ЧИСТКА И ОБСЛУЖИВАНИЕ ПРИБОРА Замена лампы Отключите электропитание и подождите, пока духовка остынет, чтобы исключить риск поражения электрическим током, прежде чем заменять лампу духовки. Горячие поверхности могут вызвать ожоги . max 15 W 2A/250V AC Цоколь E14При замене лампы следует использова...
Страница 29 - Объяснение основных функций; Функция
29 Объяснение основных функций Функция Объяснение функций В вашем приборе не выбрана никакая программа. Верхний и нижний нагреватели включены. Пища разогревается снизу и сверху одновременно. Он подходит для пирогов, пирожков, пирогов и рагу, приготовленных на сковороде. Готовьте, используя один прот...
Страница 30 - Выпечка; устойчивы к высоким температурам
30 Готовка в духовом шкафу - практические советы Выпечка ● мы рекомендуем использовать противни для выпечки, которые были в комплекте вашим духовым шкафом; ● также возможно выпекать в контейнерах для пирожных и противни, купленные в другом месте; для выпечки лучше использовать черные лотки, которые ...
Страница 31 - Готовка в духовом шкафу - практические советы; мин
31 Тип блюда Тип нагрева Температура Уровень направляющих Время 160 - 200 2 - 3 30 - 50 160 - 170 1) 3 25 - 40 2) 155 - 170 1) 3 25 - 40 2) 200 - 230 1) 2 - 3 15 - 25 210 - 220 2 45 - 60 160 - 180 2 - 3 45 - 60 190 2 - 3 60 - 70 230 - 250 4 14 - 18 225 - 250 2 120 - 150 160 - 180 2 120 - 160 160 - 2...
Страница 32 - Тип блюда; Тип нагрева Температура; предварительного разогрева; пирожные
32 Тип блюда Комплектующие Уровень направляющих Тип нагрева Температура ( 0 C) Время ( мин ) Противень для выпечки 3 160 - 170 1) 25 - 40 2) 3 155 - 170 1) 25 - 40 2) 3 155 - 170 1) 25 - 40 2) 155 - 170 1) 25 - 50 2) песочное печенье Противень для выпечки 3 150 - 160 1) 30 - 40 2) Противень для выпе...
Страница 33 - Гриль
33 Тосты Противень для жарки 4 250 1) 1,5 - 2,5 Противень для жарки 4 250 2) 2 - 3 Котлета для бургеров Противень для жарки, гриль-решётка 3 - гриль-решётка 4 - противень 250 1) 1-ая сторона 10 - 152-ая сторона 8 - 13 Готовка в духовом шкафу - практические советы Гриль 1) Предварительный разогрев шк...
Страница 34 - ЭКСПЛУАТАЦИЯ В СЛУЧАЕ ЧРЕЗВЫЧАЙНОЙ СИТУАЦИИ; В случае возникновения чрезвычайной ситуации (поломки) вы должны:
34 ЭКСПЛУАТАЦИЯ В СЛУЧАЕ ЧРЕЗВЫЧАЙНОЙ СИТУАЦИИ В случае возникновения чрезвычайной ситуации (поломки) вы должны: ● выключить духовой шкаф (перевести ручки в положение "выключено") ● отсоедините сетевой шнур ● позвонить в сервисный центр ● некоторые незначительные ошибки можно устранить, обра...
Страница 35 - Основная информация; Certificate of compliance CE; Declaration of Conformity
35 Основная информация Certificate of compliance CE The Manufacturer hereby declares that this product complies with the general requirements pursuant to the following European Directives: The Low Voltage Directive 2014/35/EC , Electromagnetic Compatibility Directive 2014/30/EC, ErP Directive ...