Страница 2 - Важные инструкции по эксплуатации
2 Важные инструкции по эксплуатации ПРЕДУПРЕЖДЕНИЕ. ВО ИЗБЕЖАНИЕ ОПАСНОСТИ ПОРАЖЕНИЯ ЭЛЕКТРИЧЕСКИМ ТОКОМ НЕ СНИМАЙТЕ КОЖУХ (ИЛИ ЗАДНЮЮ ПАНЕЛЬ). ВНУТРИ КАМЕРЫ НЕТДЕТАЛЕЙ, ПОДЛЕЖАЩИХ ОБСЛУЖИВАНИЮ ПОЛЬЗОВАТЕЛЕМ. ОБСЛУЖИВАНИЕ ДОЛЖНО ВЫПОЛНЯТЬСЯ КВАЛИФИЦИРОВАННЫМ ПЕРСОНАЛОМ. ПРЕДУПРЕЖДЕНИЕ. ВО ИЗБЕЖАНИЕ ...
Страница 3 - Использование данного Руководства; Обозначения и ссылки, используемые в настоящем Руководстве; Торговые марки
3 R Введение Использование данного Руководства Áëàãîäàðèì Âàñ çà ïîêóïêó âèäåîêàìåðû Canon XL2. Ïåðåä íà÷àëîì ðàáîòû ñ âèäåîêàìåðîé âíèìàòåëüíîïðî÷èòàéòå äàííîå Ðóêîâîäñòâî è ñîõðàíèòå åãî â êà÷åñòâå ñïðàâî÷íèêà. Обозначения и ссылки, используемые в настоящем Руководстве ❍ : Предупреждения, относящи...
Страница 6 - Проверка комплекта дополнительных принадлежностей
6 Проверка комплекта дополнительных принадлежностей Êîìïàêòíûé áëîê ïèòàíèÿCA−920 Ïåðåõîäíèê ïîñòîÿííîãîòîêà DC−920 Àêêóìóëÿòîð BP−930 Ïëîñêèé ëèòèåâûé ýëåìåíòïèòàíèÿ CR2025 Ïóëüò äèñòàíöèîííîãîóïðàâëåíèÿ WL−D4000 Äâà ýëåìåíòà ïèòàíèÿ AAA (R03) Öâåòíîé âèäîèñêàòåëü Ìèêðîôîí Äåðæàòåëü àäàïòåðà Ñòåðåî...
Страница 8 - Разъем
8 Ìèêðîôîííûé êàáåëü ( 18) Ðó÷êà ( 19) Êíîïêà ïóñêà/îñòàíîâêè ( 30) Øòàòèâíîå ãíåçäî* Âèíò êðåïëåíèÿ áëåíäû îáúåêòèâà ( 21) Êíîïêà EVF DISPLAY ( 33) Ïîëüçîâàòåëüñêèå êíîïêè CUSTOM KEYS ( 70) Êíîïêà CUSTOM PRESET ON/OFF ( 66) Ïåðåêëþ÷àòåëü EJECT ( 23) Êíîïêà CUSTOM PRESET SELECT ( 66) Äèñê AE SHIFT (...
Страница 10 - Подготовка источника питания; Зарядка аккумулятора; Установка аккумулятора
11 R Подготовка Подготовка источника питания Зарядка аккумулятора Ïåðåä çàðÿäêîé îòñîåäèíèòå îò áëîêà ïèòàíèÿ ïåðåõîäíèê ïîñòîÿííîãî òîêà. Ñíèìèòå ñ àêêóìóëÿòîðà êðûøêó êëåìì. 1. Подсоедините кабель питания к блоку питания.2. Подключите кабель питания к электрической розетке. 3. Установите аккумулят...
Страница 11 - Питание от бытовой электросети; Подсоедините переходник постоянного тока
12 Питание от бытовой электросети 1. Поверните диск POWER в положение OFF (Выкл.).2. Установите переходник постоянного тока на видеокамеру. Слегка нажав, сдвиньте переходник постоянного тока в направлении стрелки до щелчка в фиксаторе. 3. Подсоедините кабель питания к блоку питания.4. Подключите каб...
Страница 12 - Время зарядки, съемки и воспроизведения
13 R Подготовка ❍ Время зарядки, съемки и воспроизведения Указанные ниже значения времени являются приблизительными и зависят от условий зарядки, съемки иливоспроизведения. * Приблизительное время съемки с повторяющимися операциями, такими, как пуск/остановка, зуммирование и включение/ выключение пи...
Страница 13 - Установка элемента резервного питания; Откройте крышку отсека элемента резервного
14 Установка элемента резервного питания Ýëåìåíò ðåçåðâíîãî ïèòàíèÿ (ïëîñêèé ëèòèåâûé ýëåìåíò ïèòàíèÿ CR2025) ïîçâîëÿåò âèäåîêàìåðå ïðè îòêëþ÷åí − íîì èñòî÷íèêå ïèòàíèÿ ñîõðàíÿòü â ïàìÿòè äàòó è âðåìÿ ( 28), à òàêæå äðóãèå ïàðàìåòðû. Äëÿ ñîõðàíåíèÿ ïàðàìåòðîâ âî âðåìÿ çàìåíû ýëåìåíòà ðåçåðâíîãî ïèòà...
Страница 14 - Подготовка видеокамеры; Установка и снятие цветного видоискателя; Установка цветного видоискателя; Наденьте видоискатель на кронштейн; Вставьте кабель видоискателя в кабельный; Снятие видоискателя
15 R Подготовка Подготовка видеокамеры Установка и снятие цветного видоискателя Установка цветного видоискателя 1. Наденьте видоискатель на кронштейн и затяните винт крепления. 2. Подсоедините кабель видоискателя к верхнему гнезду на корпусе видеокамеры. Совместите метку на кабеле с меткой на видеок...
Страница 15 - Снятие и установка наглазника; Снятие наглазника; Снимите наглазник, как показано на рисунке.; Установка наглазника; Настройка положения видоискателя
16 Снятие и установка наглазника Ïîëîæåíèå íàãëàçíèêà ìîæíî èçìåíèòü äëÿ èñïîëüçîâàíèÿ ñ ëåâûì èëè ïðàâûì ãëàçîì. Äëÿ èñïîëüçîâàíèÿ ñ ëåâûì ãëàçîì ñíèìèòå è çàíîâî óñòàíîâèòå íàãëàçíèê. Снятие наглазника Снимите наглазник, как показано на рисунке. Установка наглазника Совместив отверстие для рычага ...
Страница 16 - Использование видоискателя в качестве ЖК-дисплея
17 R Подготовка Использование видоискателя в качестве ЖК-дисплея Îòêðûâ àäàïòåð íàãëàçíèêà, ìîæíî èñïîëüçîâàòü âèäîèñêàòåëü â êà÷åñòâå ÆÊ−äèñïëåÿ. Нажмите кнопку фиксатора и откройте адаптернаглазника. Когда видоискатель не используется в качестве ЖК−дисплея, обязательно закрывайте адаптер наглазник...
Страница 17 - Выверните винт крепления микрофона на
18 Настройка видоискателя Ìîæíî íàñòðàèâàòü ÿðêîñòü, êîíòðàñòíîñòü, öâåòà è ðåçêîñòü âèäîèñêàòåëÿ. Ýòè íàñòðîéêè íå âëèÿþò íà ñíèìàåìîåèçîáðàæåíèå. 1. Для открытия меню нажмите кнопку MENU.2. Поворачивая диск SET, выберите пункт [DISPLAY SETUP/ ] (НАСТР. ЭКРАНА/ ), затем нажмите диск SET. 3. Поворач...
Страница 18 - Закрепление ремня ручки; Установите держатель адаптера и закрепите
19 R Подготовка Закрепление ремня ручки Держа видеокамеру правой рукой, отрегулируйтеремень левой рукой. Отрегулируйте ремень ручки таким образом, чтобыуказательный и средний пальцы доставали до рычагазуммирования, а большой палец доставал до кнопкипуска/остановки. Закрепление наплечного ремня Пропу...
Страница 19 - Подготовка объектива; Установка объектива
20 Подготовка объектива Ñì. òàêæå èíñòðóêöèþ ïî ýêñïëóàòàöèè îáúåêòèâà. Установка объектива 1. Переведите диск POWER в положение OFF (Выкл.). 2. Снимите пылезащитные крышки с видео- камеры и с объектива. 3. Совместите красную метку на объективе с красной меткой на видеокамере и повернитеобъектив по ...
Страница 20 - Установка бленды объектива; Установите бленду объектива на торец объектива
21 R Подготовка Установка бленды объектива Óñòàíîâèòå áëåíäó äëÿ ýêðàíèðîâàíèÿ ðàññåÿííîãî ñâåòà è çàùèòû îáúåêòèâà. 1. Установите бленду объектива на торец объектива и наверните ее по часовой стрелке, чтобы логотипCanon был наверху. • Будьте осторожны, чтобы не деформировать бленду объектива. • Убе...
Страница 21 - Беспроводной пульт дистанционного управления; Установка элементов питания; Закройте крышку отсека элементов питания.
22 Беспроводной пульт дистанционного управления Нажимая кнопки, направляйте пульт на датчикдистанционного управления видеокамеры. Видеокамера оснащена тремя датчиками дистанционногоуправления, два расположены спереди и один сзади. Установка элементов питания Ïóëüò äèñòàíöèîííîãî óïðàâëåíèÿ ðàáîòàåò ...
Страница 22 - Откройте крышку отсека для кассеты, сдвинув; До щелчка нажмите на метку; Загрузка/извлечение кассеты
23 R Подготовка Èñïîëüçóéòå òîëüêî âèäåîêàññåòû ñ ëîãîòèïîì D . 1. Откройте крышку отсека для кассеты, сдвинув переключатель EJECT. Отсек для кассеты открывается автоматически. 2. Установите/извлеките кассету. • Кассету следует загружать окошком для ленты наружу.• Для извлечения кассеты вытяните ее ...
Страница 23 - Выбор меню и установок; Меню и настройки
24 Ìíîãèå èç ôóíêöèé âèäåîêàìåðû âûáèðàþòñÿ èç ìåíþ, âûâîäèìûõ íà ýêðàí. Выбор меню и установок 1. Для открытия меню нажмите кнопку MENU.2. Поворачивая диск SET, выберите подменю, затем нажмите диск SET.3. Поворачивая диск SET, выберите пункт меню, затем нажмите диск SET.4. Поворачивая диск SET, выб...
Страница 25 - Отображение даты и времени во время съемки; Откройте меню и выберите пункт [DISPLAY SETUP/
29 R Подготовка 1 24 1 2 3 4 5 6 7 8 9 10 11 12 13 14 15 16 17 18 19 20 21 22 23 2 3 5 6 7 9 8 10 4 12 11 13 24 19 20 18 17 21 23 22 15 14 16 ×àñîâîé ïîÿñ LONDON (Ëîíäîí)PARIS (Ïàðèæ)CAIRO (Êàèð)MOSCOW (Ìîñêâà)DUBAI (Äóáàé)KARACHI (Êàðà÷è)DACCA (Äàêêà)BANGKOK (Áàíãêîê)H. KONG (Ãîíêîíã)TOKYO (Òîêèî)S...
Страница 26 - Перед началом съемки; Съемка; Для начала съемки нажмите кнопку; После завершения съемки
30 Съемка Перед началом съемки Äëÿ ïðîâåðêè ðàáîòû âèäåîêàìåðû ïðåäâàðèòåëüíî ïðîèçâåäèòå òåñòîâóþ ñúåìêó. Ïðè íåîáõîäèìîñòèïðîèçâåäèòå ÷èñòêó âèäåîãîëîâîê ( 108). Съемка 1. Снимите крышку с объектива.2. Нажмите кнопку и установите диск POWER в положение съемки. 3. Для начала съемки нажмите кнопку п...
Страница 27 - Съемка с низкой точки; Кнопка STANDBY
31 R Съемка Съемка с низкой точки Íà ðóêîÿòêå äëÿ ïåðåíîñêè ïðåäóñìîòðåí äóáëèðóþ−ùèé íàáîð îðãàíîâ óïðàâëåíèÿ ñúåìêîé è çóììèðî−âàíèåì, î÷åíü óäîáíûé äëÿ ñúåìêè ñ íèçêîé òî÷êè. Âî èçáåæàíèå ñëó÷àéíîãî íàæàòèÿ êíîïîê ïåðåìåñòèòåðû÷àã LOCK âïðàâî. Механизмы энергосбережения Кнопка STANDBY Åñëè â ðåæè...
Страница 28 - Индикация на экране во время съемки
32 Индикация на экране во время съемки t Индикатор записи r Если мигает символ « j » q Временной код w Оставшаяся лента e Уровень заряда аккумулятора В начале съемки видеокамера отсчитывает от 1 до 10 с.Это помогает предотвратить съемку слишком короткихэпизодов. Указывает время съемки в часах, минут...
Страница 29 - Отображение метки центра
Можно выбрать один из трех уровней объема информации, отображаемой на дисплее: полная, частичная и нет информации.Режим изменяется при каждом нажатии кнопки EVF DISPLAY. * Если для пункта [GUIDE INFO] (СПРАВОЧНАЯ ИНФОРМАЦИЯ) задано значение [D/T DISPLAY] (ВЫВОД ДАТЫ И ВРЕМЕНИ). Отображение метки цен...
Страница 30 - Быстрый просмотр и поиск во время съемки; Быстрый просмотр записи; Нажмите и отпустите кнопку; Поиск записи
34 Быстрый просмотр и поиск во время съемки Быстрый просмотр записи Â ðåæèìå ïàóçû çàïèñè ýòà ôóíêöèÿ ïîçâîëÿåò ïðîâåðèòü íåñêîëüêî ïîñëåäíèõ ñåêóíä çàïèñè. Нажмите и отпустите кнопку c (Просмотр записи). Видеокамера перематывает кассету назад, воспроизводит несколько последних секунд записи и возвр...
Страница 31 - Поиск конца записи; Нажмите кнопку END SEARCH.
35 R Съемка Поиск конца записи Ýòà ôóíêöèÿ ñëóæèò äëÿ ïîèñêà êîíöà ïîñëåäíåãî ñíÿòîãî ñþæåòà. Нажмите кнопку END SEARCH. • Отображается символ «END SEARCH» (Поиск конца).• Видеокамера перематывает кассету назад или вперед, воспроизводит несколько последних секунд записи и останавливает кассету. • Пр...
Страница 32 - «Наезд»/«отъезд» видеокамеры; Переменная скорость зуммирования; Рычаг зуммирования на боковой ручке; Рычаг зуммирования на ручке для переноски
36 «Наезд»/«отъезд» видеокамеры Çóììèðîâàíèåì ìîæíî óïðàâëÿòü ñ áîêîâîé ðó÷êè èëè ñ ðóêîÿòêè äëÿ ïåðåíîñêè. Ìîæíî òàêæå èñïîëüçîâàòü êîëüöîçóììèðîâàíèÿ íà çóì−îáúåêòèâå èëè êíîïêè çóììèðîâàíèÿ íà áåñïðîâîäíîì ïóëüòå äèñòàíöèîííîãî óïðàâëåíèÿ. Для «отъезда» видеокамеры (широкоугольное положение) сдви...
Страница 33 - Кольцо зуммирования; Задание фиксированного положения зуммирования; Переместите переключатель POSITION PRESET ON/SET в положение ON.
37 R Съемка Кольцо зуммирования Ñêîðîñòü çóììèðîâàíèÿ çàâèñèò îò ñêîðîñòè ïîâîðîòà êîëüöà çóììèðîâàíèÿ. Кнопки зуммирования на пульте дистанционного управления Ñêîðîñòü çóììèðîâàíèÿ ïîñòîÿííà è íå ðåãóëèðóåòñÿ. Заданное положение зуммирования (объективы с функцией заданного положения зуммирования) Ý...
Страница 34 - Настройка фокусировки; Автофокусировка (объективы с функцией автофокусировки); Временное отключение автофокусировки
38 Настройка фокусировки Автофокусировка (объективы с функцией автофокусировки) Àâòîôîêóñèðîâêà âêëþ÷åíà, åñëè ñåëåêòîð ôîêóñèðîâêè íà îáúåêòèâå íàõîäèòñÿ â ïîëîæåíèè AF.  âèäåîêàìåðåèñïîëüçóåòñÿ ñèñòåìà àâòîôîêóñèðîâêè TTL ñ äèàïàçîíîì ôîêóñèðîâêè îò 2 ñì (â øèðîêîóãîëüíîì ïîëîæåíèèîò òîðöà îïðàâû...
Страница 35 - Ручная фокусировка; Временное переключение в режим автофокусировки; Нажмите на объективе переключатель
39 R Съемка Ручная фокусировка 1. Объективы с функцией автофокусировки: переместите селектор фокусировки на объективе в положение M. 2. Установите объектив в положение телефото.3. Настройте фокус, поворачивая кольцо фокусировки.4. Кадрируйте объект с помощью зуммирования. Если после ручной установки...
Страница 36 - Задание фиксированного положения фокусировки; Установите селектор фокусировки в положение M.; Задание скорости возврата в заданное положение фокусировки; Возврат в заданное положение фокусировки
40 Заданное положение фокусировки (объективы с функцией заданного положения фокусировки) Ýòà ôóíêöèÿ ïîçâîëÿåò çàïîìíèòü ïîëîæåíèå ôîêóñèðîâêè äëÿ áûñòðîãî âîçâðàòà ê ýòîìó ïîëîæåíèþ. Ìîæíîòàêæå çàäàòü ñêîðîñòü âîçâðàùåíèÿ â çàäàííîå ïîëîæåíèå ôîêóñèðîâêè. Задание фиксированного положения фокусировк...
Страница 37 - С объективом 20; Фильтр нейтральной плотности (объективы со встроенным фильтром); Индикация на экране
41 R Съемка Âî âðåìÿ ñúåìêè ïðè ÿðêîì îñâåùåíèè â âèäåîêàìåðå óñòàíàâëèâàåòñÿ ìàëàÿ âåëè÷èíà äèàôðàãìû, è èçîáðàæåíèåìîæåò âûãëÿäåòü ñìàçàííûì. Ïðè èñïîëüçîâàíèè îáúåêòèâà ñî âñòðîåííûì ôèëüòðîì íåéòðàëüíîé ïëîòíîñòèâêëþ÷èòå èëè âûêëþ÷èòå ôèëüòð â ñîîòâåòñòâèè ñ èíäèêàöèåé íà ýêðàíå. С объективом 20...
Страница 38 - Установите переключатель FRAME RATE в требуемое положение.; Выбор частоты кадров
42 Âûáåðèòå ñòàíäàðòíûé ðåæèì 50i èëè 25p. Режим 50i Ñúåìêà ñ ÷àñòîòîé 50 êàäðîâ/ñ â ÷åðåñïîëîñíîì ðåæèìå, êàê â òåëåâèçèîííîì ñèãíàëå. Режим 25p Ñúåìêà ñ ÷àñòîòîé 25 êàäðîâ/ñ â ïðîãðåññèâíîì ðåæèìå ñ ïðåîáðàçîâàíèåì âûõîäíûõ ñèãíàëîâ â ÷åðåñïîëîñíûéðåæèì ñ ÷àñòîòîé êàäðîâ 50 êàäðîâ/ñ. Установите пе...
Страница 39 - Установите переключатель ASPECT RATIO в положение 16:9.
43 R Съемка Âèäåîêàìåðà èñïîëüçóåò âñþ øèðèíó ìàòðèöû ÏÇÑ, ñîõðàíÿÿ êà÷åñòâî èçîáðàæåíèÿ è îáåñïå÷èâàÿ áîëüøèé óãîëîáçîðà ïî ãîðèçîíòàëè. Установите переключатель ASPECT RATIO в положение 16:9. Формат экрана изменяется на широкоэкранный. ❍ При воспроизведении записи в формате 16:9 на экране обычного...
Страница 40 - Выбор варианта отсчета времени; Установка временного кода
44 Выбор варианта отсчета времени Äëÿ âðåìåííîãî êîäà ìîæíî âûáðàòü âàðèàíò îòñ÷åòà âðåìåíè ñúåìêè (REC−RUN), îòñ÷åòà âðåìåíè ñúåìêè ñ çàäàííûì íà÷àëîì (REC−RUN PS.), ñâîáîäíîãî îòñ÷åòà âðåìåíè (FREE−RUN).  ñëó÷àå îòñ÷åòà âðåìåíè ñúåìêèâðåìåííîé êîä îòñ÷èòûâàåòñÿ òîëüêî âî âðåìÿ ñúåìêè.  ñëó÷àå ñâ...
Страница 41 - Отображение пользовательского бита; Установка пользовательского бита
45 R Съемка Èíäèêàöèÿ ïîëüçîâàòåëüñêîãî áèòà ïðîèçâîäèòñÿ â øåñòíàäöàòåðè÷íîé ñèñòåìå ñ÷èñëåíèÿ è ñîäåðæèò êîìáèíàöèþèç âîñüìè öèôð èëè áóêâ. Âñåãî âîçìîæíî 16 ðàçëè÷íûõ ñèìâîëîâ – öèôðû îò 0 äî 9 è áóêâû îò A äî F.Ýòî óäîáíî äëÿ ìàðêèðîâêè êàññåò. 1. Откройте меню и выберите пункты [VCR SETUP] (НАС...
Страница 42 - Запись звука
46 Ìîæíî óñòàíîâèòü 16−áèòíûé èëè 12−áèòíûé çâóêîâîé ðåæèì.  12−áèòíîì ðåæèìå âîçìîæåí âûáîð çàïèñè ïî äâóì êàíàëàì (ïðè ýòîì äâà êàíàëà îñòàþòñÿ ñâîáîäíûìè äëÿ ïîñëåäóþùåãî íàëîæåíèÿ çâóêà (12bit CH ))èëè çàïèñü îäíîâðåìåííî ïî ÷åòûðåì êàíàëàì (12bit CH , ).×àñòîòà äèñêðåòèçàöèè â 16−ðàçðÿäíîì ðåæ...
Страница 43 - Запись по каналам 1 и 2; При использовании переднего микрофона; Установите переключатель INPUT SELECT в положение FRONT MIC.; При подключении к разъемам XLR
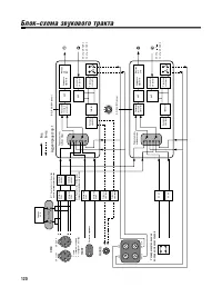
47 R Съемка Запись по каналам 1 и 2 Âûáåðèòå àóäèîâõîä FRONT MIC (ìèêðîôîí èç êîìïëåêòà ïîñòàâêè), AUDIO1 (ðàçúåìû RCA) èëè REAR (ðàçúåìûXLR). Ñì. òàêæå áëîê−ñõåìó çâóêîâîãî òðàêòà ( 120). При использовании переднего микрофона Установите переключатель INPUT SELECT в положение FRONT MIC. При необходи...
Страница 44 - Запись по каналам 3 и 4; колодку для аксессуаров.
48 Запись по каналам 3 и 4 Âûáåðèòå àóäèîâõîä SHOE (äîïîëíèòåëüíî ïðèîáðåòàåìûé ìèêðîôîííûé àäàïòåð MA−300), AUDIO2 (ðàçúåìû RCA)èëè REAR (ðàçúåìû XLR). Ñì. òàêæå áëîê−ñõåìó çâóêîâîãî òðàêòà ( 120). Äëÿ ïàðàìåòðà [AUDIO MODE] (ÀÓÄÈÎ ÐÅÆÈÌ) äîëæíî áûòü óñòàíîâëåíî çíà÷åíèå [12bit CH , ]. При подсоеди...
Страница 45 - Настройка уровня записи звука; Отображение/скрытие индикатора уровня звука на экране; Автоматическая настройка звука; Установите переключатель REC LEVEL в положение A.; Ручная настройка звука
49 R Съемка Настройка уровня записи звука Отображение/скрытие индикатора уровня звука на экране Откройте меню и выберите пункт [DISPLAY SETUP/ ] (НАСТР. ЭКРАНА/ ). Выберите пункт [AUDIO LEVEL] (УРОВ. АУДИО), затем выберите требуемое значение и закройте меню. Индикатор уровня звука можно также включа...
Страница 47 - Выбор программных режимов автоэкспозиции; Нажмите кнопку и поворачивайте диск POWER.; Авто; Использование программных режимов автоэкспозиции
51 R Съемка Ïðîãðàììíûå ðåæèìû àâòîýêñïîçèöèè îáåñïå÷èâàþò àâòîìàòè÷åñêóþ ñúåìêó ïðîôåññèîíàëüíîãî êà÷åñòâà â ðàçëè÷íûõ óñëîâèÿõ. Выбор программных режимов автоэкспозиции Нажмите кнопку и поворачивайте диск POWER. Отображается символ выбранного режима. Не изменяйте режим во время съемки, так как это...
Страница 48 - Простая съемка
52 Ручной режим ( 56) Ýòîò ðåæèì îáåñïå÷èâàåò òâîð÷åñêóþ ñâîáîäó ñ ïîëíûì ðó÷íûì óïðàâëåíèåì.  ðó÷íîì ðåæèìå ìîæíî óñòàíîâèòü ýêñïîçèöèþ ñ ëþáîé êîìáèíàöèåé âûäåðæêèçàòâîðà è âåëè÷èíû äèàôðàãìû. Прожектор  ðåæèìå «Ïðîæåêòîð» ýêñïîçèöèÿ àâòîìàòè÷åñêè íàñòðàèâàåòñÿ äëÿ ýôôåêòèâíîéñúåìêè èçîáðàæåíèé ...
Страница 50 - Доступные значения выдержки затвора:; Установите диск POWER в положение; Tv; Выберите выдержку затвора кнопкой SHUTTER
54 Доступные значения выдержки затвора: 1/6, 1/12, 1/25, 1/50, 1/120, 1/250, 1/500, 1/1000, 1/2000, 1/4000, 1/8000, 1/16000, CS (óñòðàíåíèå âëèÿíèÿ ÷àñòîòûðàçâåðòêè) 1. Установите диск POWER в положение Tv . 2. Выберите выдержку затвора кнопкой SHUTTER r или t . ❍ Другие параметры (например, величин...
Страница 51 - Съемка в режиме приоритета диафрагма (Av); Av; Выберите величину диафрагмы с помощью диска IRIS.
55 R Съемка Съемка в режиме приоритета диафрагма (Av) Доступны следующие значения величины диафрагмы (для объектива 20 × L IS): F1.6, F2.0, F2.8, F4.0, F5.6, F8.0, F11, CLOSE (Çàêðûòà) 1. Установите диск POWER в положение Av . 2. Выберите величину диафрагмы с помощью диска IRIS. ❍ Другие параметры (...
Страница 52 - или; Съемка в ручном режиме; Доступные установки
56 Ìîæíî óñòàíàâëèâàòü ýêñïîçèöèþ ñ ëþáîé êîìáèíàöèåé âûäåðæêè çàòâîðà è âåëè÷èíû äèàôðàãìû. 1. Установите диск POWER в положение M . Появляется индикатор экспозиции. 2. Выберите величину диафрагмы с помощью диска IRIS.3. Выберите выдержку затвора кнопкой SHUTTER r или t . Съемка в ручном режиме Дос...
Страница 53 - Настройка экспозиции; Фиксация экспозиции; Изменение величины диафрагмы после фиксации экспозиции; Выберите величину диафрагмы с помощью диска IRIS.; Изменение выдержки затвора после фиксации экспозиции; Выберите выдержку затвора кнопкой SHUTTER; Изменение усиления после фиксации экспозиции
57 R Съемка Настройка экспозиции Фиксация экспозиции 1. Установите диск POWER в положение n , Tv или Av . 2. Нажмите кнопку EXP. LOCK. Появляется индикатор экспозиции. Изменение величины диафрагмы после фиксации экспозиции Ìîæíî âûáðàòü îäíî èç 23 çíà÷åíèé âåëè÷èíû äèàôðàãìû (ñ îáúåêòèâîì 20 × L IS)...
Страница 54 - Использование сдвига автоэкспозиции
58 Ñäâèã àâòîýêñïîçèöèè ïîçâîëÿåò âðó÷íóþ èçìåíÿòü çíà÷åíèÿ, çàäàííûå ñèñòåìîé àâòîìàòè÷åñêîé óñòàíîâêèýêñïîçèöèè, ÷òîáû ñäåëàòü èçîáðàæåíèå òåìíåå èëè ñâåòëåå. Ìîæíî âûáðàòü îäíî èç 13 çíà÷åíèéàâòîýêñïîçèöèè (+2.0, +1.5, +1.0, +0.75, +0.5, +0.25, ±0, −0.25, −0.5, −0.75, −1.0, −1.5, −2.0). 1. Устано...
Страница 57 - Установка пользовательского баланса белого; Нажмите кнопку установки баланса белого WHITE BALANCE; Съемка с заранее заданным пользовательским балансом белого; Установите диск POWER в положение любой программы съемки, кроме
61 R Съемка Установка пользовательского баланса белого 1. Нажмите диск WHITE BALANCE, чтобы он выдвинулся наружу.2. Установите диск WHITE BALANCE в положение 1, 2 или 3.3. Наведите видеокамеру на белый объект и с помощью зуммирования добейтесь, чтобы он занимал весь экран. Видеокамера должна быть на...
Страница 58 - Использование полосатого шаблона («зебра»); Выбор уровня полосатого шаблона
62 Использование полосатого шаблона («зебра»)  âèäåîêàìåðå ïðåäóñìîòðåíà ôóíêöèÿ ïîëîñàòîãî øàáëîíà «çåáðà», êîòîðàÿ âûäåëÿåò äèàãîíàëüíûìè ÷åðíûìèè áåëûìè ïîëîñàìè çàñâå÷åííûå îáëàñòè. Ïîëîñàòûé øàáëîí îòîáðàæàåòñÿ òîëüêî íà ýêðàíå. Èñïîëüçóéòå ýòóôóíêöèþ ïðè íàñòðîéêå âåëè÷èíû äèàôðàãìû è âûäåðæê...
Страница 59 - Активизация функции деталей кожи; Определение области кожи; Функция деталей кожи
63 R Съемка Äëÿ îïðåäåëåíèÿ îáëàñòè êîæè è ñãëàæèâàíèÿ ìåëêèõ äåòàëåé (÷òîáû ñäåëàòü ìåíåå çàìåòíûìè äåôåêòû êîæè)ìîæíî íàñòðàèâàòü öâåòîâîé îòòåíîê, öâåò, îáëàñòü è óðîâåíü ñèãíàëà Y. Ïîïåðåìåííî îòîáðàæàþòñÿ ïîëîñàòûéøàáëîí, âûäåëÿþùèé îáëàñòü êîæè, è îáû÷íîå èçîáðàæåíèå (íà ýêðàíå ïîäêëþ÷åííîãî ò...
Страница 62 - Установка пользовательских настроек; который требуется изменить.; Защита файла пользовательских настроек; Сброс файла пользовательских настроек
66 Установка пользовательских настроек 1. Откройте меню и выберите пункт [CUSTOM PRESET] (ПОЛЬЗ. НАСТРОЙКА). 2. Выберите [PRESET SETUP] (ЗАДАНИЕ НАСТРОЙКИ). Открываются пункты для пользовательской настройки. 3. Выберите пункт [SEL PRESET] (ВЫБОР НАСТРОЙКИ), затем выберите файл пользовательских настр...
Страница 63 - Активизация пользовательских настроек; Импорт пользовательской настройки из другой видеокамеры XL2
67 R Съемка Активизация пользовательских настроек 1. Нажмите кнопку CUSTOM PRESET SELECT. • При каждом нажатии кнопки установка изменяется в следующем порядке: «CP1», «CP2», «CP3» и «CP | ». • Если не требуется использовать пользовательскую настройку, установите в видеокамере режим «CP | ». 2. Нажми...
Страница 64 - который требуется импортировать.; который требуется переписать.
68 Импортирование (операции выполняются на видеокамере XL2, в которую производится импорт) 1. Откройте меню и выберите пункт [CUSTOM PRESET] (ПОЛЬЗ. НАСТРОЙКА), затем [READ PRESET] (СЧИТАТЬ НАСТРОЙКУ). Открывается меню IMPORT PRES. (ИМПОРТ НАСТРОЙКИ). 2. Выберите пункт [SEL PRESET] (ВЫБОР НАСТРОЙКИ)...
Страница 66 - Пользовательские кнопки
70 Пользовательские кнопки Ïîëüçîâàòåëüñêèì êíîïêàì ìîæíî íàçíà÷èòü ÷àñòî èñïîëüçóåìûå ôóíêöèè (îòäåëüíî äëÿ ðåæèìà ñúåìêè è ðåæèìàâèäåîìàãíèòîôîíà). Ïîëüçîâàòåëüñêèì êíîïêàì ìîãóò áûòü íàçíà÷åíû ñëåäóþùèå ôóíêöèè: * Ôóíêöèÿ, óïðàâëåíèå êîòîðîé âîçìîæíî òîëüêî ñ ïîìîùüþ ïîëüçîâàòåëüñêèõ êíîïîê. Для ...
Страница 67 - Изменение установок пользовательских кнопок; Запись индексного сигнала
71 R Съемка Изменение установок пользовательских кнопок Откройте меню и выберите пункт [SYSTEM] (СИСТЕМА). Выберите пункт [CUSTOM KEY 1] (ПОЛЬЗОВ.КНОПКА 1) или [CUSTOM KEY 2] (ПОЛЬЗОВ. КНОПКА 2), выберите функцию, назначаемую пользовательскойкнопке и закройте меню. Если не требуется использовать пол...
Страница 69 - Эффект зерна пленки
73 R Съемка 1. Нажмите кнопку F.GRAIN SELECT для отображения индикатора «FILM GRAIN». Режим изменяется при каждом нажатии этой кнопки. Мигает индикатор «FILM GRAIN». 2. Нажмите кнопку F.GRAIN ON/OFF. Индикатор «FILM GRAIN» перестает мигать, и эффект зерна пленки активизируется. Для отключения эффект...
Страница 70 - Запись цветных полос/опорного звукового сигнала; Цветные полосы
74 Запись цветных полос/опорного звукового сигнала Цветные полосы Ïðåäóñìîòðåíà âîçìîæíîñòü ãåíåðàöèè è çàïèñè èñïûòàòåëüíîé òàáëèöû EBU (Åâðîïåéñêèé ñîþç òåëåâåùàíèÿ) â âèäå öâåòíûõ ïîëîñ. 1. Нажмите кнопку BARS SELECT для отображения индикатора «COLOR BARS». Режим изменяется при каждом нажатии это...
Страница 71 - Съемка с помощью таймера интервалов; Выбор интервала и времени съемки
75 R Съемка Съемка с помощью таймера интервалов Ñ ïîìîùüþ òàéìåðà èíòåðâàëîâ ìîæíî ñíèìàòü èçîáðàæåíèå â òå÷åíèå çàäàííîãî âðåìåíè ñ çàäàííûì èíòåðâàëîì.Ýòà ôóíêöèÿ óäîáíà ïðè ñúåìêå öâåòîâ, æèâîòíûõ è äðóãèõ ïðèðîäíûõ ÿâëåíèé. Èíòåðâàë ñúåìêè ìîæåò ñîñòàâëÿòü 30 ñ, 1 ìèí, 5 ìèí è 10 ìèí, à âðåìÿ ñú...
Страница 72 - Для начала съемки нажмите кнопку пуска/остановки.; Для приостановки съемки с таймером интервалов
76 Съемка с помощью таймера интервалов Для начала съемки нажмите кнопку пуска/остановки. • Начинается съемка с таймером интервалов, и индикатор «INT T.» перестает мигать.• Если установлен интервал 30 с или 1 мин, то в перерыве между съемкой видеокамера переключается в режим паузы записи. Если устано...
Страница 73 - Съемка с устройством автоматического пуска
77 R Съемка Съемка с устройством автоматического пуска 1. Нажмите кнопку SELF TIMER на беспроводном пульте дистанционного управления. Появляется символ « ». 2. Нажмите кнопку пуска/остановки. Видеокамера начнет съемку через 10 с (через 2 с при использовании пульта дистанционного управления). На экра...
Страница 74 - Управление цифровыми видеоустройствами; Когда видеокамера XL2 находится в режиме паузы записи
78 Управление цифровыми видеоустройствами Ýòà ôóíêöèÿ ïîçâîëÿåò âèäåîêàìåðå XL2 óïðàâëÿòü ôóíêöèÿìè çàïèñè è îñòàíîâêè ïîäêëþ÷åííîãî óñòðîéñòâàõðàíåíèÿ/çàïèñè ñ èíòåðôåéñîì IEEE1394. Óñòðîéñòâî äîëæíî ïîääåðæèâàòü ïðîòîêîë IEEE1394 AV/C. Ïîëüçîâàòåëè Windows XP ìîãóò òàêæå çàãðóçèòü ïðîãðàììó DV−PC ...
Страница 75 - Наложение экранной индикации; Отключение индикаторов съемки; Прочие функции/настройки видеокамеры
79 R Съемка Изменение режима записи (SP/LP) Ìîæíî âûáðàòü ðåæèì SP (ñòàíäàðòíûé) èëè LP (äëèòåëüíûé). Â ðåæèìå LP åìêîñòü êàññåòû âîçðàñòàåò â 1,5 ðàçà. Для переключения в режим LP откройте меню и выберите пункт [VCR SETUP] (НАСТР. VCR). Выберитепункт [REC MODE] (РЕЖИМ ЗАПИСИ), установите для него з...
Страница 76 - Изменение языка дисплея; Для изменения языка откройте меню и выберите пункт [DISPLAY SETUP/; Изменение формата даты
80 Изменение языка дисплея Âèäåîêàìåðà ïîçâîëÿåò èçìåíèòü ÿçûê ñîîáùåíèé è ïóíêòîâ ìåíþ íà óïðîùåííûé êèòàéñêèé èëè ÿïîíñêèé. Для изменения языка откройте меню и выберите пункт [DISPLAY SETUP/ ] (НАСТР. ЭКРАНА/ ). Выберите пункт [LANGUAGE ] (ЯЗЫК ), выберите язык и закройте меню. ❍ Если язык был изм...
Страница 77 - Воспроизведение кассеты; Для начала воспроизведения нажмите кнопку; Специальные режимы воспроизведения; ae
81 R Воспроизведение Воспроизведение кассеты  ñëó÷àå ïëîõîãî êà÷åñòâà èçîáðàæåíèÿ î÷èñòèòå âèäåîãîëîâêè ñ ïîìîùüþ ÷èñòÿùåé êàññåòû Canon èëèèìåþùèõñÿ â ïðîäàæå ÷èñòÿùèõ êàññåò äëÿ öèôðîâûõ âèäåîêàìåð ( 108). 1. Переведите диск POWER в положение VCR (Видеомагнитофон).2. Для обратной перемотки кассет...
Страница 78 - Диск управления протяжкой
82 SLOW M (Замедленное воспроизведение вперед/назад) Âîñïðîèçâåäåíèå ñî ñêîðîñòüþ, ñîñòàâëÿþùåé ïðèáëèçèòåëüíî 1/3 îò îáû÷íîé. Íàæìèòå ýòó êíîïêó íà ïóëüòåäèñòàíöèîííîãî óïðàâëåíèÿ âî âðåìÿ îáû÷íîãî âîñïðîèçâåäåíèÿ èëè âîñïðîèçâåäåíèÿ íàçàä. Äëÿ âîçâðàòà ê îáû÷íîìó âîñïðîèçâåäåíèþ íàæìèòå êíîïêó e (...
Страница 79 - Просмотр на экране телевизора
83 R Воспроизведение Просмотр на экране телевизора Телевизоры с входным разъемом S (S1)-video Ñì. òàêæå ðóêîâîäñòâî ïîëüçîâàòåëÿ òåëåâèçîðà èëè âèäåîìàãíèòîôîíà. 1. Перед началом подключения выключите все устройства. 2. Для подключения к разъемам S-video используйте кабель S-video S-150.3. Подключит...
Страница 80 - Телевизоры с разъемом SCART
84 Телевизоры с разъемом SCART Ñì. òàêæå ðóêîâîäñòâî ïîëüçîâàòåëÿ òåëåâèçîðà èëè âèäåîìàãíèòîôîíà. 1. Перед началом подключения выключите все устройства. 2. Подключите адаптер PC-A10 SCART к разъему SCART телевизора или видеомагнитофона.3. Подключите стереофонический видеокабель STV-150 к разъемам V...
Страница 81 - Телевизоры с разъемами аудио/видео
85 R Воспроизведение Телевизоры с разъемами аудио/видео Ñì. òàêæå ðóêîâîäñòâî ïîëüçîâàòåëÿ òåëåâèçîðà èëè âèäåîìàãíèòîôîíà. 1. Перед началом подключения выключите все устройства. 2. Подключите стереофонический видеокабель STV-150 к разъемам VIDEO и AUDIO1 видеокамеры и к разъемам аудио/видео телевиз...
Страница 82 - Аудиовыход; Выбор аудиовыхода разъемов RCA; Нажмите кнопку AUDIO MONITOR.; Выбор аудиоканалов; и CH3/4 на беспроводном пульте дистанционного управления.
86 Аудиовыход Êíîïêà AUDIO MONITOR Ðàçúåìû AUDIO2 RCA Ðàçúåìû AUDIO1 RCA Выбор аудиовыхода разъемов RCA Нажмите кнопку AUDIO MONITOR. При каждом нажатии кнопки настройка изменяется в следующем порядке: CH , CH и CH + CH . Выбор аудиоканалов Откройте меню и выберите пункт [AUDIO SETUP] (НАСТР. АУДИО)...
Страница 83 - Возврат в ранее отмеченное положение
87 R Воспроизведение Возврат в ранее отмеченное положение Åñëè âïîñëåäñòâèè áóäåò íóæíî âåðíóòüñÿ ê íåêîòîðîìó îïðåäåëåííîìó ñþæåòó, ïîìåòüòå ýòî ìåñòî íóëåâîéîòìåòêîé â ïàìÿòè; ïðè ïåðåìîòêå êàññåòû âïåðåä èëè íàçàä ëåíòà îñòàíîâèòñÿ â ýòîé òî÷êå. Ýòà ôóíêöèÿ óïðàâëÿåòñÿ ñ ïóëüòà äèñòàíöèîííîãî óïð...
Страница 84 - Индексный поиск
88 Индексный поиск Ïðåäóñìîòðåíà âîçìîæíîñòü ïîèñêà òî÷êè, â êîòîðîé áûë çàïèñàí èíäåêñíûé ñèãíàë ( 71). Ýòà ôóíêöèÿ óïðàâëÿåòñÿ ñ ïóëüòà äèñòàíöèîííîãî óïðàâëåíèÿ. 1. Кнопкой SEARCH SELECT выведите на экран индикатор «INDEX SEARCH».2. Для начала поиска нажмите кнопку + или - . • Для поиска следующи...
Страница 85 - Поиск даты
89 R Воспроизведение Поиск даты Ôóíêöèÿ ïîèñêà äàòû ïîçâîëÿåò èñêàòü ìåñòà ñìåíû äàòû/÷àñîâîãî ïîÿñà.Ýòà ôóíêöèÿ óïðàâëÿåòñÿ ñ ïóëüòà äèñòàíöèîííîãî óïðàâëåíèÿ. 1. Кнопкой SEARCH SELECT выведите на экран индикатор «DATE SEARCH».2. Для начала поиска нажмите кнопку + или - . • Для поиска следующих мес...
Страница 86 - Отображение кода данных; Выбор варианта индикации даты и времени; Выбор варианта индикации кода данных
90 Отображение кода данных Âèäåîêàìåðà ðåãèñòðèðóåò êîä äàííûõ, ñîäåðæàùèé äàòó è âðåìÿ ñúåìêè, à òàêæå äðóãèå ïàðàìåòðû êàìåðû,òàêèå, êàê âûäåðæêà çàòâîðà, óñèëåíèå è ýêñïîçèöèÿ (äèàôðàãìåííîå ÷èñëî). Ïðè âîñïðîèçâåäåíèè êàññåòûìîæíî âûâåñòè íà ýêðàí äàòó è âðåìÿ è âûáðàòü òðåáóåìûé âàðèàíò èíäèêàö...
Страница 87 - Нажмите кнопку DATA CODE на пульте дистанционного управления.; Автоматический вывод даты на шесть секунд
91 R Воспроизведение Отображение кода данных Нажмите кнопку DATA CODE на пульте дистанционного управления. При следующем включении видеокамеры код данных не отображается. Автоматический вывод даты на шесть секунд Äàòà è âðåìÿ âûâîäÿòñÿ íà 6 ñ ïðè íà÷àëå âîñïðîèçâåäåíèÿ èëè ïðè èçìåíåíèè äàòû ëèáî ÷à...
Страница 88 - Отключение датчика дистанционного управления; Изменение режима датчика дистанционного управления; режима 2 нажмите кнопку ZOOM
92 Изменение режима датчика дистанционного управления Äëÿ ïðåäîòâðàùåíèÿ ïîìåõ îò äðóãèõ èñïîëüçóåìûõ ïîáëèçîñòè áåñïðîâîäíûõ ïóëüòîâ äèñòàíöèîííîãî óïðàâëåíèÿCanon ïðåäóñìîòðåíû äâà ðåæèìà ðàáîòû è âîçìîæíîñòü îòêëþ÷åíèÿ äàò÷èêà äèñòàíöèîííîãî óïðàâëåíèÿ. Отключение датчика дистанционного управлени...
Страница 89 - Запись на видеомагнитофон или цифровое видеоустройство; Подключение устройств; Подключение видеомагнитофона; Подключение цифрового видеоустройства; после завершения копирования.
93 R Монтаж Запись на видеомагнитофон или цифровое видеоустройство Çàïèñè ìîæíî ñêîïèðîâàòü, ïîäêëþ÷èâ âèäåîêàìåðó ê âèäåîìàãíèòîôîíó èëè öèôðîâîìó âèäåîóñòðîéñòâó. Ïðèïîäêëþ÷åíèè ê öèôðîâîìó âèäåîóñòðîéñòâó ïðè êîïèðîâàíèè çàïèñåé êà÷åñòâî èçîáðàæåíèÿ è çâóêà ïðàêòè÷åñêèíå ñíèæàåòñÿ. Подключение ус...
Страница 90 - Подсоедините видеокамеру к аналоговому видеоустройству.; на пульте
94 Запись с аналогового видеоустройства (видеомагнитофона, телевизора или видеокамеры) Äàííàÿ âèäåîêàìåðà ïîçâîëÿåò çàïèñûâàòü íà êàññåòó âèäåî− è òåëåâèçèîííûå ïðîãðàììû ñ âèäåîìàãíèòîôîíàèëè àíàëîãîâîé âèäåîêàìåðû. 1. Подсоедините видеокамеру к аналоговому видеоустройству. См. раздел Просмотр на э...
Страница 91 - Подсоедините видеокамеру к цифровому видеоустройству.
95 R Монтаж Запись с цифрового видеоустройства (цифровая перезапись видео) Ïðè çàïèñè ñ äðóãîãî öèôðîâîãî âèäåîóñòðîéñòâà, îñíàùåííîãî DV−ðàçúåìîì, êà÷åñòâî èçîáðàæåíèÿ è çâóêàïðàêòè÷åñêè íå ñíèæàåòñÿ. 1. Подсоедините видеокамеру к цифровому видеоустройству. См. раздел Подключение цифрового видеоуст...
Страница 94 - Включение аналого-цифрового преобразователя
98 Включение аналого-цифрового преобразователя Откройте меню и выберите пункт [VCR SETUP] (НАСТР. VCR). Выберите пункт [AV \ DV], установите для него значение [ON] (ВКЛ.) и закройте меню. ❍ В зависимости от сигнала, поступающего с подключенного устройства, преобразование аналогового сигнала вцифрово...
Страница 98 - Отключение индикации на экране видеокамеры; Отключение/включение индикации на экране телевизора
102 Отключение индикации на экране видеокамеры Äëÿ âîñïðîèçâåäåíèÿ íà ÷èñòîì ýêðàíå ìîæíî óáðàòü èíäèêàöèþ ñ ýêðàíà. Откройте меню и выберите пункт [DISPLAY SETUP/ ] (НАСТР. ЭКРАНА/ ). Выберите пункт [DISPLAYS] (ИНИДКАЦИЯ), установите для него значение [OFF <PLAYBK>] (ВЫКЛ. <ВОСПР>) и за...
Страница 103 - Видоискатель
107 R Дополнительная информация Видоискатель 1. Потяните наглазник вверх и откройте защитную крышку (например, отверткой с плоским жалом). 2. Для чистки стекла используйте ватный тампон. 3. Установите на место защитную крышку. Будьте осторожны, чтобы не поцарапать стекло во время чистки.
Страница 111 - Адаптер EF XL; Видоискатель с монохромной ЭЛТ FU-1000; Зум-объектив с ручным управлением 16
115 R Дополнительная информация Экстендер XL 1,6 × Ïðè óñòàíîâêå ýòîãî ýêñòåíäåðà ìåæäó îáúåêòèâîìCanon XL è âèäåîêàìåðîé XL2 ôîêóñíîå ðàññòîÿíèåîáúåêòèâà óâåëè÷èâàåòñÿ â 1,6 ðàçà. Адаптер EF XL Ïîçâîëÿåò óñòàíàâëèâàòü íà âèäåîêàìåðó XL2 îáúåêòèâûCanon EF. Ðàçëè÷èå ðàçìåðîâ 1/3" ìàòðèöû ÏÇÑ âèäå...
Страница 113 - Система; Технические характеристики
117 R Дополнительная информация XL2 Система Система видеозаписи 2 âðàùàþùèåñÿ ãîëîâêè, DV−ñèñòåìà ñ íàêëîííîé ìåõàíè÷åñêîé ðàçâåðòêîé (ÑèñòåìàSD äëÿ áûòîâûõ öèôðîâûõ âèäåîìàãíèòîôîíîâ), öèôðîâàÿ êîìïîíåíòíàÿ çàïèñü Система звукозаписи Öèôðîâîé çâóê ÈÊÌ: 16 áèò (48 êÃö/2 êàíàëà); 12 áèò (32 êÃö/4 êàí...
Страница 114 - Питание/другие параметры; Объектив; Компактный блок питания CA-920
118 Питание/другие параметры Напряжение питания (номин.) 7,2 Â= Потребляемая мощность 7,1 Âò (ñúåìêà ñ àâòîôîêóñèðîâêîé, ñ îáúåêòèâîì 20 × L IS) Рабочий диапазон температур 0 – 40 °C Габариты (Ш × В × Г) 225 × 220 × 496 ìì Вес (только корпус видеокамеры) 2410 ã (полностью снаряженная) 3545 ã Объекти...
Страница 118 - ДЛЯ ЗАМЕТОК
ДЛЯ ЗАМЕТОК . . . . . . . . . . . . . . . . . . . . . . . . . . . . . . . . . . . . . . . . . . . . . . . . . . . . . . . . . . . . . . . . . . . . . . . . . . . . . . . . . . . . . . . . . . . . . . . . . . . . . . . . . . . . . . . . . . . . . . . . . . . . . . . . . . . . . . . . . . . . . . . . ...
Страница 120 - Русский; ЦИФРОВАЯ ВИДЕОКАМЕРА; Руководство по эксплуатации; Mini; PAL
0043W166PUB.DIE−2110000Ni0.0 © CANON INC. 2004 DY8−9020−142−000 ОТПЕЧАТАНО В ФИНЛЯНДИИ CANON INC. CANON EUROPA N.V. Bovenkerkerweg 59−61, P.O. Box 2262, 1180 EG Amstelveen, The Netherlands CANON NORTH-EAST OY Huopalahdentie 24, P.O.Box 46, FIN−00351, Helsinki, FINLAND (Финляндия), http:// www.canon....