Yamaha EF1000FW 2012 - инструкции и руководства
Генератор Yamaha EF1000FW 2012 - инструкции пользователя по применению, эксплуатации и установке на русском языке читайте онлайн в формате pdf
Инструкции:
Инструкция по эксплуатации Yamaha EF1000FW 2012
1
2
3
4
5
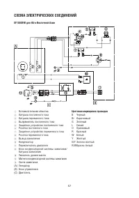
6
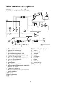
7
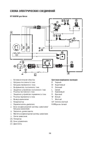
8
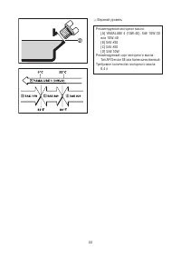
9
10
11
12
13
14
15
16
17
18
19
20
21
22
23
24
25
26
27
28
29
30
31
32
33
34
35
36
37
38
39
40
41
42
43
44
45
46
47
48
49
50
51
52
53
54
55
56
57
58
59
60
Yamaha Генераторы Инструкции
-
Yamaha EF2000iS 2012
Инструкция по эксплуатации
-
Yamaha EF 2600 FW 7C2322-070A
Инструкция по эксплуатации
-
Yamaha EF 5500 EFW 7P5317-070A
Инструкция по эксплуатации
-
Yamaha EF 7200 E 7P6321-070A
Инструкция по эксплуатации
-
Yamaha EF 1000 iS 7CG307-090A
Инструкция по эксплуатации
-
Yamaha EF 2000 iS 7PB329-060A
Инструкция по эксплуатации
-
Yamaha EDL 13000 TE Q9C101-5010
Инструкция по эксплуатации
-
Yamaha EDL 20000 TE Q9C201-5010
Инструкция по эксплуатации
-
Yamaha EDL 21000 E Q9CF01-5010
Инструкция по эксплуатации
-
Yamaha EDL 26000 TE Q9C30110266
Инструкция по эксплуатации
-
Yamaha ET950 2012
Инструкция по эксплуатации
-
Yamaha ET650 2012
Инструкция по эксплуатации
-
Yamaha EF6600 2012
Инструкция по эксплуатации
-
Yamaha EF6300iSE 2012
Инструкция по эксплуатации
-
Yamaha EF5200FW 2012
Инструкция по эксплуатации
-
Yamaha EF4000FW 2012
Инструкция по эксплуатации
-
Yamaha EF2800i 2012
Инструкция по эксплуатации
-
Yamaha EF2600FW 2012
Инструкция по эксплуатации
-
Yamaha EF13000TE 2012
Инструкция по эксплуатации
-
Yamaha EF12000E 2012
Инструкция по эксплуатации