Страница 2 - Ваши замечания и предложения присылайте по адресу; СОДЕРЖАНИЕ
2 Паспорт сделан в соответствии с ГОСТ 2.601, 2.105 Ваши замечания и предложения присылайте по адресу 195279, Санкт- Петербург, а /я 132, шоссе Революции, 90 Тел. (812) 301-99-40, тел./факс (812) 327-63-82 Сервис-центр: (812) 493-35-98 www.teplomash.ru СОДЕРЖАНИЕ 1 НАЗНАЧЕНИЕ ..........................
Страница 4 - П р о д о л ж е н и е т а б л и ц ы 1; УСТРОЙСТВО И ПОРЯДОК РАБОТЫ; У п р а в л е н и е з а в е с о й; приобретаются отдельно согласно проекта защиты проема.; Д о п о л н и т е л ь н о е о б о р у д о в а н и е
4 П р о д о л ж е н и е т а б л и ц ы 1 Завесы c электрическим источником тепла КЭВ-24П5061Е арт.125004 КЭВ-36П5061Е арт.125005 КЭВ-48П5061Е арт.125006 Параметры питающей сети, В/Гц 380/50 Режимы мощности 1 , кВт */12/24 */18/36 */24/48 Расход воздуха, м 3 /ч 7100/8200/9000 Скорость воздуха на выход...
Страница 7 - ТЕХНИЧЕСКОЕ ОБСЛУЖИВАНИЕ
7 7.5 В в о д з а в е с ы в э к с п л у а т а ц и ю 7.5.1 При вводе завесы в эксплуатацию необходимо: – убедиться в отсутствии препятствий для всасывания воздуха; – проверить напряжение питания; – Кратковременным включением изделия проверить соответствие направления вращения вентиляторов направлению...
Страница 8 - Использование непригодной завесы ЗАПРЕЩЕНО!; ВОЗМОЖНЫЕ НЕИСПРАВНОСТИ И СПОСОБЫ ИХ УСТРАНЕНИЯ
8 9 ПРАВИЛА ХРАНЕНИЯ И ТРАНСПОРТИРОВАНИЯ 9.1 Завеса упакована в деревянный ящик и может транспортироваться всеми видами крытого транспорта при температуре от минус 50 до плюс 50 ° С и относительной влажности не более 80% (при температуре 25ºС). 9.2 При транспортировании кронштейны завесы установлены...
Страница 9 - ГАРАНТИЙНЫЕ ОБЯЗАТЕЛЬСТВА; П р о д о л ж е н и е т а б л и ц ы 3
9 Завеса работает, но не обеспечивает требуемую температуру воздуха в помещении Наружные условия (температура воздуха и скорость ветра) оказались более «жесткими», чем расчетные Принять временные меры по механической защите проема. Приточно-вытяжная механическая вентиляция разбалансирована: давление...
Страница 10 - Рисунок 2. Габаритные и присоединительные размеры
10 А Б А Б 1466 1520,8 30 0 m in L 1 L 71 0 74 3 77 0 105 75 Место ввода силового кабеля ; место вывода кабеля управления 99 0 67 0 100 97 5 103,3 75 Всасывание Всасывание Нагнетание Нагнетание A 2 A 3 1238 Модель завесы Размеры , мм n L L 1 l A A 1 A 2 A 3 КЭВ -18;24;36 П 5051E 1520 1470 430 660 - ...
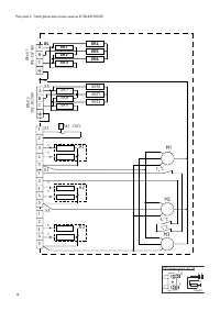
Страница 11 - Рисунок 3. Электрическая схема завесы КЭВ-18П5051Е; t C
11 Рисунок 3. Электрическая схема завесы КЭВ-18П5051Е 3 2 1 5 4 3 2 1 5 4 3 2 1 5 4 X1 X2 X3 ÅÊ1...ÅÊ3 ÅÊ4...ÅÊ6 SK1 120 ° C 3 5 4 3 5 4 3 5 4 0 t C ì 0 t C ì Ì1 Ì2 X5 X4 À1 À2 À3 t 3PE~50/380 Ââîä 1 3PE~50/380 Ââîä 2 Â À Ñ Â À Ñ 3 ТЭН-резистор А1, А2, А3 3 R1 R 2R1 2 R2 4 4 5 5
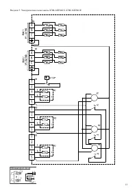
Страница 14 - Рисунок 6. Электрическая схема завесы КЭВ-48П5061Е
14 Â À Ñ Â À Ñ 3 2 1 5 4 3 2 1 5 4 3 2 1 5 4 X1 X2 X3 SK1 120 ° C 5 5 5 3 3 3 4 4 4 Ì3 0 t C ì t ° C ì t ° C ì Ì2 Ì1 X 4 X 4 X5 ÅÊ1 ÅÊ7 ÅÊ1 ÅÊ2 ÅÊ8 ÅÊ2 ÅÊ3 ÅÊ9 ÅÊ3 ÅÊ4 ÅÊ10 ÅÊ4 ÅÊ5 ÅÊ11 ÅÊ5 ÅÊ6 ÅÊ12 ÅÊ6 À1 À2 À3 3PE~50/380 Ââîä 1 3PE~50/380 Ââîä 2 t Рисунок 6. Электрическая схема завесы КЭВ-48П5061Е...
Страница 15 - ДЛЯ ЗАМЕТОК
15 ДЛЯ ЗАМЕТОК _____________________________________________________________________________________ _____________________________________________________________________________________ _____________________________________________________________________________________ ___________________________...
Страница 16 - СВИДЕТЕЛЬСТВО О ПРИЕМКЕ; Дата изготовления; СВИДЕТЕЛЬСТВО О ПОДКЛЮЧЕНИИ; Подключена к сети в соответствии с п.7 Паспорта; СБ
16 13 СВИДЕТЕЛЬСТВО О ПРИЕМКЕ Воздушно-тепловая завеса модели: (нужное отметить) КЭВ-18П5051Е КЭВ-24П5061Е КЭВ-24П5051Е КЭВ-36П5061Е КЭВ-36П5051Е КЭВ-48П5061Е Заводской номер №_______________________ Воздушно-тепловая завеса изготовлена и принята в соответствии с требованиями ТУ 4864-036-54365100-20...