Страница 2 - СОДЕРЖАНИЕ; Паспорт сделан в соответствии с ГОСТ
2 СОДЕРЖАНИЕ 1 НАЗНАЧЕНИЕ ........................................................................................................................................................................ 3 2 УСЛОВИЯ ЭКСПЛУАТАЦИИ ...................................................................................
Страница 3 - B III; ТЕХНИЧЕСКИЕ ХАРАКТЕРИСТИКИ; проема боковой завесы только для «мягких» наружных условий (tн ≥ 0°
3 1 НАЗНАЧЕНИЕ 1.1 Интерьерные воздушно - тепловые завесы «Эллипс» смесительного типа КЭВ -12:18;24 П 6011 Е , КЭВ - 24;36;48 П 6031 Е , именуемые в дальнейшем «завесы», предназначены для защиты открытого проема (двери) высотой до 3,5 метров от проникновения холодного наружного воздуха внутрь здания...
Страница 4 - П р о д о л ж е н и е т а б л и ц ы; УСТРОЙСТВО И ПОРЯДОК РАБОТЫ; RAL
4 П р о д о л ж е н и е т а б л и ц ы 1 Завесы c электрическим источником тепла КЭВ -24 П 6031 Е КЭВ -36 П 6031 Е КЭВ -48 П 6031 Е Параметры питающей сети, В/Гц 380/50 Режимы мощности 1 , кВт */12/24 */18/36 */26,9/48 Расход воздуха, м 3 /ч 4450/5100/5400 Условная скорость струи на выходе из завесы,...
Страница 5 - только
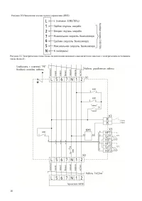
5 « » - кнопка включения/выключения завесы. « » - кнопка включения и переключения режимов тепловой мощности завесы. В общем случае переключение происходит по схеме: 50% мощности 100% мощности Нагрев выключен При переключении режимов мощности напротив пиктограмм « » (50%) или « » и « » (100%) загораю...
Страница 6 - УКАЗАНИЕ МЕР БЕЗОПАСНОСТИ
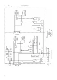
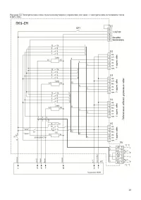
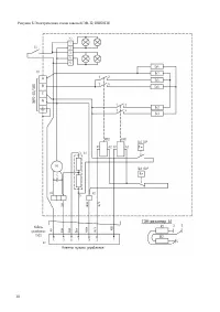
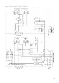
6 срабатывания 3 00mA (только для групп завес), при подключении силового кабеля необходимо руководствоваться п. 4.5 в части подключения силового кабеля. В ПКУ - ЕМ также предусмотрена возможность подключения концевого выключателя на контакты «К». Электрическая схема ПКУ - ЕМ представлена на рисунке ...
Страница 7 - ЗАПРЕЩАЕТСЯ
7 6 КОМПЛЕКТ ПОСТАВКИ 6.1 Воздушно - тепловая завеса «Эллипс» - 1 шт. 6.2 Пульт управления IR03 - 1 шт. 6.3 Выключатель освещения - 1 шт. 6.4 Комплект крепежных штанг - 1 комплект 6.5 Паспорт - 1 шт. Отдельные поставочные единицы по согласованию с заказчиком 6.6 Блок -E. 6.7 Концевой выключатель . 6...
Страница 10 - ГАРАНТИЙНЫЕ ОБЯЗАТЕЛЬСТВА
10 12 ГАРАНТИЙНЫЕ ОБЯЗАТЕЛЬСТВА 12.1 Предприятие - изготовитель гарантирует надежную и бесперебойную работу завесы в течение 24 месяцев со дня продажи. 12.2 Если какая - либо деталь выйдет из строя по причине дефекта материала или изготовления она будет бесплатно отремонтирована или заменена ЗАО «НП...
Страница 11 - П р и м е ч а н и е
11 Т а б л и ц а 4- Номинальные токи и сечения медных проводов подводящих кабелей для завес Модель завесы КЭВ -12 П 6011 Е КЭВ -18 П 6011 Е КЭВ -24 П 6011 Е 380В Автоматический выключатель 25А 40А 50А Кабель 5х4,0 5х6,0 5х10,0 П р о д о л ж е н и е т а б л и ц ы 4 Модель завесы КЭВ - 24П6031Е КЭВ - ...
Страница 20 - СБ
20 13 СВИДЕТЕЛЬСТВО О ПРИЕМКЕ Воздушно - тепловая завеса марки : (нужное отметить) КЭВ -12 П 6011 Е КЭВ -24 П 6031 Е КЭВ -18 П 6011 Е КЭВ -36 П 6031 Е КЭВ -24 П 6011 Е КЭВ -48 П 6031 Е Заводской номер №________________ _____ Интерьерная воздушно - тепловая завеса «Эллипс» смесительного типа изготовл...