Тепломаш КЭВ-18П6011Е - инструкции и руководства

Тепловая завеса Тепломаш КЭВ-18П6011Е - инструкции пользователя по применению, эксплуатации и установке на русском языке читайте онлайн в формате pdf

1 Page 1
2 Page 2
3 Page 3
4 Page 4
5 Page 5
6 Page 6
7 Page 7
8 Page 8
9 Page 9
10 Page 10
11 Page 11
12 Page 12
13 Page 13
14 Page 14
15 Page 15
16 Page 16
17 Page 17
18 Page 18
19 Page 19
20 Page 20

Краткое содержание

Страница 2 - СОДЕРЖАНИЕ; Паспорт сделан в соответствии с ГОСТ

2 СОДЕРЖАНИЕ 1 НАЗНАЧЕНИЕ ........................................................................................................................................................................ 3 2 УСЛОВИЯ ЭКСПЛУАТАЦИИ ...................................................................................

Страница 3 - B III; ТЕХНИЧЕСКИЕ ХАРАКТЕРИСТИКИ; проема боковой завесы только для «мягких» наружных условий (tн ≥ 0°

3 1 НАЗНАЧЕНИЕ 1.1 Интерьерные воздушно - тепловые завесы «Эллипс» смесительного типа КЭВ -12:18;24 П 6011 Е , КЭВ - 24;36;48 П 6031 Е , именуемые в дальнейшем «завесы», предназначены для защиты открытого проема (двери) высотой до 3,5 метров от проникновения холодного наружного воздуха внутрь здания...

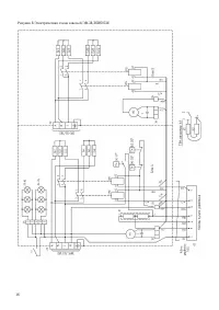
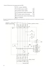
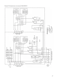
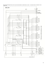
Страница 4 - П р о д о л ж е н и е т а б л и ц ы; УСТРОЙСТВО И ПОРЯДОК РАБОТЫ; RAL

4 П р о д о л ж е н и е т а б л и ц ы 1 Завесы c электрическим источником тепла КЭВ -24 П 6031 Е КЭВ -36 П 6031 Е КЭВ -48 П 6031 Е Параметры питающей сети, В/Гц 380/50 Режимы мощности 1 , кВт */12/24 */18/36 */26,9/48 Расход воздуха, м 3 /ч 4450/5100/5400 Условная скорость струи на выходе из завесы,...

Тепломаш Тепловые завесы Инструкции