SIME SOLIDA EV 5 с увеличенной топкой 45 кВт - инструкции и руководства

model-name

Котел SIME SOLIDA EV 5 с увеличенной топкой 45 кВт - инструкции пользователя по применению, эксплуатации и установке на русском языке читайте онлайн в формате pdf

1 Page 1
2 Page 2
3 Page 3
4 Page 4
5 Page 5
6 Page 6
7 Page 7
8 Page 8
9 Page 9
10 Page 10
11 Page 11
12 Page 12
13 Page 13
14 Page 14
15 Page 15
16 Page 16
17 Page 17
18 Page 18
19 Page 19
20 Page 20
21 Page 21
22 Page 22
23 Page 23
24 Page 24
25 Page 25
26 Page 26
27 Page 27
28 Page 28
29 Page 29
30 Page 30
31 Page 31
32 Page 32
33 Page 33
34 Page 34
35 Page 35
36 Page 36
37 Page 37
38 Page 38
39 Page 39
40 Page 40
41 Page 41
42 Page 42
43 Page 43
44 Page 44
45 Page 45
46 Page 46
47 Page 47
48 Page 48
49 Page 49
50 Page 50
51 Page 51
52 Page 52
53 Page 53
54 Page 54
55 Page 55
56 Page 56
57 Page 57
58 Page 58
59 Page 59
60 Page 60
61 Page 61
62 Page 62
63 Page 63
64 Page 64
65 Page 65
66 Page 66
67 Page 67
68 Page 68
69 Page 69
70 Page 70
71 Page 71
72 Page 72
73 Page 73
74 Page 74
75 Page 75
76 Page 76
77 Page 77
78 Page 78
79 Page 79
80 Page 80

Краткое содержание

Страница 49 - ТЕХНИЧЕСКИЕ ХАРАКТЕРИСТИКИ И РАЗМЕРЫ

3 ТЕХНИЧЕСКИЕ ХАРАКТЕРИСТИКИ И РАЗМЕРЫ 3.1 ОПИСАНИЕ Д е р е в о - э т о о ч е н ь ц е н н ы йа л ь т е р н а т и в н ы й и с т о ч н и к э н е р г и и ,поэтому необходимо использовать его н а и л у ч ш и м о б ра з о м , с п р и м е н е н и е мадекватных технологий сгорания.Ч у г у н н ы е д р о в я...

Страница 50 - УСТАНОВКА ОБОРУДОВАНИЯ

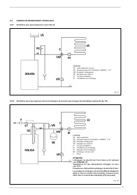
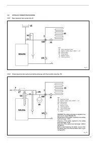
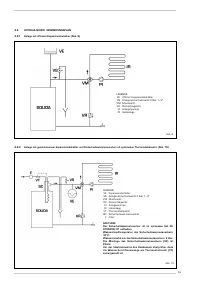
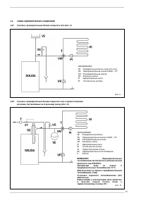
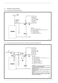
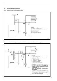
50 4.1 КОТЕЛЬНАЯ Следует убедиться в том, чтопомещение котельной отвечаеттребованиям действующих норм. Крометого необходимо обеспечитьвентиляцию помещения,предусмотренную для котельных.Соответственно, в стенах помещенияследует создать вентиляционныеотверстия, отвечающие следующимпараметрам:– На кажд...

Страница 54 - ЭКСПЛУАТАЦИЯ И ТЕХНИЧЕСКОЕ ОБСЛУЖИВАНИЕ

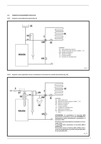
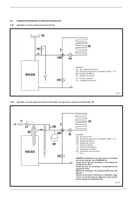
54 5.1 ПРЕДВАРИТЕЛЬНЫЕПРОВЕРКИ ПЕРЕДВКЛЮЧЕНИЕМ П е р ед в в од о м в э кс п л уата ц и ю ко тл ан е о б ход и м о с л ед о в а т ьнижеприведённым инструкциям:– О т о п и т е л ь н а я с и с т е м а , к ко т о р о й подключается котёл, должна быть, пов о з м ож н о с т и , с и с т е м о й сра с ш и р...

SIME Котлы Инструкции