Protherm B100Z - инструкции и руководства
Водонагреватель Protherm B100Z - инструкции пользователя по применению, эксплуатации и установке на русском языке читайте онлайн в формате pdf
Инструкции:
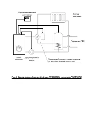
Инструкция по эксплуатации Protherm B100Z
1
2
3
4
5
6
7
8
9
10
11
12
Protherm Водонагреватели Инструкции
-
Protherm FE 120 6 BM
Инструкция по эксплуатации
-
Protherm FE 120/6 BM 0010015963
Инструкция по эксплуатации
-
Protherm WH B 60Z 10006651
Инструкция по эксплуатации
-
Protherm WH B100Z 1165
Инструкция по эксплуатации
-
Protherm 295 литров FS B300S 10004333
Инструкция по эксплуатации
-
Protherm FE 200 BM
Инструкция по эксплуатации
-
Protherm FS B400S 10004334
Инструкция по эксплуатации
-
Protherm FS B500S 10004335
Инструкция по эксплуатации
-
Protherm WH B200Z 1170
Инструкция по эксплуатации
-
Protherm Панда 19POG XR26CN42
Инструкция по эксплуатации
-
Protherm Панда 24POG YR45CN42
Инструкция по эксплуатации
-
Protherm Панда 24PTP 10003784
Инструкция по эксплуатации
-
Protherm B100S
Инструкция по эксплуатации
-
Protherm B300S
Инструкция по эксплуатации
-
Protherm B400S
Инструкция по эксплуатации
-
Protherm B500S
Инструкция по эксплуатации
-
Protherm WH B60Z
Инструкция по эксплуатации