Protherm WH B200Z 1170 - Инструкция по эксплуатации

Protherm WH B200Z 1170

Водонагреватель Protherm WH B200Z 1170 - инструкция пользователя по применению, эксплуатации и установке на русском языке. Мы надеемся, она поможет вам решить возникшие у вас вопросы при эксплуатации техники.

Если остались дополнительные вопросы — свяжитесь с нами через контактную форму.

1 Страница 1
2 Страница 2
3 Страница 3
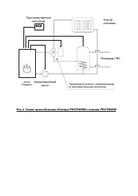
4 Страница 4
5 Страница 5
6 Страница 6
7 Страница 7
8 Страница 8
9 Страница 9
10 Страница 10
11 Страница 11
12 Страница 12
Страница: / 12
Загрузка инструкции

Инструкция

по

монтажу

и

обслуживанию

цилиндрических

непрямонагреваемых

бойлеров

горячей

воды

PROTHERM

В

100 Z

PROTHERM

В

200 Z

PROTHERM

В

150 S

PROTHERM

В

200 S

Сертификат

соответствия

РОСС

SK.

МГ

01.B00639

Производитель

:

PROTHERM

общ

.

огр

.

отв

.

ул

.

Плюштя

, 45, 909 01

Скалица

Словацкая

Республика

"Загрузка инструкции" означает, что нужно подождать пока файл загрузится и можно будет его читать онлайн. Некоторые инструкции очень большие и время их появления зависит от вашей скорости интернета.

Характеристики

Другие модели - Водонагреватели Protherm

Все водонагреватели Protherm