Nilfisk SC UNO 4M-140/620 PS EU 107340500 - инструкции и руководства
Мойка высокого давления Nilfisk SC UNO 4M-140/620 PS EU 107340500 - инструкции пользователя по применению, эксплуатации и установке на русском языке читайте онлайн в формате pdf
Инструкции:
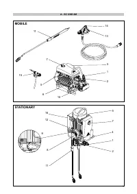
Инструкция по эксплуатации Nilfisk SC UNO 4M-140/620 PS EU 107340500
1
2
3
4
5
6
7
8
9
10
11
12
13
14
15
16
Nilfisk Мойки высокого давления Инструкции
-
Nilfisk C 100.6-5 128470321
Инструкция по эксплуатации
-
Nilfisk C 100.7-5 128470902
Инструкция по эксплуатации
-
Nilfisk C 105.5-5 128470086
Инструкция по эксплуатации
-
Nilfisk C 105.6-5 NIL-128470331
Инструкция по эксплуатации
-
Nilfisk C 105.7-5 128470910
Инструкция по эксплуатации
-
Nilfisk C 110.4-5 X-TRA 128470344
Инструкция по эксплуатации
-
Nilfisk C 110.7-5 X-TRA 128470921
Инструкция по эксплуатации
-
Nilfisk C 115.3-6 X-TRA 128470090
Инструкция по эксплуатации
-
Nilfisk C 120.3-6 128470010
Инструкция по эксплуатации
-
Nilfisk C 120.6-6 PCA X-TRA 128470363
Инструкция по эксплуатации
-
Nilfisk C 120.6-6 PCAD X-TRA NEW 128470362
Инструкция по эксплуатации
-
Nilfisk C 120.7-6 128470930
Инструкция по эксплуатации
-
Nilfisk C 125.4-6 128470701
Инструкция по эксплуатации
-
Nilfisk C 125.7-6 PC X-TRA 128470805
Инструкция по эксплуатации
-
Nilfisk C 125.7-6 X-TRA 128470951
Инструкция по эксплуатации
-
Nilfisk C 125.7-6 X-TRA 128470951N
Инструкция по эксплуатации
-
Nilfisk C 130.1-6 X-TRA 128470251
Инструкция по эксплуатации
-
Nilfisk C 130.2-8 128470704
Инструкция по эксплуатации
-
Nilfisk C 135.1-8 128471160
Инструкция по эксплуатации
-
Nilfisk C 135.1-8I X-TRA 128471172
Инструкция по эксплуатации