Navien Deluxe (Coaxial)-10K/13K/16K - инструкции и руководства
Котел Navien Deluxe (Coaxial)-10K/13K/16K - инструкции пользователя по применению, эксплуатации и установке на русском языке читайте онлайн в формате pdf
Инструкции:
Инструкция по эксплуатации Navien Deluxe (Coaxial)-10K/13K/16K
1
2
3
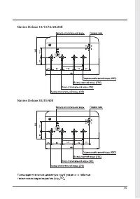
4
5
6
7
8
9
10
11
12
13
14
15
16
17
18
19
20
21
22
23
24
25
26
27
28
29
30
31
32
33
34
35
36
37
38
39
40
41
42
43
44
45
46
47
48
49
50
51
52
53
54
55
56
57
58
59
60
Navien Котлы Инструкции
-
Navien 1035GPD/GTD/GPS/GTS/GTG
Инструкция по эксплуатации
-
Navien 1535GPD/GTD/GPS/GTS/GTG
Инструкция по эксплуатации
-
Navien 2035GPD/GTD/GPS/GTS/GTG
Инструкция по эксплуатации
-
Navien 535GPD/GTD/GPS/GTS/GTG
Инструкция по эксплуатации
-
Navien 735GPD/GTD/GPS/GTS/GTG
Инструкция по эксплуатации
-
Navien Deluxe C Coaxial-13K/16K
Инструкция по эксплуатации
-
Navien Deluxe C Coaxial-20K/24K
Инструкция по эксплуатации
-
Navien Deluxe C Coaxial-35K
Инструкция по эксплуатации
-
Navien Deluxe E Coaxial-10K/13K/16K
Инструкция по эксплуатации
-
Navien Deluxe E Coaxial-24K
Инструкция по эксплуатации
-
Navien Deluxe One-30K/35K
Инструкция по эксплуатации
-
Navien Deluxe S-13k
Инструкция по эксплуатации
-
Navien Deluxe S-16k
Инструкция по эксплуатации
-
Navien Deluxe S-24k
Инструкция по эксплуатации
-
Navien Deluxe S-30k
Инструкция по эксплуатации
-
Navien Deluxe S-35k
Инструкция по эксплуатации
-
Navien Deluxe S-40k
Инструкция по эксплуатации
-
Navien EQB-06HW/08HW
Инструкция по эксплуатации
-
Navien EQB-12HW/15HW/18HW
Инструкция по эксплуатации
-
Navien EQB-21HW/24HW
Инструкция по эксплуатации