Страница 11 - ru - Ваш вклад в охрану окружающей среды; Утилизация прибора
ru - Ваш вклад в охрану окружающей среды 11 Утилизация транспортнойупаковки Упаковка защищает прибор от по-вреждений при транспортировке.Материалы упаковки безопасны дляокружающей среды и легко утилизи-руются, поэтому они подлежат пере-работке. Возвращение упаковки для ee вто-ричной переработки прив...
Страница 14 - Снятие гибкого шланга
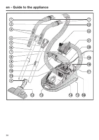
ru 14 Ссылки на рисунки Указанные в главах рисунки нахо-дятся на раскрывающихся страни-цах в конце данной инструкции. Перед эксплуатацией Перед тем, как включить пыле- сос, обязательно убедитесь в том,что в нем имеется мешок-пыле-сборник и что он правильно встав-лен (см. главу «Как заменять пыле-с...
Страница 16 - Эксплуатация; Сматывание сетевого кабеля
ru 16 Использование принадлеж-ностей, входящих в комплект(рис. 13 + 14) Насадка с кистью* Насадка для мягкой мебели Щелевая насадка Держатель для трёх принадлеж-ностей Расположение принадлежностейобозначено на держателе симво-лами. При необходимости зафиксируйтедержатель для принадлежносте...
Страница 18 - Техобслуживание; с синим держателем
ru 18 Техобслуживание Выключайте пылесос перед каждым проведением техобслужи-вания и вынимайте сетевую вилкуиз розетки. Система фильтров Miele состоит изтрех компонентов: – Оригинальный пылесборник Miele – Фильтр моторного отсека – Оригинальный фильтр выходящего воздуха Miele Для того, чтобы была ...
Страница 19 - Для проверки
ru 19 Когда заменять пылесборник?(рис. 24) Когда цветная шкала полностью за-полнит смотровое окошко индикато-ра замены пылесборника краснымцветом, пылесборник необходимо бу-дет заменить. Мешки-пылесборники являютсяодноразовыми. Утилизируйте пол-ные мешки. Не используйте их по-вторно. Закупоренные по...
Страница 21 - Когда заменять нитесборники?
ru 21 Приподнимите фильтр и выньтеего. Вставьте новый фильтр выходяще-го воздуха точно на место и при-жмите его книзу. Нажмите на индикатор заменыфильтра выходящего воздухаtimestrip (рис. 10). Прим. через 10-15 секунд у левогокрая поля индикации появится узкаякрасная полоска (рис. 11). Если вы...
Страница 22 - Чистка и уход; Выключайте пылесос перед
ru 22 Чистка и уход Выключайте пылесос перед каждым проведением чистки и вы-нимайте сетевую вилку из розетки. Пылесос и принадлежности Для ухода за пылесосом и всемипластиковыми принадлежностямиможно использовать обычное чистя-щее средство для пластмасс. Не применяйте никакие абра- зивные средст...
Страница 24 - Сервисная служба; Гарантия; Сертификaт соответствия; Дата изготовления
ru 24 Сервисная служба Контактная информация для обра-щения в случае неисправностей При возникновении неисправностей,которые Вы не можете устранитьсамостоятельно, обращайтесь, пожа-луйста, в сервисную службу Miele. Телефон сервисной службы MieleВы найдете в конце данного доку-мента. Гарантия Гаранти...
Страница 27 - ru - Гарантия качества товара
ru - Гарантия качества товара 27 Уважаемый покупатель! Гарантийный срок на бытовую технику, ввезенную на территорию страны приобретения черезофициальных импортеров составляет 24 месяца, при условии использования изделия исключи-тельно для личных, семейных, домашних и иных нужд, не связанных с осущес...
Страница 30 - ru - Контактная информация о Miele
ru - Контактная информация о Miele 30 По всем вопросам, связанным с приобретением техники, приобретением дополнительных при-надлежностей и расходных материалов, а также в случае необходимости сервисной поддержкипросим обращаться по телефону“Горячей линии”. Российская Федерация Горячая линия для РФ 8...
Страница 56 - Факс
Пpоизводитeль:Mилe & Ци. КГ, Карл-Миле-Штрасе, 29, 33332 Гютерсло, ГерманияMiele & Cie. KG, Carl-Miele-Straße 29, 33332 Gütersloh, Deutschland Импортеры: Уполномоченный представительпроизводителя на территории РФ:OOO Mилe CHГРоссийская Федерация и страны СНГ125284 Москва, Ленинградский пр-т,...