Loriot LT-15PA - инструкции и руководства
Обогреватель Loriot LT-15PA - инструкции пользователя по применению, эксплуатации и установке на русском языке читайте онлайн в формате pdf
Инструкции:
Инструкция по эксплуатации Loriot LT-15PA
1
2
3
4
5
6
7
8
9
10
11
12
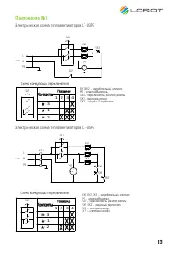
13
14
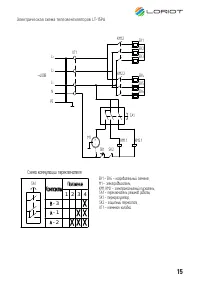
15
16
17
18
19
20
21
22
23
24
25
26
27
28
29
30
Loriot Обогреватели Инструкции
-
Loriot Eiffel LHCI-1000 M
Инструкция по эксплуатации
-
Loriot Eiffel LHCI-1500 M
Инструкция по эксплуатации
-
Loriot Eiffel LHCI-2000 M
Инструкция по эксплуатации
-
Loriot LHCI-1000 M
Инструкция по эксплуатации
-
Loriot LHCI-1500 M
Инструкция по эксплуатации
-
Loriot GH-50
Инструкция по эксплуатации
-
Loriot GH-70
Инструкция по эксплуатации
-
Loriot GHB-10
Инструкция по эксплуатации
-
Loriot GHB-15
Инструкция по эксплуатации
-
Loriot GHB-30
Инструкция по эксплуатации
-
Loriot GHB-50
Инструкция по эксплуатации
-
Loriot LT-02RE
Инструкция по эксплуатации
-
Loriot LT-03RE
Инструкция по эксплуатации
-
Loriot LT-05RE
Инструкция по эксплуатации
-
Loriot LI-0.8
Инструкция по эксплуатации
-
Loriot LI-1.0
Инструкция по эксплуатации
-
Loriot LI-1.5
Инструкция по эксплуатации
-
Loriot LI-2.0
Инструкция по эксплуатации
-
Loriot LIN-1.0
Инструкция по эксплуатации
-
Loriot LIN-1.5
Инструкция по эксплуатации