Страница 3 - Содержание; Введение; Извлечение/Установка ящика
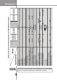
Содержание 3 Холодильное отделениеМорозильное отделение Функции Быстрая заморозка Блокировка Процедура перевешивания дверей на противоположную сторону Процедура перевешивания дверей Отпуск Меры предосторожности 55 13 1515 161617181818 20202021 22 2424 27 28 3030 Регистрация Требования безопасностиОс...
Страница 4 - Примечание; Компания-производитель оставляет за собой право
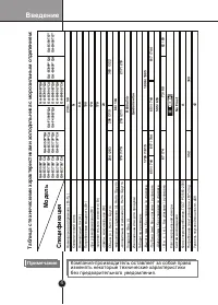
Введение 4 Примечание Компания-производитель оставляет за собой право изменять некоторые технические характеристики без предварительного уведомления. Н ом ин ал ьн ое н ап ря же ни е ( В ~ Гц ) Кл им ат ич ес ки й кл ас с Н ом ин ал ьн ы й то к ( А ) П от ре бл яе м ая м ощ но ст ь ( Вт ) -п ри р аз...
Страница 5 - Внимание; Требования безопасности
Введение 5 Внимание Осторожно Чтобы избежать риска травмы, ущерба имуществу и неправильного использования изделия, обязательно выполняйте следующие меры безопасноcти. (Ознакомившись с данным руководством пользователя положите его в надежное место, чтобы оно было под рукой). Не забудьте передать его ...
Страница 7 - При эксплуатации холодильника
Введение 7 Когда сетевой шнур, вилка или корпус розетки поврежден, подключение прибора запрещено. Перед включением прибора в сеть, очистите вилку от возможных загрязнений и плотно воткните в розетку. нет Не извлекайте сетевой шнур и не прикасайтесь к вилке мокрыми руками. Это может привести к пораже...
Страница 9 - При утечке газа не прикасайтесь к холодильнику или
Введение 9 При утечке газа не прикасайтесь к холодильнику или месту повреждения (источник выхода газа) и немедленно проветрите помещение. Это может привести к короткому замыканию, пожару или травмам. В этом холодильнике в качестве безопасного для окружающей среды хладагента используется природный га...
Страница 13 - с диспенсером; Основные части холодильника; Если некоторые названные детали отсутствуют, они,
Введение 13 с диспенсером Лоток для яиц Дверная ручка Отделение для молочных продуктов (не во всех моделях) Дверная корзина для 2L бутылок Дверная корзина Ножка, регулируемая по высоте Лампа Лоток для льда Нижняя декоративная панель Выдвижная стеклянная полка Многопоточная система охлаждения Регулят...
Страница 15 - Установка; SN; Климатический
Установка 15 1. Выберите подходящее место. Располагайте холодильник там, где им будет удобно пользоваться. 2. Не располагайте холодильник вблизи источников тепла, влаги и в зоне прямого действия солнечных лучей. 3. Над холодильником, а так же с задней и боковых его сторон должно быть свободное прост...
Страница 16 - Порядок работы; Функции; ЖК дисплей; Индикаторная панель управления температурой; Холодильное; Регулировка температуры
Порядок работы 16 Функции панели дисплея Светодиод (88) Светодиод (шкала) Кнопка глубокой заморозки Кнопка блокировки Кнопка режима отпуска Кнопка регулировки температуры морозильной камеры EXPRESS FRZ. 3 SECS EXPRESS FRZ. < Внешний тип > GA-B3*9TG**; GA-B4*9TG** ЖК дисплей GA-B3*9B*QA; GA-B3*...
Страница 17 - Морозильное
Порядок работы 17 • Исходная температура морозильной камеры составляет -18°С. Вы можете отрегулировать температуру камеры по своему желанию. • При нажатии кнопок управления температурой значения температуры морозильной камеры отображаются в следующем порядке: Панель управления с индикаторной светоди...
Страница 18 - Быстрая
Порядок работы 18 • Если необходимо быстро заморозить продукты - воспользуйтесь функцией «Быстрая заморозка». Нажмите кнопку «SUPER FRZ.», «EXPRESS FRZ.» или «SUPER FRZ./VACATION» (в зависимости от модели) один раз, после чего загорится соответствующий индикатор и начнется процесс быстрой заморозки....
Страница 19 - «off»; Энергонезависимая
Порядок работы 19 Выбор «On» Выбор «Off» Выбор «On» Выбор «Off» / Примечание Нажмите «SUPER FRZ./VACATION» один раз, после чего загорится соответствующий индикатор «VACATION» (Отпуск) и включится режим энергосбережения. Повторное нажатие на кнопку «SUPER FRZ. /VACATION» выключает режим энергосбереже...
Страница 20 - Блокировка; Совет; Размораживание
Порядок работы 20 Блокировка Если лед нужен срочно,нажмите кнопку «SUPER FRZ.», «EXPRESS FRZ.» или «SUPER FRZ./VACATION» (в зависимости от модели). «Child Lock On» «Child Lock Off» «Child Lock On» «Child Lock Off» Совет Чтобы кубики легко вынимались, предварительно полейте емкость питьевой водой. Ра...
Страница 21 - Дозатор воды
Порядок работы 21 Свойства Как пользоваться Резервуаром Наполнение Контейнера для воды Установка Внимание Рычаг дозатора Ручка резервуара Установив Контейнер для воды в дверцу, поверните его ручку назад, откройте Малую крышку и залейте питьевую воду. Наливая воду следите за индикатором наполнения на...
Страница 23 - Рекомендации по хранению продуктов
Рекомендации по хранению продуктов 23 При эксплуатации ящиков и полок, не применяйте избыточных усилий и грубую силу – это может привести к повреждениям холодильника! Внимание 1 2 4 5 3 Для обеспечения хорошей циркуляции воздуха в устройстве, вставляйте ящики морозильного отделения до упора. При хра...
Страница 24 - Общие сведения; ~2 часа без электроэнергии не причинят продуктам; Противоконденсатная; трубка; Особенности в работе холодильника; Перед перевозкой, чтоб не повредить регулируемые ножки,
Уход и обслуживание 24 Общие сведения 1~2 часа без электроэнергии не причинят продуктам никакого вреда. Постарайтесь реже открывать дверцу холодильника.Извлеките все продукты и другие предметы из холодильника, надежно зафиксируйте внутренние движимые части (полки, ящики и дверные корзины). Вокруг ли...
Страница 25 - Уход и обслуживание; Установка полки
Уход и обслуживание 25 1 2 1 3 4 • Чтобы извлечь полку из холодильника сначала немного приподнимите её (1), а затем потяните на себя (2). При неправильном извлечении, возможно повреждение внутренних частей холодильника. • Чтобы установить полку в холодильник действуйте аналогично: сначала приподними...
Страница 26 - Уход и; Установка ящика; Гарантия не распространяется на механические повреждения
Рекомендации по хранению продуктов 26 Уход и обслуживание Извлечение / Установка ящика Примечание Гарантия не распространяется на механические повреждения (трещины, сколы, вмятины, следы вскрытия и т.п.), вызванные нарушением правил хранения, перевозки, эксплуатации и обслуживания холодильника, прил...
Страница 27 - Уборка и чистка
Уход и обслуживание 27 Убедитесь, что шнур питания не поврежден, розетка не перегрелась и вилка плотно вставлена в розетку. Уборка и чистка Перед уборкой После уборки Внимание Не забудьте выключить холодильник из розетки. См. выше. Наружные поверхности холодильника вытирайте мягкой тканью, смоченной...
Страница 28 - Возможные причины
Возможные неисправности и методы их устранения 28 Возможные причины • Возможно, вилка вынута из розетки. Плотно вставьте ее в розетку. • В доме перегорел предохранитель или отключился автоматический прерыватель. Проверьте при необходимости, замените предохранитель или включите автоматический прерыва...
Страница 29 - Возможные неисправности и методы их устранения; Утилизация старого оборудования
Возможные неисправности и методы их устранения 29 Возможные причины • Дверцы открываются слишком часто или на долгое время. • Во влажную погоду с воздухом в холодильник через открытые дверцы попадает и влага. • Продукты, имеющие сильный запах, следует положить в плотно закрытую тару или хорошо завер...
Страница 30 - Меры предосторожности
30 1 4 3 2 3 2 16 15 17 19 14 18 10 12 13 31 32 5 6 7 9 8 10 19 10 31 32 11 35 3,4. Если дисплей внешнего типа 2. Для дисплея внешнего типа 4,5. Если дисплей внутреннего типа 6. Только для дисплея внешнего типа 11 1. Только для моделей с наружными дверными ручками Чтобы снять дверную ручку двери хол...
Страница 31 - Гарантийные обязательства не распространяются
31 38 38 3 2 3 2 24 20 21 22 11 23 21 28 27 20 25 30 33 26 25 30 27 28 29 9 3132 36 7 6 37 9 10 34 9. Если дисплей внешнего типа 7. Для всех моделей 8. Для всех моделей 1 4 10. Только для моделей с наружными дверными ручками 39 Открутите болты средней петли , снимите среднюю петлю и приподнимите две...