Lemax PROPLUS-15 155327 - инструкции и руководства
Котел Lemax PROPLUS-15 155327 - инструкции пользователя по применению, эксплуатации и установке на русском языке читайте онлайн в формате pdf
Инструкции:
Инструкция по эксплуатации Lemax PROPLUS-15 155327
1
2
3
4
5
6
7
8
9
10
11
12
13
14
15
16
17
18
19
20
21
22
23
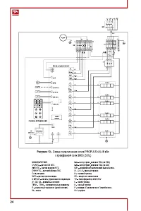
24
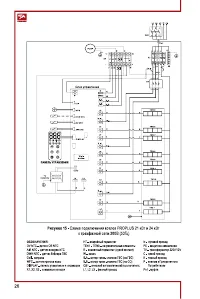
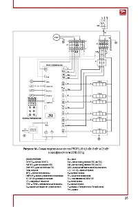
25
26
27
28
29
30
31
32
33
34
35
36
37
38
39
40
41
42
43
44
45
46
47
48
49
50
51
52
53
54
55
56
57
58
59
60
61
62
63
64
65
66
67
68
Lemax Котлы Инструкции
-
Lemax Classic-10 138173
Инструкция по эксплуатации
-
Lemax Classic-12,5 138175
Инструкция по эксплуатации
-
Lemax Classic-12,5W 145331
Инструкция по эксплуатации
-
Lemax Classic-16 138176
Инструкция по эксплуатации
-
Lemax Classic-16W 145336
Инструкция по эксплуатации
-
Lemax Classic-20 138177
Инструкция по эксплуатации
-
Lemax Classic-20W 145350
Инструкция по эксплуатации
-
Lemax Classic-25 138178
Инструкция по эксплуатации
-
Lemax Classic-25W 145351
Инструкция по эксплуатации
-
Lemax Classic-30 138179
Инструкция по эксплуатации
-
Lemax Classic-30W 145352
Инструкция по эксплуатации
-
Lemax Classic-35 147846
Инструкция по эксплуатации
-
Lemax Classic-35W 151014
Инструкция по эксплуатации
-
Lemax Classic-40 147657
Инструкция по эксплуатации
-
Lemax Classic-40W 151015
Инструкция по эксплуатации
-
Lemax Classic-7,5 145328
Инструкция по эксплуатации
-
Lemax Premier 100 171953
Инструкция по эксплуатации
-
Lemax Premier 11,6 116161
Инструкция по эксплуатации
-
Lemax Premier 17,4 116164
Инструкция по эксплуатации
-
Lemax Premier 23,2 116166
Инструкция по эксплуатации