Lemax ECO-4.5 155315 - инструкции и руководства
Котел Lemax ECO-4.5 155315 - инструкции пользователя по применению, эксплуатации и установке на русском языке читайте онлайн в формате pdf
Инструкции:
Инструкция по эксплуатации Lemax ECO-4.5 155315
1
2
3
4
5
6
7
8
9
10
11
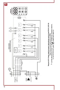
12
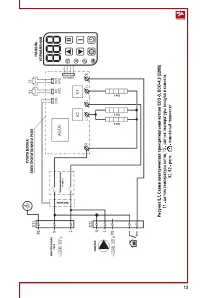
13
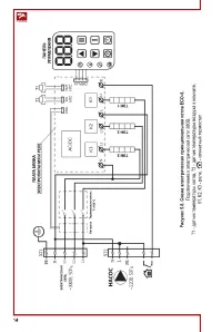
14
15
16
17
18
19
20
21
22
23
24
25
26
27
28
29
30
31
32
33
34
35
36
Lemax Котлы Инструкции
-
Lemax Classic-10 138173
Инструкция по эксплуатации
-
Lemax Classic-12,5 138175
Инструкция по эксплуатации
-
Lemax Classic-12,5W 145331
Инструкция по эксплуатации
-
Lemax Classic-16 138176
Инструкция по эксплуатации
-
Lemax Classic-16W 145336
Инструкция по эксплуатации
-
Lemax Classic-20 138177
Инструкция по эксплуатации
-
Lemax Classic-20W 145350
Инструкция по эксплуатации
-
Lemax Classic-25 138178
Инструкция по эксплуатации
-
Lemax Classic-25W 145351
Инструкция по эксплуатации
-
Lemax Classic-30 138179
Инструкция по эксплуатации
-
Lemax Classic-30W 145352
Инструкция по эксплуатации
-
Lemax Classic-35 147846
Инструкция по эксплуатации
-
Lemax Classic-35W 151014
Инструкция по эксплуатации
-
Lemax Classic-40 147657
Инструкция по эксплуатации
-
Lemax Classic-40W 151015
Инструкция по эксплуатации
-
Lemax Classic-7,5 145328
Инструкция по эксплуатации
-
Lemax Premier 100 171953
Инструкция по эксплуатации
-
Lemax Premier 11,6 116161
Инструкция по эксплуатации
-
Lemax Premier 17,4 116164
Инструкция по эксплуатации
-
Lemax Premier 23,2 116166
Инструкция по эксплуатации