Страница 2 - УВАЖАЕМЫЙ ПОКУПАТЕЛЬ!; Мы благодарны Вам за то, что Вы выбрали продукцию торговой марки
2 Премьер В. 2.04 УВАЖАЕМЫЙ ПОКУПАТЕЛЬ! Мы благодарны Вам за то, что Вы выбрали продукцию торговой марки Лемакс . Теперь Вы являетесь счастливым обладателем высокоэффективного аппарата отопитель- ного, который при правильной установке, эксплуатации и уходе снизит затраты на отопление Вашего жилья и ...
Страница 3 - СОДЕРЖАНИЕ
3 Премьер В. 2.04 СОДЕРЖАНИЕ 1. ОБЩИЕ УКАЗАНИЯ .......................................................................................................... 42. КОМПЛЕКТНОСТЬ ............................................................................................................ 43. ТЕХНИЧЕСКИЕ ХАР...
Страница 4 - ОБЩИЕ УКАЗАНИЯ; Статистика отказов показывает, что 94% проблем с аппаратами; КОМПЛЕКТНОСТЬ; Аппарат отопительный со-; собранном виде с газогорелочным устройством.; ТРЕБОВАНИЯ БЕЗОПАСНОСТИ
4 Премьер В. 2.04 1. ОБЩИЕ УКАЗАНИЯ 1.1. Прежде чем пользоваться аппаратом отопительным, ознакомьтесь с настоящим руко- водством. 1.2. Работы по монта ж у, инструк та ж по эксплуатации, запуск в работ у, профи- лак тическое обслу живание и ремонт аппарата отопительного производятся специализированно...
Страница 7 - Категорически; запрещается самовольно устанавливать аппарат отопительный и
7 Премьер В. 2.04 нет тяги (Не используйте аппарат отопительный!) слабая тяга (Не используйте аппарат отопительный!) недостаточная тяга (Не используйте аппарат отопительный!) хорошая тяга (Аппарат отопительный можно использовать!) 4.4. Техническое обслуживание аппарата отопительного должно производи...
Страница 8 - УСТРОЙСТВО АППАРАТА ОТОПИТЕЛЬНОГО; Аппарат отопительный газовый бытовой «Premier»
8 Премьер В. 2.04 5. УСТРОЙСТВО АППАРАТА ОТОПИТЕЛЬНОГО 5.1. Аппарат отопительный представляет собой сварную конструкцию, образующую по всему периметру водяную рубашку, в которую помещен контур горячего водоснаб-жения, изготовленный из медной трубки (для аппаратов отопительных, оснащённых контуром ГВ...
Страница 9 - МОНТАЖ, ПОДГОТОВКА К РАБОТЕ; не менее 8 м
9 Премьер В. 2.04 6. МОНТАЖ, ПОДГОТОВКА К РАБОТЕ 6.1. Объем помещения, в котором устанавливается аппарат отопительный, должен быть не менее 8 м 3 . Расстояние между облицовкой аппарата отопительного и стенами должно быть не менее:– 150 мм сзади;– 100 мм справа и слева;– 1000 мм спереди. 6.2. В помещ...
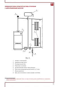
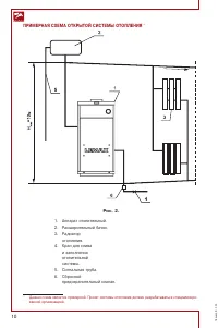
Страница 10 - ПРИМЕРНАЯ СХЕМА ОТКРЫТОЙ СИСТЕМЫ ОТОПЛЕНИЯ; предохранительный клапан.
10 Премьер В. 2.04 ПРИМЕРНАЯ СХЕМА ОТКРЫТОЙ СИСТЕМЫ ОТОПЛЕНИЯ * * Данная схема является примерной. Проект системы отопления должен разрабатываться специализиро- ванной организацией. Рис. 2. 1. Аппарат отопительный.2. Расширительный бачок.3. Радиатор отопления. 4. Кран для слива и заполнения отопител...
Страница 13 - ПОРЯДОК РАБОТЫ
13 Премьер В. 2.04 7. ПОРЯДОК РАБОТЫ Для включения аппарата отопительного необходимо проверить заполнение его и си-стемы отопления водой, проверить наличие тяги, проконтролировать давление газа в газопроводе – оно должно быть не более 5000 Па. Затем выполнить розжиг в следу-ющем порядке: ВНИМАНИЕ!Уб...
Страница 14 - ПРАВИЛА ЭКСПЛУАТАЦИИ, ТЕХНИЧЕСКОЕ ОБСЛУЖИВАНИЕ
14 Премьер В. 2.04 8. ПРАВИЛА ЭКСПЛУАТАЦИИ, ТЕХНИЧЕСКОЕ ОБСЛУЖИВАНИЕ 8.1. Не сливайте воду из аппарата отопительного и системы отопления в неотопительный период, т. к. это приводит к ускоренному корродированию и преждевременному вы-ходу аппарата отопительного из строя. Добавляйте воду в расширительн...
Страница 15 - смотрена легкосъемная верхняя крышка облицовки.; ГАРАНТИЙНЫЕ ОБЯЗАТЕЛЬСТВА; циями на это не уполномоченными
15 Премьер В. 2.04 8.7 Для контроля состояния дымоудаляющих каналов, в аппарате отопительном преду- смотрена легкосъемная верхняя крышка облицовки. 9. ГАРАНТИЙНЫЕ ОБЯЗАТЕЛЬСТВА 9.1. Гарантийный срок эксплуатации аппарата отопительного при выполнении обяза- тельного ежегодного профилактического обслу...
Страница 16 - ВОЗМОЖНЫЕ НЕИСПРАВНОСТИ И МЕТОДЫ ИХ УСТРАНЕНИЯ; Наименование; СВИДЕТЕЛЬСТВО О ПРИЕМКЕ
16 Премьер В. 2.04 12. ВОЗМОЖНЫЕ НЕИСПРАВНОСТИ И МЕТОДЫ ИХ УСТРАНЕНИЯ Наименование неисправностей Вероятная причина Метод устранения 1. Отключается основная горелка А. Недостаточное разрежение в дымоходе, забит дымоходБ. Нарушена настройка термо-регулятора А. Очистить дымоход Б. Произвести настройку...
Страница 17 - И ПРОФИЛАКТИЧЕСКОГО ОБСЛУЖИВАНИЯ; Дата; Проверить состояние дымохода и силу тяги в нем
17 Премьер В. 2.04 13. ОТМЕТКИ О ПРОВЕДЕНИИ ЕЖЕГОДНОГО ТЕХНИЧЕСКОГО И ПРОФИЛАКТИЧЕСКОГО ОБСЛУЖИВАНИЯ Дата Наименование организации Подпись, штамп При ежегодном техническом обслуживании аппарата отопительного необходимо: 1. Проверить состояние дымохода и силу тяги в нем; 2. Проверить и при необходимо...
Страница 18 - КОНТРОЛЬНЫЕ ТАЛОНЫ; КОНТРОЛЬНЫЙ ТАЛОН НА МОНТА Ж; СВЕДЕНИЯ ОБ УТИЛИЗАЦИИ
18 Премьер В. 2.04 14. КОНТРОЛЬНЫЕ ТАЛОНЫ КОНТРОЛЬНЫЙ ТАЛОН НА МОНТА Ж 1. Дата монтажа __________________________________________________________________________ 2. Кем произведен монтаж ________________________________________________________________ ________________________________________________...