Лемакс ЕСО-15 - инструкции и руководства
Котел Лемакс ЕСО-15 - инструкции пользователя по применению, эксплуатации и установке на русском языке читайте онлайн в формате pdf
Инструкции:
Инструкция по эксплуатации Лемакс ЕСО-15
1
2
3
4
5
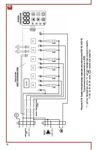
6
7
8
9
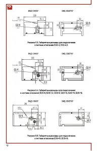
10
11
12
13
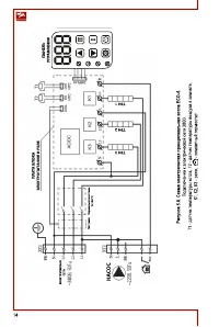
14
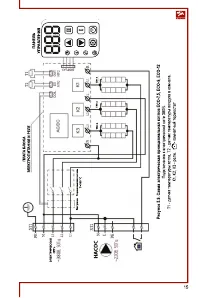
15
16
17
18
19
20
21
22
23
24
25
26
27
28
29
30
31
32
33
34
35
36
Лемакс Котлы Инструкции
-
Лемакс ЕСО-18
Инструкция по эксплуатации
-
Лемакс ЕСО-12
Инструкция по эксплуатации
-
Лемакс ЕСО-9
Инструкция по эксплуатации
-
Лемакс ЕСО-6
Инструкция по эксплуатации
-
Лемакс ЕСО-3
Инструкция по эксплуатации
-
Лемакс Форвард-20
Инструкция по эксплуатации
-
Лемакс Форвард-16
Инструкция по эксплуатации
-
Лемакс КСГВ-25Д
Инструкция по эксплуатации
-
Лемакс КСГВ-16Д
Инструкция по эксплуатации
-
Лемакс КСГ-30Д
Инструкция по эксплуатации
-
Лемакс КСГ-20Д
Инструкция по эксплуатации
-
Лемакс КСГ-10Д
Инструкция по эксплуатации
-
Лемакс Clever L200
Инструкция по эксплуатации
-
Лемакс Clever L180
Инструкция по эксплуатации
-
Лемакс Clever L150
Инструкция по эксплуатации
-
Лемакс Clever L100
Инструкция по эксплуатации
-
Лемакс Премиум-100
Инструкция по эксплуатации
-
Лемакс Премиум-90
Инструкция по эксплуатации
-
Лемакс Премиум-80
Инструкция по эксплуатации
-
Лемакс Премиум-70
Инструкция по эксплуатации