Страница 4 - Содержание
4 Содержание 1. Основные технические характеристики …………………………1 2. Устройство…………………………………………………………..2 3. Подготовка к запуску……………………………………………….5 4. Запуск генераторной установки…………………………………...6 5. Работа генераторной установки…………………………………..8 6. Нагрузка……………………………………………………………..9 7. Остановка ген...
Страница 5 - ОСНОВНЫЕ ТЕХНИЧЕСКИЕ ХАРАКТЕРИСТИКИ
5 1. ОСНОВНЫЕ ТЕХНИЧЕСКИЕ ХАРАКТЕРИСТИКИ . МОДЕЛЬ Наименование KDE2200X KDE2200E KDE3500X KDE3500E KDE3500T KDE5000X KDE5000E KDE5000T KDE6000X3 KDE6000E3 KDE6000T3 KDE6500X KDE6500E KDE6500T KDA6700TA O KDE6500X3 KDE6500E3 KDE6500T3 KDA6700TAO3 Ге не ра то рн ая у ст ан ов ка | Частота тока (Hz) 50...
Страница 6 - Генераторы KDE серии E/X
6 2.УСТРОЙСТВО 2.1 Генераторы KDE серии E/X Топливный бак Воздушный фильтр Ручка стартера Ручной стартер Рычаг декомпрессора Регулятор оборотов Пробка слива масла Маслозаливная горловина/щуп Глушитель Крышка топливного бака
Страница 7 - Генераторы KDE серии Т
7 2.2 Генераторы KDE серии Т Розетка переем. Тока Предохранитель Розетка пост. тока Замок стартера Крышка бака Кольцо для подъема Лампа давления масла Труба глушителя Воздухозаборник системы охлаждения
Страница 8 - Панель управления; Панель типа С Панель типа Е
8 2.3 Панель управления Панель типа С Панель типа Е Панель типа Е3 Панель типа ЕW Основная панель типа Е Панель Е с двойным напряжением Новая интегральная панель
Страница 9 - Подготовка к запуску; ВНИМАНИЕ; Гайка
9 3. Подготовка к запуску 3.1 Выбор и заправка дизельного топлива. Выбор топлива Использовать только светлое дизельное топливо Грязь и вода Заправляете генераторную установку только чистым дизельным топливом. Не допускается попадание в топливный бак грязи и воды. В противном случае возможно засо...
Страница 10 - Проверка генераторной установки; клемма заземления; ЗАПУСК ГЕНЕРАТОРНОЙ УСТАНОВКИ; ПРЕДУПРЕЖДЕНИЕ
10 4.4 Проверка генераторной установки Лампа низкого давления масла 1. Поверните все выключатели в положение «OFF» «Выключено» и отключите всю нагрузку. Не забудьте отключить главный выключатель клемма заземления Генераторная установка должна быть заземлена для предотвращения поражения электриче...
Страница 11 - Топливный кран; Не отпускайте рукоятку стартера из крайнего положения ,это может
11 Потяните до тех пор , пока не почувствуете сопротивление , затем отпустите рукоятку в первоначальное положение. Нажмите рычаг декомпрессии двигателя. Он возвращается в первоначальное положение автоматически. Потяните за рукоятку стартера быстро и с усилием обеими руками. Рычаг рег. оборотов...
Страница 12 - Электрический стартер; Откройте краник топливного бака; аккумуляторной батареи.; РАБОТА ГЕНЕРАТОРНОЙ УСТАНОВКИ; Прогрейте двигатель без нагрузки в течении 3 минут.
12 4.2 Электрический стартер 1. Запуск ( Подготовка к запуску генераторов с электро стартером аналогична с ручным стартером.) Откройте краник топливного бака Установите рычаг подачи топлива в положение RUN (работа) Поверните ключ замка в положение START Отпустите ключ , как только двигатель ...
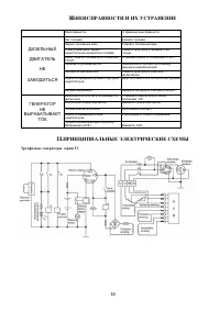
Страница 15 - ОСТАНОВКА ГЕНЕРАТОРА; Рычаг остановки двигателя; ПЕРИОДИЧЕСКАЯ ПРОВЕРКА И ОБСЛУЖИВАНИЕ; ПРЕДОСТЕРЕЖЕНИЕ
15 7. ОСТАНОВКА ГЕНЕРАТОРА 1. Отключите нагрузку от генератора. 2. Переведите главный выключатель сети в положение OFF (выключено). 3. Переведите рычаг оборотов двигателя в положение RUN , и дайте генератору поработать в течении 3-х минут без нагрузки. Рычаг остановки двигателя Не останавливайте дви...
Страница 16 - Слейте топливо из бака , открутив сливную пробку.
16 Примечание: Пометка “ ▀ “означает , что для проведения работы что требуется специальный инструмент и необходимо обратиться в сервисный центр 8.1 Замена моторного масла Пробка горловины, щуп Открутите пробку маслозаливной горловины. Отверните сливную пробку и слейте масло пока двигатель теплый. Пр...
Страница 17 - Проверка форсунки и ТНВД.; Отрегулируйте зазор клапанов; Проверка щеток генератора и коллектора.; ДЛИТЕЛЬНОЕ ХРАНЕНИЕ; Запустите двигатель и дайте поработать ему в течении 3 минут.
17 8.5 Протяжка болтов головки блока цилиндров Протяжка болтов головки блока цилиндров требует специального инструмента. Обратитесь в сервисный центр. 8.6 Проверка форсунки и ТНВД. 1. Отрегулируйте зазор клапанов 2. Замените клапана при необходимости 3. Замените поршневые кольца Все эти операции тре...