Страница 2 - панель управления аппарата
Серия аппаратов КЕДР MultiARC-2500 -3 /3200/4000 C ОДЕРЖАНИЕ: ДЕКЛАРАЦИЯ О СООТВЕТСТВИИ СТАНДАРТАМ ТР ТС............................ 31. БЕЗОПАСНОСТЬ ................................................................................................... 4 1.1 Описание знаков безопасности ..................
Страница 4 - Описание знаков безопасности; Опасность поражения электрическим током
Серия аппаратов КЕДР MultiARC-2500 -3 /3200/4000 1. БЕЗОПАСНОСТЬ Перед установкой, вводом в эксплуатацию и использованием аппарата тщательно изучите все правила техники безопасности. Несмотря на то, что в процессе проектирования и производства аппарата были оценены все характеристики безопасности, в...
Страница 5 - Статическое электричество разрушает печатную плату
Серия аппаратов КЕДР MultiARC-2500 -3 /3200/4000 включенным, выполнять такие работы могут только специалисты, знакомые с правилами техники безопасности. При проведении работ с включенным аппаратом следует применять правило работы одной рукой. Не касайтесь аппарата обеими руками. Прежде чем перед...
Страница 6 - Взрыв деталей аппарата может причинить вред здоровью
Серия аппаратов КЕДР MultiARC-2500 -3 /3200/4000 Горячее свариваемое изделие может стать причиной тяжелых ожогов Не касайтесь горячих деталей голыми руками. Чтобы продлить срок эксплуатации сварочной горелки, соблюдайте перерывы в работе для ее охлаждения . Взрыв деталей аппарата может причинить...
Страница 7 - Копоть и сажа могут нанести вред здоровью
Серия аппаратов КЕДР MultiARC-2500 -3 /3200/4000 Падение оборудования может привести к повреждению аппарата и к причинению вреда здоровью Пользуйтесь оборудованием с достаточной грузоподъемностью для подъема аппарата. Для подъема аппарата используйте одновременно переднюю и заднюю ручки. Для п...
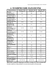
Страница 11 - ТЕХНИЧЕСКИЕ ПАРАМЕТРЫ
Серия аппаратов КЕДР MultiARC-2500 -3 /3200/4000 4. ТЕХНИЧЕСКИЕ ПАРАМЕТРЫ Параметр/Модель MultiARC-2500 -3 MultiARC-3200 MultiARC-4000 Входное напряжение, В AC380В±15% 3Ф AC380В±15% 3Ф AC380В±15% 3Ф Максимальный потребляемый ток в режиме ММА, А 19,2 26,8 36,8 Максимальный потребляемый ток в режиме T...
Страница 12 - И ПЕРЕГРЕВ
Серия аппаратов КЕДР MultiARC-2500 -3 /3200/4000 Па ра м етр/ М оде л ь MultiARC-2500 -3 MultiARC-3200 MultiARC-4000 К ом п л ек та ц и я Вставка СКР 35-50 – 2 шт. Руководство по эксплуатации – 1 шт. Ключ шестигранный – 1 шт. Вставка СКР 35-50 – 2 шт . Руководство по эксплуатации – 1 шт. Ключ шестиг...
Страница 13 - ХАРАКТЕРИСТИКА
Серия аппаратов КЕДР MultiARC-2500 -3 /3200/4000 Схема №1 7. ВОЛЬТ-АМПЕРНАЯ ХАРАКТЕРИСТИКА Серия аппаратов КЕДР MultiARC имеет безупречную форму ВАХ, которая позволяет добиться оптимальных характеристик дуги при сварке электродами со всеми типами покрытия. При сварочном токе I2≤600A , напряжение на ...
Страница 14 - УСТАНОВКА И НАСТРОЙКА; ь управления
Серия аппаратов КЕДР MultiARC-2500 -3 /3200/4000 8. УСТАНОВКА И НАСТРОЙКА 8.1 Передняя панел ь управления аппарата КЕДР MultiARC-2500 -3 (1) Индикатор настройки процентного соотношения "%"(2) Дисплей(3) Индикатор настройки тока "А"(4) Функция "Горячий старт" (5) Сварочный ток...
Страница 17 - ПОДГОТОВКА К РАБОТЕ И; Подготовка к работе и настройка аппарата
Серия аппаратов КЕДР MultiARC-2500 -3 /3200/4000 9. ПОДГОТОВКА К РАБОТЕ И НАСТРОЙКА АППАРАТА 9.1 Подготовка к работе и настройка аппарата в режиме ММА Подключение сварочных кабелей осуществляется к двум силовым терминалам на передней панели аппарата. Необходимо соблюдение полярности, указанной произ...
Страница 18 - Настройка аппарата для работы в режиме MMA; Дистанционное управление
Серия аппаратов КЕДР MultiARC-2500 -3 /3200/4000 9.2 Настройка аппарата для работы в режиме MMA 1) При верном подключении сварочных кабелей и сети питания, переведите сетевой выключатель в положение «Вкл», загорится индикатор сети питания, включится вентилятор охлаждения аппарата. 2) Выберите режим ...
Страница 19 - ПРОЦЕСС РУЧНОЙ ДУГОВОЙ; Основы ручной дуговой сварки
Серия аппаратов КЕДР MultiARC-2500 -3 /3200/4000 10. ПРОЦЕСС РУЧНОЙ ДУГОВОЙ СВАРКИ (ММА) Электрический ток зажигает и поддерживает горение сварочной дуги, которая используется для расплавления свариваемых кромок и сварочного электрода. Марка сварочного электрода должна соответствовать по назначению ...
Страница 21 - Проблемы и методы их устранения
Серия аппаратов КЕДР MultiARC-2500 -3 /3200/4000 Скорость сварки Скорость перемещения электрода должна быть выбрана таким образом, чтобы обеспечить достаточное оплавление и смачиваемость свариваемых кромок, сохранение длины дуги, стабильность дуги, стабильность кристаллизации шлаковой корки, отсут...
Страница 22 - ПОДГОТОВКА К РАБОТЕ И; LiftTIG
Серия аппаратов КЕДР MultiARC-2500 -3 /3200/4000 Неверная техника сварки Используйте верную технику сварки, обратитесь за консультацией к инструктору 5. Чрезмерное проплавление, прожог Чрезмерное топловложение Снизьте сварочный ток/ уменьшите диаметр электрода Неверная скорость сварки Увеличьте скор...
Страница 25 - Проблемы при TIG-сварке и методы их устранения
Серия аппаратов КЕДР MultiARC-2500 -3 /3200/4000 11.3 Проблемы при TIG-сварке и методы их устранения Таблица №4 содержит описание возможных проблем и методы их устранения. В случае неисправности сварочного оборудования ТМ «КЕДР» рекомендуется обратиться в авторизованный сервисный центр ТМ «КЕДР» на ...
Страница 27 - Условия эксплуатации
Серия аппаратов КЕДР MultiARC-2500 -3 /3200/4000 вольфрамового электрода электрода, желательно специальной машинкой (КЕДР TIG-40) Неметаллические включения в металл шва/ загрязнение Очистить свариваемые поверхности от краски, масла, ржавчины, грунта, жидкостей 7. Отсутствует поджиг дуги в режиме Lif...
Страница 28 - Заметки по эксплуатации; ОБСЛУЖИВАНИЕ И РЕШЕНИЕ
Серия аппаратов КЕДР MultiARC-2500 -3 /3200/4000 12.2 Заметки по эксплуатации Внимательно прочитайте раздел по безопасности перед началом эксплуатации. Обязательно подключите аппарат к заземлению. Убедитесь, что сеть питания соответствует нормам: 50/60Гц, 380В±10%. Перед эксплуатацией убедит...
Страница 29 - Решение проблем
Серия аппаратов КЕДР MultiARC-2500 -3 /3200/4000 дисплее. Если значения отличаются от заявленных характеристик, то, возможно, необходимо провести калибровку. Обратитесь за помощью в АСЦ ТМ «КЕДР». Проверьте работу вентилятора системы охлаждения. В случае наличия посторонних звуков или при поврежде...
Страница 32 - Список кодов ошибок
Серия аппаратов КЕДР MultiARC-2500 -3 /3200/4000 13.2 Список кодов ошибок Тип ошибки Код ошибки Описание Состояние индикатора Т ер м ор ел е E01 Перегрев (Термореле №1) Желтый светодиод «Внимание» горит E02 Перегрев (Термореле №2) Желтый светодиод «Внимание» горит E03 Перегрев (Термореле №3) Желтый ...
Страница 33 - СЕРВИСНОЕ ОБСЛУЖИВАНИЕ
Серия аппаратов КЕДР MultiARC-2500 -3 /3200/4000 14. СЕРВИСНОЕ ОБСЛУЖИВАНИЕ По всем вопросам, связанными с эксплуатацией и обслуживанием аппарата аргонодуговой сварки «КЕДР», Вы можете получить консультацию у специалистов нашей компании по телефону горячей линии КЕДР +7 (495) 134-47-47. Гарантийный ...
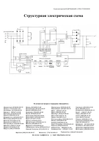
Страница 36 - Структурная электрическая схема
Серия аппаратов КЕДР MultiARC-2500 -3 /3200/4000 Структурная электрическая схема По вопросам продаж и поддержки обращайтесь: Эл. почта: ksd @nt-rt.ru || Сайт: http:// kedrs .nt-rt.ru/ А рхангельск (8182)63-90-72 А стана +7(7172)727-132 А страхань (8512)99-46-04 Б арнаул (3852)73-04-60 Б елгород (472...