Страница 3 - Сварочные аппараты
Сварочные аппараты КЕДР MultiTIG-2000P DC / 2500P-1 DC / 2500P-3 DC/ 3200P DC 3 4.6 Соотношение параметров аргонодуговой сварки (TIG) ...................... 40 4.7 Условия эксплуатации ................................................................................ 42 4.8 Общие условия по сварке ......
Страница 5 - Описание знаков безопасности
Сварочные аппараты КЕДР MultiTIG-2000P DC / 2500P-1 DC / 2500P-3 DC/ 3200P DC 5 1. БЕЗОПАСНОСТЬ 1.1 Описание знаков безопасности 1.2 Поражение сварочной дугой
Страница 9 - Электромагнитное поле
Сварочные аппараты КЕДР MultiTIG-2000P DC / 2500P-1 DC / 2500P-3 DC/ 3200P DC 9 1.3 Электромагнитное поле Электрический ток, протекающий по любому проводнику, создает локальное электромагнитное поле (ЭМП). Влияние ЭМП исследуется специалистами по всему миру. До настоящего момента нет фактических док...
Страница 10 - Краткое введение
Сварочные аппараты КЕДР MultiTIG-2000P DC / 2500P-1 DC / 2500P-3 DC/ 3200P DC 10 Сварочный аппарат и сетевой кабель должны располагаться как можно дальше от оператора в соответствии с фактическими условиями работы. Подсоедините кабель на изделие как можно ближе к зоне сварки. Работники, имеющи...
Страница 13 - Комплект поставки
Сварочные аппараты КЕДР MultiTIG-2000P DC / 2500P-1 DC / 2500P-3 DC/ 3200P DC 13 2.2 Комплект поставки MultiTIG-2000P DC / 2500P-1 DC / 2500P-3 DC: Сварочный аппарат 1 шт. Сварочная горелка 1 шт.* Комплект расходных частей сварочной горелки 1 шт.* Кабель с зажимом на изделие 1 шт. Газовый шланг 1 шт...
Страница 15 - Подключение к сети питания; Не устанавливайте никакие адаптеры между кабелем питания
Сварочные аппараты КЕДР MultiTIG-2000P DC / 2500P-1 DC / 2500P-3 DC/ 3200P DC 15 2.4 Подключение к сети питания Для питания аппаратов КЕДР MultiTIG-2000P DC / 2500P-1 DC используется однофазная сеть питания с напряжением 220В (±15%). Схема подключения аппаратов КЕДР MultiTIG 2500P-3 DC / 3200P DC из...
Страница 16 - Технические характеристики
Сварочные аппараты КЕДР MultiTIG-2000P DC / 2500P-1 DC / 2500P-3 DC/ 3200P DC 16 2.5 Технические характеристики Параметры/модель MultiTIG- 2000P DC MultiTIG- 2500P-1 DC MultiTIG- 2500P-3 DC MultiTIG- 3200P DC Входное напряжение, В 1~220±15% 1~220±15% 3~380±15% 3~380±15% Частота сети питания, Гц 50/6...
Страница 17 - Примечание. Все вышеуказанные параметры могут быть изменены при; Рабочий цикл и перегрев; При перегреве сварочного аппарата датчик защиты от перегрева
Сварочные аппараты КЕДР MultiTIG-2000P DC / 2500P-1 DC / 2500P-3 DC/ 3200P DC 17 Диапазон регулировки тока заварки кратера, % 5-200 5-250 5-250 5-320 Продувка газа после сварки, с 0-30 0-30 0-30 0-90 ПВ, % 100% при 200А 100% при 250А 100% при 250А 100% при 320А Тип поджига LiftTIG/HF LiftTIG/HF Lift...
Страница 18 - Подключение и настройка; Разъем подключения кабеля управления горелки.
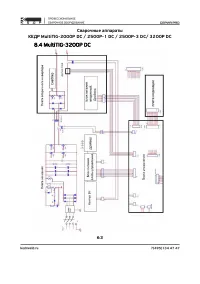
Сварочные аппараты КЕДР MultiTIG-2000P DC / 2500P-1 DC / 2500P-3 DC/ 3200P DC 18 3. Подключение и настройка 3.1 Общий вид, основные элементы 3.1.1 Аппараты MultiTIG-2000P DC/2500P-1 DC/2500P-3 DC 1. Отрицательный силовой разъем: подключение аргонодуговой горелки. 2. Разъем подключения кабеля управле...
Страница 20 - Подключение сварочных кабелей и электрододержателя; MMA (постоянный ток): Подключите на ток обратной или прямой
Сварочные аппараты КЕДР MultiTIG-2000P DC / 2500P-1 DC / 2500P-3 DC/ 3200P DC 20 3.2. Подключение сварочных кабелей и электрододержателя при MMA сварке MMA (постоянный ток): Подключите на ток обратной или прямой полярности в соответствии с используемыми электродами. Изучите инструкцию по применению ...
Страница 25 - Баллоны с защитным газом находятся под высоким давлением и могут
Сварочные аппараты КЕДР MultiTIG-2000P DC / 2500P-1 DC / 2500P-3 DC/ 3200P DC 25 Последовательность действий: 1. Подключите кабель питания сварочного аппарата к сети питания на рабочей площадке. 2. Подключите сварочный кабель с зажимом к заготовке (свариваемому металлу) и положительному силовому раз...
Страница 26 - подходящие для конкретного применения.
Сварочные аппараты КЕДР MultiTIG-2000P DC / 2500P-1 DC / 2500P-3 DC/ 3200P DC 26 - Никогда не подвергайте баллоны воздействию высокой температуры, искр, открытого пламени, механических ударов или воздействию дуги. - Не прикасайтесь к баллону сварочной горелкой. - Не проводите сварку на баллоне. - Вс...
Страница 34 - Дистанционная настройка режимов работы аппарата.
Сварочные аппараты КЕДР MultiTIG-2000P DC / 2500P-1 DC / 2500P-3 DC/ 3200P DC 34 22. Индикатор настройки сварочного тока в режиме ММА сварки. 23. Индикатор настройки функции «Форсаж дуги» в режиме ММА сварки. Для выбора настраиваемых параметров на параметрической кривой, параметров ММА сварки необхо...
Страница 37 - Описание режимов 2Т/4Т работы кнопки горелки.; Дуга
Сварочные аппараты КЕДР MultiTIG-2000P DC / 2500P-1 DC / 2500P-3 DC/ 3200P DC 37 4.4 Описание режимов 2Т/4Т работы кнопки горелки. 4.4.1 Аргонодуговая сварка (TIG) в 4-тактном режиме Значения тока старта и тока заварки кратера можно установить заранее. Данная функция может скорректировать возможное ...
Страница 39 - Рекомендации по качеству сварки
Сварочные аппараты КЕДР MultiTIG-2000P DC / 2500P-1 DC / 2500P-3 DC/ 3200P DC 39 t2 ~ t3: В течение всего процесса сварки держите и не отпускайте кнопку горелки; Примечание: Если включен режим импульсной сварки, сварочный ток будет изменяться между пиковым и базовым током. t3: Отпустите кнопку горел...
Страница 42 - Условия эксплуатации
Сварочные аппараты КЕДР MultiTIG-2000P DC / 2500P-1 DC / 2500P-3 DC/ 3200P DC 42 4.7 Условия эксплуатации ▲ Высота над уровнем моря ≤1000 метров ▲ Диапазон рабочих температур -20 ~ + 40 °C ▲ Относительная влажность воздуха ниже 90% (при 20 °C) ▲ При установке сварочного аппарата под углом относитель...
Страница 43 - Техническое обслуживание; Чтобы обеспечить безопасную и правильную работу сварочного
Сварочные аппараты КЕДР MultiTIG-2000P DC / 2500P-1 DC / 2500P-3 DC/ 3200P DC 43 ▲ В случае возникновения проблем, обратитесь к авторизованному дилеру в случае, если у вас нет авторизованного технического персонала! 5. Техническое обслуживание и устранение неисправностей 5.1 Техническое обслуживание...
Страница 45 - Устранение неисправностей; представленную ниже таблицу:
Сварочные аппараты КЕДР MultiTIG-2000P DC / 2500P-1 DC / 2500P-3 DC/ 3200P DC 45 Ежегодная проверка Измерьте сопротивление изоляции между основной цепью, печатной платой и корпусом, если измеренное значение ниже 1 МОм – изоляция повреждена и ее необходимо заменить. 5.2 Устранение неисправностей Пе...
Страница 51 - Сервисное обслуживание
Сварочные аппараты КЕДР MultiTIG-2000P DC / 2500P-1 DC / 2500P-3 DC/ 3200P DC 51 6. Сервисное обслуживание По всем вопросам, связанными с эксплуатацией и обслуживанием сварочного аппарата «КЕДР», Вы можете получить консультацию у специалистов нашей компании по телефону горячей линии КЕДР +7 (495) 13...
Страница 52 - Список запасных частей
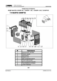
Сварочные аппараты КЕДР MultiTIG-2000P DC / 2500P-1 DC / 2500P-3 DC/ 3200P DC 52 7. Список запасных частей 7.1 MultiTIG-2000P DC № Наименование 1 Ручка 2 Корпус 3 Задняя панель (пластик) 4 Выключатель питания 5 Ввод кабельный 6 Панель задняя (металл)