Страница 3 - СОДЕРЖАНИЕ; Возможные неисправности
3 СОДЕРЖАНИЕ 1. Общие указания ............................................................. 4 2. Требования безопасности .............................................. 5 3. Технические характеристики ......................................... 7 4. Комплектность .........................................
Страница 4 - Уважаемый покупатель!
4 Уважаемый покупатель! Поздравляем Вас с приобретением нового тепловентилято- ра Hintek. При правильном обращении он прослужит Вам дол- гие годы. Вся продукция торговой марки HINTEK производится в соответствии с международными и российскими стандартами безопасности качества. Перед использованием те...
Страница 5 - ТРЕБОВАНИЯ БЕЗОПАСНОСТИ
5 напряжения от 342 до 418 В) 1.4 Внимание! Приобретая тепловентилятор: - убедитесь в наличии штампа магазина и даты продажи в отрывном талоне на гарантийный ремонт; - убедитесь в том, чтобы заводской номер на этикетке тепло- вентилятора соответствовал номеру, указанному в свидетельстве о приемке и ...
Страница 7 - ТЕХНИЧЕСКИЕ ХАРАКТЕРИСТИКИ
7 рудования может привести к его повреждению. Повреждение электроприбора из-за нарушений требований, описанных в дан- ном Руководстве, исключает возможность бесплатного гарантий- ного ремонта. При первом включении тепловентилятора возможно появле- ние характерного запаха и дыма (происходит сгорание ...
Страница 8 - УСТРОЙСТВО И ПРИНЦИП РАБОТЫ; Рис 1. Тепловентилятор
8 5. УСТРОЙСТВО И ПРИНЦИП РАБОТЫ 5.1 Схема тепловентилятора представлена на Рис. 1. 1 - корпус; 2 - крышка; 3 - вентилятор; 4 - панель шасси; 5 - решетка; 6 - кронштейн-ручка Рис 1. Тепловентилятор 5.2 Тепловентилятор соответствует обязательным требованиям ГОСТ IEC 60335-1-2015, ГОСТ IEC 60335-2-30-...
Страница 9 - ПОДгОТОВКА К РАБОТЕ; – переключатель режимов 2 – терморегулятор 3 - индикатор “СЕТЬ”
9 на Рис. 3 Приложения. 6. ПОДгОТОВКА К РАБОТЕ 1– переключатель режимов; 2 – терморегулятор; 3 - индикатор “СЕТЬ” Рис. 2. Панель шасси 6.1 Установить ручку переключателя режимов в положение «0», повернуть ручку терморегулятора в крайнее против часовой стрел- ки положение. 6.2 Тепловентилятор выпуска...
Страница 10 - ТЕХНИЧЕСКОЕ ОБСЛУЖИВАНИЕ
10 включается электродвигатель вентилятора и прибор работает в ре- жиме вентиляции, загорается лампочка (индикатор сети). 7.1.2 Выключение. Для выключения тепловентилятора необходимо установить переключатель режимов (поз.1) в положение выключено «0», при этом должен отключиться вентилятор и погаснут...
Страница 11 - ХРАНЕНИЯ И УТИЛИЗАЦИИ
11 в Таблице 3. Внимание! При соблюдении условий эксплуатации, хранения и своевременном устранении неисправностей тепловентилятор мо- жет эксплуатироваться более 7 лет. 8.2 При очистке тепловентилятора запрещается использование абразивных чистящих средств, а также средств, содержащих спирт и раствор...
Страница 12 - СЕРТИфИКАЦИЯ ПРОДУКЦИИ
12 По истечении срока службы прибора, сдавайте его в пункт сбо- ра для утилизации, если это предусмотрено местными нормами и правилами. Это поможет избежать негативных последствий для окружающей среды и здоровья человека, а также будет способст- вовать повторному использованию компонентов изделия. И...
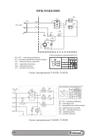
Страница 16 - ПРИЛОЖЕНИЕ
16 ПРИЛОЖЕНИЕ Схема электрическая Т-03220, Т-05220 ХТ1 EK1- EK3 - электронагревателиМL1 - индикатор сетиM1 - электродвигатель вентилятораSA1 - переключатель режимовSK1 -SK2 - термовыключателиSK3 - терморегуляторХТ1 - колодка клеммная SK3 Схема коммутации переключателя SA1 SK1 SA1 Схема электрическая...