Страница 3 - СОДЕРЖАНИЕ
3 СОДЕРЖАНИЕ 1. Общие указания ...................................................................... 4 2. Требования безопасности ...................................................... 5 3. Технические характеристики ................................................ 6 4. Комплектность поставки ........
Страница 5 - ТРЕБОВАНИЯ БЕЗОПАСНОСТИ
5 1.5 Внимание! Приобретая завесу: - убедитесь в наличии штампа магазина и даты продажи в от- рывном талоне на гарантийный ремонт; - убедитесь в том, чтобы заводской номер на этикетке соот- ветствовал номеру, указанному в свидетельстве о приемке и от- рывном талоне на гарантийный ремонт; - проверьте...
Страница 6 - ТЕХНИЧЕСКИЕ ХАРАКТЕРИСТИКИ
6 ляцию. 2.5 Запрещается подключение, ремонт и техническое обслужи- вание завесы без полного снятия напряжения с завесы. 2.6 Запрещается ограничивать движение воздуха на входе и выходе в завесу. 2.7 Запрещается эксплуатация завесы при появлении искрения и наличии видимых повреждений кабеля. 2.8 Запр...
Страница 7 - УСТРОЙСТВО И ПРИНЦИП РАБОТЫ
7 Технические характеристики Модель RS-0308-D RM-0510- DY RM-0610- DY RM-0615- 3DY RM-0915- 3DY RM-1215- 3DY RM-1220- 3DY RM-1820- 3DY RM-2420- 3DY 4. Номинальный ток в фазе, А Режим 3 14,0 22,7 9,1 9,1 13,7 18,2 18,2 28,0 37,0 5. Производительность, м/ч, не менее* 540 700 1450 1900 3200 6. Увеличен...
Страница 8 - ПОДГОТОВКА К РАБОТЕ
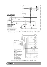
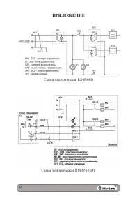
8 форированную стенку корпуса, поток воздуха, проходя через электронагреватели, нагревается и выбрасывается через решетку в виде узкой направленной струи. 5.3 Управление завесой (кроме RS-0308-D) осуществляется с выносного пульта управления (см. рис. 1). Пульт управления по- зволяет поддерживать нео...
Страница 11 - ТЕХНИЧЕСКОЕ ОБСЛУЖИВАНИЕ
11 помещения, в котором она установлена. Электронагреватели завесы, после срабатывания устройства аварийного отключения, автоматически включатся через 5-10 ми- нут. Внимание! Частое срабатывание устройства аварийного отк- лючения не является нормальным режимом работы завесы. В слу- чае повторного ср...
Страница 13 - По заказу / организация, уполномоченная принимать претен-; СВИДЕТЕЛьСТВО О ПРИЕМКЕ; Воздушно-тепловая завеса имеет сертификат соответствия.
13 11. ПРОИЗВОДИТЕЛь Производитель: ООО «КЭМП». Адрес: 426053, Удмуртская Республика, г. Ижевск, ул. Салютовская, д. 19, оф. 23 По заказу / организация, уполномоченная принимать претен- зии по качеству товара: ООО "Элком". Адрес: 192102, г. Санкт- Петербург, ул. Витебская Сортировочная, д. 3...
Страница 14 - Перечень возможных неисправностей приведен в Таблице 4.
14 13. ВОЗМОЖНЫЕ НЕИСПРАВНОСТИ И МЕТОДЫ ИХ УСТРАНЕНИЯ 13.1 Перечень возможных неисправностей приведен в Таблице 4. Таблица 4. Характер неисправности Вероятная причина Метод устранения Завеса не включается Отсутствует напряжение в электросети Проверить напряжение по фазам Обрыв кабеля управления Пров...
Страница 15 - ГАРАНТИИ ИЗГОТОВИТЕЛЯ
15 14. ГАРАНТИИ ИЗГОТОВИТЕЛЯ 14.1 Изготовитель гарантирует надежную и безотказную ра- боту завесы при соблюдении условий эксплуатации, хранения и транспортирования. Гарантийный срок эксплуатации - 12 месяцев со дня продажи завесы через розничную торговую сеть, но не более 3 лет с момен- та изготовле...