Hintek PROF-03220, 3 кВт 04.000042 - инструкции и руководства
Обогреватель Hintek PROF-03220, 3 кВт 04.000042 - инструкции пользователя по применению, эксплуатации и установке на русском языке читайте онлайн в формате pdf
Инструкции:
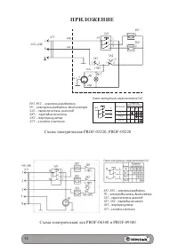
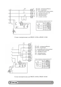
Инструкция по эксплуатации Hintek PROF-03220, 3 кВт 04.000042
1
2
3
4
5
6
7
8
9
10
11
12
13
14
15
16
17
18
19
20
Hintek Обогреватели Инструкции
-
Hintek RA 1000E 04.05.01.214533
Инструкция по эксплуатации
-
Hintek RA 1000M 04.05.01.214548
Инструкция по эксплуатации
-
Hintek RA 1500E 04.05.01.214534
Инструкция по эксплуатации
-
Hintek RA 1500M 04.05.01.214529
Инструкция по эксплуатации
-
Hintek RA 2000E 04.05.01.214535
Инструкция по эксплуатации
-
Hintek RA 2000M 04.05.01.214530
Инструкция по эксплуатации
-
Hintek RA 500M 04.05.01.214562
Инструкция по эксплуатации
-
Hintek SW 1000M 04.05.01.214551
Инструкция по эксплуатации
-
Hintek SW 1500M 04.05.01.214552
Инструкция по эксплуатации
-
Hintek SW 2000M 04.05.01.214550
Инструкция по эксплуатации
-
Hintek GAS 10, 10 кВт 04.06.05.000021
Инструкция по эксплуатации
-
Hintek GAS 15 15 кВт 04.06.05.000008
Инструкция по эксплуатации
-
Hintek GAS 30, 30 кВт 04.06.05.000009
Инструкция по эксплуатации
-
Hintek GAS 50, 50 кВт 04.06.05.000010
Инструкция по эксплуатации
-
Hintek DIS 100, 100 кВт 04.06.05.000025
Инструкция по эксплуатации
-
Hintek DIS 20, 20 кВт 04.06.05.000005
Инструкция по эксплуатации
-
Hintek DIS 20P, 20 кВт 04.06.05.000012
Инструкция по эксплуатации
-
Hintek DIS 30P 30 кВт 04.06.05.000011
Инструкция по эксплуатации
-
Hintek DIS 50, 50 кВт 04.06.05.000007
Инструкция по эксплуатации
-
Hintek IR-10 04.07.01.214392
Инструкция по эксплуатации