Страница 2 - Используемые обозначения; Свидетельство о приемке; Содержание
2 2 Используемые обозначения 3 Правила безопасности 5 Общие указания 5 Указания по технике безопасности 7 Устройство прибора 7 Управление прибором 8 Техническое обслуживание 9 Технические характеристики 9 Комплектация 9 Гарантия 10 Поиск и устранение неисправностей 11 Хранение и транспортировка 11 С...
Страница 3 - Правила безопасности
3 Правила безопасности Правила безопасности ВНИ МА НИЕ! • При эксплуатации воздухонагревателя соблюдайте общие правила безопасности при пользо - вании электроприборами. • Генератор газовый является электрическим прибором и, как всякий прибор, его необходимо оберегать от ударов, попадания пыли и влаг...
Страница 5 - • Перед любым осмотром или обслуживанием выключайте из розетки.; Общие указания; Назначение; устройства поступают в помещение.
5 Общие указания • Никогда не закрывайте отверстия тепловой пушки, не накрывайте ее при использовании. • Никогда не меняйте конструкцию тепловой пушки, не надстраивайте собственных приспосо - блений. • Не использовать под дождем или снегом, не включать в помещениях с искусственно завы - шенной влажн...
Страница 6 - Указания по технике безопасности
6 Указания по технике безопасности • Внимательно прочитайте инструкции перед началом эксплуатации. Ознакомьтесь с устройством и способами управления теплогенератором. • Следуйте инструкциям по техническому обслуживанию и таблице неисправностей, описан - ным в данном руководстве. • Не загораживайте в...
Страница 7 - Кран регулировочный; Подготовка к эксплуатации; Закрепить ручку к корпусу теплогенератора двумя винтами М4х14.; Устройство прибора
7 веществ. • Используйте только специальные баллоны для газа. Используйте только газ в соответствии с ГОСТ 20448-90. • Иногда баллон может покрываться инеем, т.е. обмерзать. Такая ситуация обычно возникает, когда не хватает газа в баллоне. Для уменьшения вероятности появления эффекта «обмо - раживан...
Страница 8 - Техническое обслуживание; • Данное соединение имеет левую резьбу.; Включение; Аварийное отключение; Извлеките электрическую вилку из розетки.
8 Техническое обслуживание ВНИМАНИЕ! • Данное соединение имеет левую резьбу. • Проверьте все газовые соединения, включите подачу газа и убедитесь в отсутствии утечек (см. разделы «Техническое обслуживание» и «Устранение неисправностей»). • Вставьте электрическую вилку в розетку. Включение 1. Эксплуа...
Страница 9 - вентилятора обратитесь в сервисный центр.; Схема 1 Схема 2; ального герметика Loctite 577.
9 Техническое обслуживание Техническое обслуживание проводится не менее одного раза в год. Для обслуживания Вашего тепло - вентилятора обратитесь в сервисный центр. Достаньте форсунку, проверьте ее и почистите, продув в обратном направлении потока газа. Снимите камеру сгорания (убедитесь, что вы отк...
Страница 10 - Технические характеристики
10 Технические характеристики Параметры / Модель GAS-10 GAS-15 GAS-30 GAS-50 GAS-70 Максимальная тепловая мощность, кВт 10 17 33 53 75 Номинальная потребляемая мощность, Вт 32 32 53 103 220 Номинальный ток, А 0,15 0,15 0,24 0,48 1 Давление газа, бар/МПа 1,5/0,15 1,5/0,15 1,5/0,15 1,5/0,15 1,5/0,15 Р...
Страница 11 - Таблица 2; Поиск и устранение неисправностей; Таблица 3
11 Поиск и устранение неисправностей См. ПриложениеРемонт теплогенератора должен производиться только в специализированных мастерских. Перед обращением в сервисный центр, попробуйте решить проблему самостоятельно. Перечень возможных неисправностей и методы их устранения приведены в таблицах 2 и 3. Т...
Страница 12 - Хранение и транспортировка
12 Хранение и транспортировка Хранить теплогенератор рекомендуется в закрытых или других помещениях с естественной вентиляцией при температуре от + 5°С до + 40°С. Максимальное значение относительной влажности воздуха при хранении не более 80 % при температуре + 25°С. Длительно хранить тепловентилято...
Страница 13 - Сертификация продукции; Товар соответствует требованиям технического регламента:
13 Сертификация продукции Товар соответствует требованиям технического регламента: ТР ТС 016/2011 "О безопасности аппаратов, работающих на газообразном топливе", ТР ТС 004/2011 "О безопасности низковольтного оборудования", ТР ТС 020/2011 "Электромагнитная совместимость технически...
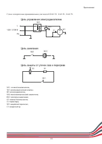
Страница 14 - Приложение; Электрическая схема; Цепь управления электродвигателем
14 Приложение Электрическая схема Схема электрическая принципиальная для моделей GAS-10, GAS-15. SА1 -cетевой выключатель; YA1-электромагнитный клапан; M1-электродвигатель; SA2-пьезоэлектрический зажигатель;BQ1-электрод зажигания; G1-клапан безопасности; S1-термопара; SK1-защитный термостат. L N PE ...
Страница 27 - УтверЖДАЮ; О гарантийных мастерских Вы можете узнать у поставщика.; ООО «Элком»; Изготовлено в России
27 талон на гарантийный ремонт конвектора электрического конвектор электрический _______________________________ зав № __________________________________________________ продан _________________________________________________ ________________________________________________________ « ______» ______...