Страница 2 - УВАЖАЕМЫЙ ПОКУПАТЕЛЬ,; возникнет затруднений по обслуживанию духовки.
2 УВАЖАЕМЫЙ ПОКУПАТЕЛЬ, Духовкa «Hansa» объединяет в себе такие качества, как исключительная простота эксплуатации и стопроцентная эффективность. После прочтения инструкции у Вас не возникнет затруднений по обслуживанию духовки. Духовкa, при выпуске с завода, перед упаковкой была тщательно проверена...
Страница 3 - СОДЕРЖАНИЕ
3 СОДЕРЖАНИЕ Техника безопасности.......................................................................................................4 Описание устройства.......................................................................................................7 Монтаж ..................................
Страница 4 - УКАЗАНИЯ ПО ТЕХНИКЕ БЕЗОПАСНОСТИ
4 УКАЗАНИЯ ПО ТЕХНИКЕ БЕЗОПАСНОСТИ Внимание! Оборудование и его доступные части нагреваются во время эксплуатации. Всегда следует помнить, что существует опасность травмы, при прикосновении к нагревательным элементам. Поэтому, во время работы оборудования - быть особо бдительными! Дети младше 8 лет ...
Страница 5 - рудования не рассчитана на высокие температуры.
5 УКАЗАНИЯ ПО ТЕХНИКЕ БЕЗОПАСНОСТИ Когда используется духовка, доступные части могут нагреться. Рекомендуется не подпускать к духовке детей. Внимание! Не применять для чистки агрессивных моющих и чистящих средств, острых металличе - ских предметов для чистки стекла дверей, так как данные средства мо...
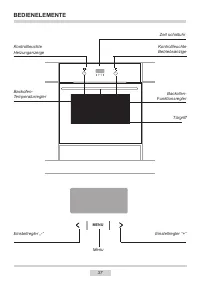
Страница 7 - ОПИСАНИЕ УСТРОЙСТВА
7 MENU C O MENU ОПИСАНИЕ УСТРОЙСТВА Ручка выбора функции духовки Таймер* Ручка регулятора температуры Контрольная лампа терморегу - лятора Контрольная лампа рабо - ты духовки Pучкa изменения установок ”+” кнопка меню Pучкa изменения установок „-” * для определенных моделей
Страница 8 - Решетка для гриля
8 * для определенных моделей ОПИСАНИЕ УСТРОЙСТВА Оснащение плиты - перечень: Поддон для жарки* Поддон для выпечки* Решетка для гриля (решетка для сушки) Боковые лестнички Вертел –и вилки*
Страница 9 - МОНТАЖ; Монтаж духовки
9 МОНТАЖ Внимание! Монтаж производить при отклю - ченном электропитании. Монтаж духовки Кухонное помещение должно быть су - хим и проветриваемым, иметь исправную вентиляцию, а расположение духовки должно обеспечивать свободный доступ к элементам управления. Духовка изготов - лена в категории Y. Мебе...
Страница 10 - ЭКСПЛУАТАЦИЯ; Подключение; духовки; электрической сети
10 ЭКСПЛУАТАЦИЯ Подключение духовки к электрической сети ● При производстве духовка рассчитана на питание переменным однофазным током (230В~50 Гц) и оснащена кабе - лем подключения 3 x 1,5 мм 2 длиной около 1,5 м с закрытой вилкой. ● Гнездо подключения электросети должно быть закрытым и не долж - но...
Страница 11 - Камеру духовки нужно мыть исключи-; Перед первым включением духовки; Если текущее время не установле-
11 ЭКСПЛУАТАЦИЯ Камеру духовки нужно мыть исключи- тельно теплой водой с добавлением небольшого количества жидкости для мытья посуды. Перед первым включением духовки Ручки выключателей «спрятаны» в пане - ли управления. Для того, чтобы выбрать желаемую функцию следует: 1.Осторожно нажать ручку и отп...
Страница 12 - Таймер; Установка текущего времени
12 ЭКСПЛУАТАЦИЯ Таймер A - дисплей обозначения рабочих функций 1 - сенсор выбора функций работы про- сенсор выбора функций работы про - грамматора 2 - сенсор „-” 3 - сенсор „+” Установка текущего времени После подключения к сети или повторного включения после пропадания напряжения в сети, дисплей по...
Страница 13 - Полуавтоматический режим
13 ЭКСПЛУАТАЦИЯ Полуавтоматический режим Для того, чтобы духовка выключилась в определенное время: yстановите ручку функции духовки и ручку терморегулирования в положение, при которых должна работать духовка нажмите и удерживайте сенсор 1, пока на дисплеи не высветится: yстановите требуемое вр...
Страница 14 - Отмена настроек
14 ЭКСПЛУАТАЦИЯ Функция AUTO высвечивается, работа ду - ховки начнется, учитывая разницу между установленным временем окончания ра - боты и установленным временем работы духовки (например, установленное время работы духовки равняется 1 час, а установленное время окончания работы 14.00. Духовка включ...
Страница 15 - Функции духовки и ее обслужива-
15 ЭКСПЛУАТАЦИЯ Автономное освещение духовки Установив ручку в это положение, мы включаем освещение камеры духовки. Используется, например, при мытье камеры. Включен нижний нагреватель В этом положении ручки духовка нагревается только нижним на - гревателем. Применять при под - жаривании выпечки сни...
Страница 21 - ПРИГОТОВЛЕНИЕ ПИЩИ В ДУХОВКЕ - ПРАКТИЧЕСКИЕ СОВЕТЫ; Выпечка
21 ПРИГОТОВЛЕНИЕ ПИЩИ В ДУХОВКЕ - ПРАКТИЧЕСКИЕ СОВЕТЫ Выпечка Рекомендуется выпекать пироги на поддонах, являющихся заводской комплектацией плиты, Выпечку можно производить в формах и на поддонах промышленного про - изводства, которые ставятся на боковые направляющие. Для приготовления продуктов...
Страница 22 - ПРИГОТОВЛЕНИЕ ПИЩИ В ДУХОВКЕ - ПРАКТИЧЕСКИЕ СОВЕТЫ; зависимости от Ваших кулинарных пристрастий и опыта.; Духовка с естественной конвекцией (стандартная)
22 ПРИГОТОВЛЕНИЕ ПИЩИ В ДУХОВКЕ - ПРАКТИЧЕСКИЕ СОВЕТЫ Внимание! Параметры, приведенные в таблицах являются справочными и могут изменяться в зависимости от Ваших кулинарных пристрастий и опыта. Вид выпечки продукт Функции духовки Tемпература Уровень Время [мин.] 160 - 200 2 - 3 30 - 50 160 - 180 2 20...
Страница 23 - Духовка с естественной конвекцией
23 Внимание! Параметры, приведенные в таблицах являются справочными и могут изменяться в зависимости от Ваших кулинарных пристрастий и опыта. ПРИГОТОВЛЕНИЕ ПИЩИ В ДУХОВКЕ - ПРАКТИЧЕСКИЕ СОВЕТЫ Вид выпечки продукт Функции духовки Tемпература Уровень Время [мин.] 160 - 200 2 - 3 30 - 50 150 3 25 - 35 ...
Страница 24 - Духовка с принудительной конвекцией (с конвекцией и кольцевым
24 Внимание! Параметры, приведенные в таблицах являются справочными и могут изменяться в зависимости от Ваших кулинарных пристрастий и опыта. ПРИГОТОВЛЕНИЕ ПИЩИ В ДУХОВКЕ - ПРАКТИЧЕСКИЕ СОВЕТЫ Вид выпечки продукт Функции духовки Tемпература Уровень Время [мин.] 160 - 200 2 - 3 30 - 50 160 - 180 2 20...
Страница 25 - ОБСЛУЖИВАНИЕ И УХОД; Паровая чистка «Steam Clean»; Замена лампочки освещения; Для иск лючения возможности по-; Лампочка духовки
25 Аккуратность пользователя и поддержа- ние духовки в чистоте и ее правильное содержание в значительной мере прод- левают срок ее безаварийной работы. Перед чисткой духовку нужно выключить, обратив особое внимание на то, чтобы все ручки находились в положении „ ” / „0”. Чистку можно производить т...
Страница 26 - Снятие дверцы; Отодвинуть предохранители петель; Снятие внутреннего стекла
26 ОБСЛУЖИВАНИЕ И УХОД Снятие дверцы Для более удобного доступа к камере духовки и ее чистки можно снять двер - цу. Для этого нужно ее открыть, поднять предохранитель, находящийся в петле (рис. А). Дверцу слегка прикрыть, припод - нять и выдвинуть вперед. Для установки дверцы в плит у повторить дейс...
Страница 27 - Не следует вдавливать; Снятие внутреннего стекла.
27 D 1 2 3 1 2 3 1 2 3 ОБСЛУЖИВАНИЕ И УХОД 3. Внутреннее стекло вынуть из крепле - ния (в нижней части дверцы). Рис. D,D1. 4. Помыть стекло теплой водой с не - большим количеством чистящего средства. Чтобы установить стекло, следует поступать в обратной очередности. Гладкая часть стекла должна нахо ...
Страница 28 - Периодический осмотр; Dp
28 Периодический осмотр Помимо действий, необходимых для поддержания духовки в чистоте, сле - дует: проводить периодические проверки работы элементов управления и ра - бочих групп плиты. После истечения гарантийного срока, минимум раз в два года, следует производить осмотр технического состояния п...
Страница 29 - ПОВЕДЕНИЕ В АВАРИЙНЫХ СИТУАЦИЯХ; В каждой аварийной ситуации следует:
29 ПРОБЛЕМА 1. Электрика не работает 2. Дисплей таймера пока- Дисплей таймера пока - зывает „0.00” 3.Не работает освещение духовки ПРИЧИНА Отсутствие питания Прибор был отключен от сети или временно пропало напряжение Л а м п а в ы в е р н у т а и л и перегорела ДЕЙСТВИЯ Проверить предохрани - тель,...
Страница 30 - ТЕХНИЧЕСКИЕ ДАННЫЕ
30 ТЕХНИЧЕСКИЕ ДАННЫЕ Номинальное напряжение: 230V~50 Гц Номинальная мощность: макс. 3,1 кВт Размеры плиты (ШИРИНА / ГЛУБИНА / ВЫСОТА) 59,5 / 57,5 / 59,5 cm Полезный объем духовки* 65 - 72 литров Энергетическая категория на этикетке Вес ок. 35 кг Соответствует нормативам EN 60335-1, EN 60335-2-6. * ...