Страница 2 - Contents
Contents Краткое описание ................................................ 3 Рабочее окно ................................................ 3 Идентификация компонентов ................................ 4 Комплект для питания от линии электроснабжения 262940................... 4 Комплект воздушной турб...
Страница 3 - Краткое описание; Рабочее окно
Краткое описание Краткое описание Комплект контроля давления предназначен для отключения распылителя в случае аномальных показателей давления во избежание распыления материала, смешанного не в соответствующих пропорциях.Для считывания показателей давления жидкости на сторонах A и B в выпускном колле...
Страница 4 - Идентификация компонентов; Комплект для питания от линии электроснабжения 262940
Идентификация компонентов Идентификация компонентов Комплект для питания от линии электроснабжения 262940 SA SD SG SB SE SF SC F D A SJ SH C B G SL E Figure 1 Table 1 Таблица идентификации кабелей Код Kабель Идентификац ионная наклейка A Электропитание CAN (локальная сеть контроллеров) B Датчик давл...
Страница 6 - Интерфейс пользователя; УВЕДОМЛЕНИЕ
Идентификация компонентов Интерфейс пользователя Figure 3 Table 5 Функции кнопок LCM Кнопка Функция Режим Выбор режима работы или настройки. Распыление Запуск и остановка пневматического двигателя. Если показатели давления ниже минимального давления распыления, двигатель будет оставаться включенным ...
Страница 7 - Элементы дисплея
Идентификация компонентов Элементы дисплея В таблицах ниже приведены элементы, показанные на экранах рабочих режимов "Режим распыления активен", "Режим циркуляции активен", "Аварийный сигнал активен" и "Отклонение активно". Дополнительные сведения см. в разделе Сведен...
Страница 8 - Установка; Расположение; Установка воздушного
Установка Установка Прежде чем устанавливать комплект контроля давления, отключите распылитель XP. Придерживайтесь процедур отключения и сброса давления, описанных в руководстве по эксплуатации распылителя XP. Прокладка электрических проводов должна выполняться квалифицированным электриком с соблюде...
Страница 9 - Установка блока электронного
Установка Установка блока электронного оборудования и LCM В предыдущих версиях тележек XP было два монтажных отверстия, а в новых тележках XP их уже три. Выполните этапы 1 и 2, чтобы просверлить третье монтажное отверстие для комплекта контроля давления. Если у вас новая тележка XP, выполните этап 2...
Страница 10 - Установка датчиков давления; Подключение воздушных шлангов; Запуск
Запуск Установка датчиков давления 1. Удалите заглушки из коллектора циркуляционной системы. Note Сохраните заглушки на случай снятия комплекта контроля давления. 2. Подключите датчик давления (4), с синей наклейкой № 6 и кольцевым уплотнением черного цвета (13), к стороне A коллектора циркуляционно...
Страница 11 - Окончание работы
Окончание работы 6. В режиме циркуляции все аварийные сигналы отключены, за исключением сигналов об обнаружении воздушного электромагнитного клапана, сбое датчика давления и повышенном давлении. Note В режиме ручного перепуска при сбое одного датчика давления все же можно выполнять распыление, однак...
Страница 12 - Рекомендации и; Сброс аварийных сигналов; Просмотр текущих аварийных
Рекомендации и аварийные сигналы Рекомендации и аварийные сигналы Существует три вида ошибок, которые могут возникнуть. Ошибки выводятся на дисплее и показываются на сигнальной стойке. Аварийные сигналы, обозначенные с помощью , требуют безотлагательного вмешательства пользователя; таким образом, бл...
Страница 13 - Коды ошибок
Рекомендации и аварийные сигналы Коды ошибок Код Значок Наименование кода Код сигнальной стойки Причина Решение Аварийные сигналы Израсходован запас материала на стороне B. Заполните бункер или замените барабан. Кавитация в насосе со стороны B. Подогрейте материал или увеличьте давление подачи. Утеч...
Страница 16 - Ремонт; Замена съемной пленки LCM
Ремонт Ремонт Специальные процедуры по ремонту системы см. в руководстве "Инструкции и детали к распылителю XP". Замена съемной пленки LCM LCM поставляется с 10-ю защитными съемными пленками, которые препятствуют попаданию распыляемого материала на дисплей LCM. 1. Снимите загрязненную защитн...
Страница 17 - Замена патрона для генератора
Ремонт Замена патрона для генератора переменного тока или турбины Только для модели 262942.Патрон для генератора переменного тока или турбины 257147 (34e) можно заменить в генераторе переменного тока 262579 (34). 1. Выключите подачу воздуха.2. Закройте шаровой клапан (22).3. Снимите крышку блока (30...
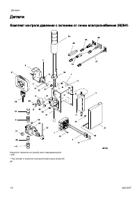
Страница 18 - Детали
Детали Детали Комплект контроля давления с питанием от линии электроснабжения 262940 Нанесите герметик на резьбу всех невращающихся труб. * Уже входит в комплект распылителей новых моделей XP. 18 3A2143F
Страница 20 - Комплект контроля давления
Детали Комплект контроля давления с питанием от генератора переменного тока 262942 Нанесите герметик на резьбу всех невращающихся труб. * Уже входит в комплект распылителей новых моделей XP. 20 3A2143F
Страница 22 - Приложение A. Дисплей пользовательского; Сведения о режиме настройки; Экран настройки 1
Приложение A. Дисплей пользовательского интерфейса Приложение A. Дисплей пользовательского интерфейса Сведения о режиме настройки Экраны режима настройки позволяют пользователю просматривать или изменять данные конфигурации системы. Пользователь может задать указанные ниже параметры. • Единицы измер...
Страница 24 - Экран настройки 3; Установка пароля
Приложение A. Дисплей пользовательского интерфейса Экран настройки 3 Экран настройки 3 позволяет пользователям просматривать все ошибки и полностью очищать журнал ошибок. Новая ошибка отображается в журнале ошибок вверху списка. Дополнительные сведения см. в таблице ниже. Значок ФункцияНомер ошибки ...
Страница 25 - Сведения о рабочем режиме; Режим циркуляции активен; Режим распыления активен
Приложение A. Дисплей пользовательского интерфейса Сведения о рабочем режиме Существует четыре экрана рабочих режимов: "Режим циркуляции активен", "Режим распыления активен", "Аварийный сигнал активен" и "Отклонение активно". Режим циркуляции активен Этот экран рабоче...
Страница 26 - Информационный экран
Приложение A. Дисплей пользовательского интерфейса допустимого давления. Дополнительные сведения см. в таблице ниже. Значок Состояние системыОзначает, что активно отклонение. На сигнальной стойке будет мигать индикатор желтого цвета. Подача воздуха в двигатель активна. Как только отклонение будет ус...
Страница 27 - Приложение B. Подключения ограничительного
Приложение B. Подключения ограничительного модуля Приложение B. Подключения ограничительного модуля Ниже описываются контакты для всех соединителей, используемых в ограничительном модуле. Эти сведения можно использовать, если компоненты соединены проводами непосредственно с ограничительным модулем. ...
Страница 28 - Принадлежности
Принадлежности Датчик давления 7 на стороне B – красный Описание контакта Номер контакта Соединитель M12, 5 контактов, гнездовой, код B Перепад давления, аналоговый вход (+) 4 Номер контактной детали Phoe- nix 1543650 Перепад давления, аналоговый вход (-) 2 Мощность давления (5 В) 1 Давление (земля)...
Страница 29 - Технические данные
Технические данные Технические данные Датчики давленияДиапазон давления жидкости 3–500 бар (50–7250 фунтов/кв. дюйм) Требования по питанию для модели 262940:Напряжение 90–260 В пер. тока Частота 50–60 Гц Фаза 1 Ток 1 Требования к сжатому воздуху для модели 262942:Минимальное давление подачи воздуха ...
Страница 30 - Стандартная гарантия компании Graco; Информация Graco
Стандартная гарантия компании Graco Êîìïàíèÿ Graco ãàðàíòèðóåò, ÷òî âî âñåì îáîðóäîâàíèè, óïîìÿíóòîì â íàñòîÿùåì äîêóìåíòå,ïðîèçâåäåííîì êîìïàíèåé Graco èìàðêèðîâàííîì åå íàèìåíîâàíèåì, íà äàòó åãî ïðîäàæè óïîëíîìî÷åííûì äèñòðèáüþòîðîì Graco ïåðâîíà÷àëüíîìó ïîêóïàòåëþ îòñóòñòâóþò äåôåêòûìàòåðèàëà è ...