Страница 2 - эксплуатации и техническому обслуживанию данных устройств.; ПРЕДУПРЕЖДЕНИЕ
2 Уважаемые господа, Благодарим Вас за выбор наших котлов. Просим Вас внимательно ознакомиться с настоящей инструкцией по установке, эксплуатации и техническому обслуживанию данных устройств. ПРЕДУПРЕЖДЕНИЕ Информация для пользователя: • Котлы должны быть установлены Авторизованной фирмой обладающей...
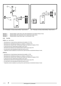
Страница 8 - Инструкции для пользователя; Панель управления; RESET; Рис. 1 Панель управления
8 Инструкции для пользователя 1. Инструкции для пользователя 1.1 Панель управления 6 A D C F 7 4 RESET 8 5 3 1 RESET 2 E B Рис. 1 Панель управления A. Регулировка температуры горячей воды (+/- ГВС) . B. Выбор режима работы котла и подтверждение нового значения. C. Разблокировка и возврат на стартову...
Страница 9 - Описание
9 Инструкции для пользователя Поз. Описание Горит Мигает 1 Индикатор параметров Отображение параметра в меню пара - метров. Не используется. 2 Индикатор контура ГВС Котел работает в режиме приготовле - ния ГВС. Отображение установленной темпера - туры в контуре ГВС. 3 Буквенно-цифровой ин - дикатор ...
Страница 10 - Oтображение состояния котла на дисплее; Таблица технических неисправностей
10 Инструкции для пользователя 1.2 Oтображение состояния котла на дисплее 1.2.1 Котел в дежурном режиме OFF Котел в дежурном режимe Котел в режиме ЛЕТО Ни одна из функций котла не включена Отображается температура подачи Котел в режиме ЗИМА Ни одна из функций котла не включена Отображается температу...
Страница 12 - ОПАСНОСТЬ
12 Инструкции для пользователя 1.3.4 Режим производства ГВС Функция производства ГВС всегда является приоритетной, относительно функции нагрева воды для контура отопления. Желаемое значение температуры ГВС регулируется с помощью кнопок +/- ГВС . Диапазон работы температуры ГВС: +35 °С - +57 °С.Во вр...
Страница 13 - Работа с датчиком комнатной температуры; Установка датчиков комнатной температуры; Под; ВНИМАНИЕ
13 Инструкции для пользователя 1.3.8 Функция пост-вентиляции (CTFS) После каждого запроса мощности для системы отопления, ГВС и защиты от замерзания вентилятор продолжает работать в течение 10 секунд. Пост-вентиляция принудительно прерывается при поступлении очередного запроса тепловой мощности для ...
Страница 14 - Блокировка котла
14 Инструкции для пользователя 1.4 Блокировка котла В случае возникновения нарушений в работе, котел автоматически блокируется. Для определения причин блокировки котла, смотри Таблица технических неисправностей на странице 57 . В соответствии с типом неисправности необходимо дeйcтвoвaть cоглaснo ниж...
Страница 15 - Техническое обслуживание
15 Инструкции для пользователя 1.4.5 Cбoи в работе температурных датчиков В случае неисправности температурных датчиков котла, на его дисплее появится соответствующий код неисправности: • E05 в этом случае котел не работает. • E06 неисправен датчик контура ГВС; в этом случае котел работает только в ...
Страница 16 - Технические характеристики и габаритные размеры; Технические характеристики; CTFS; с помощью проточного теплообменника.
16 Технические характеристики и габаритные размеры 2. Технические характеристики и габаритные размеры 2.1 Технические характеристики Котел оборудован встроенной газовой атмосферной горелкой и выпускается в следующих версиях: • CTFS котел с закрытой камерой и принудительной тягой, с электронным poзжи...
Страница 18 - Габаритные размеры; Рис. 3 Габаритные размеры CTFS
18 Технические характеристики и габаритные размеры 2.2 Габаритные размеры CTFS 250 400 700 200 107,5 134 60 66 60 62 67 82 63 114 31 91 81 M C G F R Рис. 3 Габаритные размеры CTFS M Подающая линия системы отопления (3/4'') C Выход горячей воды (1/2") G Вход газа (1/2'') F Подача холодной воды (1...
Страница 19 - CTN; Рис. 4 Габаритные размеры CTN
19 Технические характеристики и габаритные размеры CTN 400 700 250 232 118 66 60 62 67 82 63 114 31 91 81 C M F R G Рис. 4 Габаритные размеры CTN M Подающая линия системы отопления (3/4'') C Выход горячей воды (1/2") G Вход газа (1/2'') F Подача холодной воды (1/2'') R Возврат из системы отоплен...
Страница 20 - Гидравлические схемы; C G; Рис. 5 Гидравлические схемы CTFS
20 Технические характеристики и габаритные размеры 2.3 Гидравлические схемы CTFS M C G 8 7 65 4 32 1 9 10 11 12 19 14 15 F R 13 18 21 16 20 24 22 25 26 23 17 Рис. 5 Гидравлические схемы CTFS M Подающая линия системы отопления C Выход ГВС G Вход газа F Подача холодной воды R Возврат из системы отопле...
Страница 21 - Рис. 6 Гидравлические схемы CTN
21 Технические характеристики и габаритные размеры CTN M C G 8 765 4 32 1 9 10 14 F R 13 16 11 15 19 17 20 18 12 21 Рис. 6 Гидравлические схемы CTN M Подающая линия системы отопления C Выход ГВС G Вход газа F Подача холодной воды R Возврат из системы отопления 1. Автоматический By-pass2. Температурн...
Страница 22 - Рабочие характеристики
22 Технические характеристики и габаритные размеры 2.4 Рабочие характеристики Давление на горелке, указанное в приведенной ниже таблице, должно замеряться после 3-х минут работы котла.Категоря газа: II2H3+ CTFS Топливо Входное давле - ние газа [мбар] Форсунка [мм] Минимальное давление на го - релке ...
Страница 23 - Табл. 7 Тарировочные данные CTN 24; Общие технические характеристики; Табл. 8 Oбщие характеристики CTFS
23 Технические характеристики и габаритные размеры Топливо Входное давле - ние газа [мбар] Форсунка [мм] Минимальное давление на го - релке [мбар] Максимальное давление на горелке отопление [мбар] Максимальное давление на горелке ГВС [мбар] Метан G20 20 1,35 2,5 11,4 11,4 Метан G20 13 1,35 2,5 11,4 ...
Страница 24 - Табл. 9 Oбщие характеристики CTN
24 Технические характеристики и габаритные размеры Описание Величи - на изме - рения CTN 24 Количество форсунок горелки № 11 Номинальная тепловая мощность кВт 24,5 Минимальная тепловая мощность кВт 12,0 Максимальная теплопроизводительность кВт 21,8 Минимальная теплопроизводительность кВт 10,4 Минима...
Страница 27 - Инструкции по установке; Нормы по установке; Выбор места установки котла; Система воздухозабора и дымоотвода; Размещение котла
27 Инструкции по установке 3. Инструкции по установке 3.1 Нормы по установке Этот котел должен быть установлен согласно нормативам действующим в стране установки, и инструкциям приведенным в настоящем руководстве. Для определения категории газа, для консультирования технических данных, смотри рабочи...
Страница 29 - Подключение к гидравлической сети; Вентиляция помещений
29 Инструкции по установке 3.4 Монтаж котла ОПАСНОСТЬ Перед подсоединением котла к отопительной системе и к контуру ГВС следует тщательно прочистить систему. Перед запуском в работу НОВОЙ системы, необходимо провести очистку труб, чтобы удалить возможные ме - таллические остатки монтажа и сварки, ос...
Страница 30 - Система воздухозабора и дымоотвода; фективное и постоянное удаление продуктов сгорания
30 Инструкции по установке 3.6 Система воздухозабора и дымоотвода При расположении на стене терминалов воздухозабора и дымоотвода необходимо соблюдать требования действующих норм и стандартов, а также рекомендации приведенные в данной “Инструкции”. ОПАСНОСТЬ Котел оборудован предохранительным устрой...
Страница 31 - Прямой вывод наружу; Рис. 9 Габаритные размеры для подключения к дымоходу
31 Инструкции по установке ≥ 1,5 m Ø Ø 2 Ø 2 Ø ≤ 1 m ≤ 1 m ≥ ≥ ≥ 1,5 m ! Ø ! Ø ≥ 2 Ø ≥ 2 Ø Рис. 8 Подсоединение к дымоходу котлов с открыой камерой сгорания Прямой вывод наружу Котлы с естественной тягой могут выводить продукты сго - рания напрямую в атмосферу через трубу, проходящую по внешним стен...
Страница 32 - Возможные схемы для систем воздухозабора и дымоотвода
32 Инструкции по установке 3.6.3 Возможные схемы для систем воздухозабора и дымоотвода Тип B22 • Конструкция котла обязывает подсоединение его к дымо - отводу для удаления отработанных газов наружу помеще - ния его установки. • Забор воздуха происходит в помещении установки котла, при этом отработан...
Страница 36 - Забор воздуха; Дымоотвод
36 Инструкции по установке 3.6.5 Воздухозабор / дымоотвод с раздельными трубами диам. 80 мм ПРЕДУПРЕЖДЕНИЕ Эти данные действительны для каналов воздухозабора и дымоотвода состоящих из жестких труб с гладкой по - верхностью, поставляемых производителем. Тип установки C42 - C52- C82 Для всех систем ра...
Страница 37 - Рис. 13 Размеры для подсоединения раздельных труб воз
37 Инструкции по установке CTFS 24 Забор воздуха • Минимально допустимая длина воздухозаборных труб – 0,5 м.• Каждый добавочный изгиб на 90° с широким радиусом (R=D) при воздухозаборе равен 1,5 м эквивалентной линейной длины. • Каждый отвод нa 90° малого радиуса (R<D) на заборе воздуха эквивалент...
Страница 38 - Пример 1
38 Инструкции по установке H 150 mm 500 mm 2 1 Рис. 14 Примеры системы воздухозабора / дымоотвода 135 mm 250 mm 45 mm 500 mm 500 mm 3 Рис. 15 Пример системы воздухозабора / дымоотвода Пример 1 . . . . . Воздухозабор и дымоотвод через две диаметрально противоположные стены. Пример 2 . . . . . Воздухо...
Страница 39 - Проверка КПД горения; и удерживать их на протяже; Система раздельных труб; Данные измерения проводить при работающем котле.; Рис. 16 Примеры мест для контроля дымовых газов
39 Инструкции по установке 3.7 Проверка КПД горения 3.7.1 Режим тестирования ("трубочист") • В котле предусмотрена функция "трубочист", которая используется для измерения КПД горения в процессе работы и для регулировки горелки. • Для активации режима трубочист необходимо одновременно...
Страница 40 - Подключение к газовой сети; Рис. 17 Подключение к газовой сети; Подключение к гидравлической сети; последующем могут повредить насос или теплообменник.
40 Инструкции по установке 3.8 Подключение к газовой сети ОПАСНОСТЬ Перед подключением котла к газопроводу убедитесь, что тип газа в нем и обозначеный на шильде котла совпа - дают. В противном случае запрещается подключение котла к газовой сети. Сечение применяемой трубы зависит от ее длины, типа га...
Страница 42 - Установка датчиков комнатной температуры; регулирования
42 Инструкции по установке 3.11 Подключение к комнатному термостату (oпция) Котел может быть подсоединен одному комнатному термостату (опция). Конаткты комнатного термостата работают под нагрузкой 4 мА при 20 В постоянного тока. Комнатный термостат должен подключаться к контактам (3) и (4) пульта уп...
Страница 43 - Работа с датчиком температуры; Tm
43 Инструкции по установке ПРЕДУПРЕЖДЕНИЕ Провода датчика наружной температуры НЕ должны соприкасаться с проводами электропитания. Датчик должен устанавливаться на стену с СЕВЕРНОЙ или СЕВЕРО-ВОСТОЧНОЙ стороны, в месте, защищенном от воз - действия атмосферных явлений. Не устанавливать датчик наружн...
Страница 46 - Заполнение системы; ствить стравливание воздуха.
46 Инструкции по установке 3.15 Заполнение системы После завершения монтажа отопительной системы можно приступать к ее заполнению. Эту операцию следует выполнять с особой осторожностью по следующей схеме: • Открыть воздушные клапаны батарей и проверить работу автоматического воздушного клапана котла...
Страница 47 - Включение котла; Перед пуском котла следует убедиться в том, что:; при включенном котле не должно; ладку котла на соответствующий вид газа (см.; “Инструкции для пользователя”; Инструкции для; Располагаемый напор; Рис. 19 Располагаемый напор CTFS
47 Инструкции по установке 3.16 Включение котла 3.16.1 Предпусковой контроль Перед пуском котла следует убедиться в том, что: • газоотводный канал и выступающая часть трубы установлены согласно инструкциям: при включенном котле не должно быть никаких утечек продуктов сгорания через уплотнения ; • Ко...
Страница 49 - Электрические схемы; Рис. 21 Электрическая схема CTFS
49 Инструкции по установке 3.18 Электрические схемы CTFS 1 2 3 4 1 2 3 4 P P P 230Vac50Hz P VG SM SS SR SEXT/SAMB TA FL APS TS DK MDV 1 2 3 4 FUSE E VE Рис. 21 Электрическая схема CTFS
Страница 51 - VE
51 Инструкции по установке Внутренние подключения APS : . . . . . . . . . реле давления дымовых газов TF : . . . . . . . . . . термостат дымовых газов DK : . . . . . . . . . . реле давления воды E : . . . . . . . . . . . электрод поджига/контроля пламени FL : . . . . . . . . . . реле протока MDV : ....
Страница 52 - Переналадка котла на другой тип газа и регулировка горелки; • изменить значение параметра
52 Инструкции по установке 3.19 Переналадка котла на другой тип газа и регулировка горелки ПРЕДУПРЕЖДЕНИЕ Данный котел произведен для работы с типом газа, который указан на маркировке упаковки и на заводской та - бличке с техническими данными размещенными в котле. Возможные переналадки котла на друг...
Страница 53 - IN; Регулировка минимальной мощности
53 Инструкции по установке 3.19.1 Регулирование газового клапана Регулирование максимальной мощности • Убедиться, что значение давления соответствует значениям (смотри Рабочие характеристики на странице 22 ); • Снять пластмассовый колпачок A , расположенный на бобине модулятора, который защищает рег...
Страница 54 - Испытание котла; Предварительный контроль; Перед проведением испытаний котла следует убедиться в том, что:; Включение и выключение; Правила включения и выключения котла см. в разделе; «Инструкции для пользователя”
54 Испытание котла 4. Испытание котла 4.1 Предварительный контроль Перед проведением испытаний котла следует убедиться в том, что: • газоотводный канал и выступающая часть трубы установлены согласно инструкциям: при включенном котле не должно быть никаких утечек продуктов сгорания через уплотнения ;...
Страница 55 - Техническое обслуживание; ный Центр или к квалифицированному специалисту.; График технического обслуживания; При выполнении первого технического обслуживания проверить:
55 Техническое обслуживание 5. Техническое обслуживание ПРЕДУПРЕЖДЕНИЕ Все операции по техническому обслуживанию и ремонту котла должны проводиться квалифицированным пер - соналом. Для осуществления технического обслуживания и ремонта, производитель советует обращаться в Авторизованный Сервис - ный ...
Страница 56 - Анализ параметров процесса горения
56 Техническое обслуживание 5.2 Анализ параметров процесса горения Контроль параметров процесса горения с целью определения коэффициента полезного действия и объема вредных выбро - сов должен проводиться в соответствии с требованиями норм, действующих в cтpaнe уcтaнoвки.
Страница 57 - Неисправности, их причины и устранение; Таблица технических неисправностей; НЕИСПРАВНОСТИ
57 Неисправности, их причины и устранение 6. Неисправности, их причины и устранение 6.1 Таблица технических неисправностей # НЕИСПРАВНОСТИ ВОЗМОЖНАЯ ПРИЧИНА ДЕЙСТВИЯ ПОЛЬЗОВА - ТЕЛЯ ДЕЙСТВИЯ СЕРВИСНО - ГО ЦЕНТРА E01* Не включается горелка. Отсутствует газ Проверить наличие газа Проверить состояние о...
Страница 60 - ООО «Фондиталь»
ООО «Фондиталь» 399071, Россия, Липецкая обл., Грязинский р-н, с. Казинка, ОЭЗ ППТ «Липецк», зд. 50 www.fondital.com.ru Производитель оставляет за собой право вносить необходимые изменения в конструкцию сво - их изделей без предварительного уведомления (без изменения основных характеристик). Uff. Pu...