Страница 5 - Содержание; Input Alert
i Содержание Введение ...............................................................................................................................................................1 Контактная информация ..................................................................................................
Страница 6 - ii
ii Режим высокого разрешения HiRes ( Модель 87) ....................................................................................... 33 Режим регистрации MIN MAX .......................................................................................................................... 34 Режим сгл...
Страница 7 - iii; Перечень
iii Перечень таблиц Таблица 1. Электрические обозначения .............................................................................................................5 Таблица 2. Входы ......................................................................................................................
Страница 11 - Введение
1 80 Серия V Руководство по эксплуатации Введение Предупреждение Перед использованием мультиметра ознакомьтесь с " Информацией по технике безопасности ". Если не указано иное , описания и инструкции , содержащиеся в настоящем руководстве , относятся к мультиметрам серии V моделей 83 и 87 ( д...
Страница 12 - Информация
2 Информация о безопасности Информация о безопасности Прибор соответствует требованиям : • EN61010-1:2001 • ANSI/ISA S82.01-2004 • CAN/CSA C22.2 No. 1010.1:2004 • UL610101-1 • Категория измерений III, 1000 В , степень загрязнений 2 • Категория измерений IV, 600 В , степень загрязнений 2 В тексте дан...
Страница 14 - Осторожно
4 Информация о безопасности Осторожно Во избежание повреждения прибора или проверяемого оборудования соблюдайте следующие правила : • Перед измерением сопротивления , электропроводности , емкости , а также проверкой диодов , необходимо обесточить цепь и разрядить высоковольтные конденсаторы . • Пере...
Страница 15 - Таблица
5 80 Серия V Руководство по эксплуатации Таблица 1. Электрические обозначения AC ( переменный ток ) Заземление DC ( постоянный ток ) Предохранитель Опасное напряжение Соответствие требованиям директив Европейского союза . Опасность . Важная информация . См . руководство . Соответствие требованиям ди...
Страница 16 - Функции
6 Функции прибора Функции прибора В таблицах 2 – 5 представлено краткое описание функций прибора . Таблица 2. Входы Клемма Описание А Вход для измерений силы тока в диапазоне 0 А – 10,00 А ( перегрузка 20 А в течение максимум 30 с ), частоты тока и коэффициента заполнения . mA μ A Вход для измерений...
Страница 21 - Trig
11 80 Серия V Руководство по эксплуатации aom1_af.eps Рисунок 1. Функции дисплея ( модель 87) Таблица 5. Функции дисплея Номер Функция Индикация + Индикатор полярности аналоговой гистограммы . 1 Trig + Индикатор положительной / отрицательной крутизны запускающего сигнала для запуска измерения Гц / к...
Страница 22 - HOLD; Peak Min Max
12 Функции прибора Номер Функция Индикация 4 Включена функция сглаживания . 5 {symb} Обозначает отрицательные значения . В относительном режиме данный знак означает , что текущее значение сигнала на входе меньше сохраненного эталонного значения . 6 - Означает наличие на входе высоковольтного сигнала...
Страница 23 - Номер; nS
13 80 Серия V Руководство по эксплуатации Номер Функция Индикация 13 A, μ A, Ma V, mV μ F, nF nS % Ω , M Ω , k Ω Hz, kHz AC DC Ампер ( А ), микроампер ( мкА ), миллиампер ( мА ) Вольт ( В ), милливольт ( мВ ) Микрофарад ( мкФ ), нанофарад ( нФ ) Наносименс ( нСм ) Процентов . Используется при измере...
Страница 25 - Выполнение
15 80 Серия V Руководство по эксплуатации Функции Power-Up Удержанием кнопки включения прибора активируется функция power-up. См . таблицу 4. Автоматическое отключение питания Питание прибора автоматически отключается , если поворотный переключатель или кнопки устройства не используются в течение 30...
Страница 27 - Рисунок
17 80 Серия V Руководство по эксплуатации Реакция на нулевой сигнал на входе прибора при измерении истинных среднеквадратичных значений (87) Приборы измерения истинных среднеквадратичных значе - ний обеспечивают точное измерение параметров искажен - ных форм колебаний , однако , если измерительные п...
Страница 28 - Измерение; COM; Проверка
18 Выполнение измерений Измерение температуры (87) Прибор измеряет температуру термопары типа К (type-K) ( в комплекте ). Выбор шкалы – по Цельсию (°C)/ Фарен - гейту (°F) – осуществляется нажатием кнопки . Осторожно Во избежание повреждения прибора или другого оборудования помните , что несмотря на...
Страница 29 - ВКЛ
19 80 Серия V Руководство по эксплуатации Для проверки цепи необходимо обесточить цепь . aom4f.eps Рисунок 4. Проверка электропроводности Включает зуммер электропровод ВКЛ ( замкнуто ) ВКЛ ( замкнуто )
Страница 33 - Серия
23 80 Серия V Руководство по эксплуатации Измерение емкости Осторожно Во избежание повреждения прибора или проверяемого оборудования необходимо перед измерением емкости обесточить цепь и разрядить все высоковольтные конденсаторы . Чтобы убедиться в том , что конденсаторы разряжены , используйте функ...
Страница 34 - Тестирование
24 Выполнение измерений Тестирование диодов Внимание Во избежание повреждения измерительного прибора или тестируемого оборудования необходимо перед тестированием диодов отключить питание цепей и разрядить все высоковольтные конденсаторы . Режим проверки диодов используется для тестирования диодов , ...
Страница 36 - Предупреждение
26 Выполнение измерений Измерение силы постоянного или переменного тока Предупреждение Во избежание угрозы электрического удара или поражения персонала , никогда не проводите измерений тока в цепях при условии , что напряжение разомкнутой цепи по отношению к заземлению превышает 1000 В . Это может п...
Страница 37 - ВЫКЛ
27 80 Серия V Руководство по эксплуатации aom7f.eps Рисунок 8. Измерение тока Питание цепи : ВЫКЛ при подсоединении прибора ВКЛ при измерении ВЫКЛ при отсоединении прибора Общий ток в цепи Ток через один компонент
Страница 41 - Hz
31 80 Серия V Руководство по эксплуатации Измерение коэффициента заполнения ( импульсной последовательности ) Коэффициент заполнения ( коэффициент заполнения периода импульса ) - это процент времени , в течение которого сигнал находится выше или ниже уровня срабатывания в течение одного периода ( Ри...
Страница 42 - Определение; Гистограмма
32 Гистограмма Определение длительности импульса Для периодических волновых сигналов ( их форма повторяется через равные промежутки времени ) вы можете определить количество времени , в течение которого сигнал имеет высокий или низкий уровень , следующим образом : 1. Измерьте частоту сигнала . 2. Вт...
Страница 43 - Режим
33 80 Серия V Руководство по эксплуатации Режим масштабирования ( опция только при включении питания ) Для использования масштабированной измерительной гистограммы : 1. При включении измерительного прибора нажмите и удерживайте . На дисплее появится " ". 2. Выберите режим относительного масш...
Страница 46 - AutoHOLD
36 Режим опорных измерений Режим AutoHOLD ( автоматический захват ) Предупреждение Во избежание возможного электрического удара или нанесения травмы персоналу , не используйте режим AutoHOLD для определения того факта , что цепь обесточена . Режим AutoHOLD не будет захватывать нестабильные или зашум...
Страница 47 - Обслуживание; Руководстве; Общий
37 80 Серия V Руководство по эксплуатации Обслуживание Предупреждение Во избежание возможного электрического удара или нанесения травмы персоналу , ремонт и обслуживание , не описанные в данном руководстве , должны осуществляться только квалифицированным персоналом согласно указаний , изложенных в Р...
Страница 48 - Замена; NEDA; OFF
38 Обслуживание Замена батареи Замену батареи производить батареей 9 В ( типа NEDA A1604, 6F22, или 006P). Предупреждение Во избежание неправильных показаний , которые могут повлечь за собой опасность электрического удара или нанесения травмы персоналу , заменяйте батарею , как только на дисплее поя...
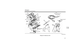
Страница 51 - Fluke
41 80 Серия V Руководство по эксплуатации Таблица 8. Запасные части Позиция Описание Кол . Код заказа Fluke или номер модели BT1 Батарея , 9 В V 1 2139179 BT2 Кабельный жгут , 9 В аккумуляторная батарея 1 2064217 F 1 Предохранитель , 0.440 A, 1000 В , быстрого срабатывания 1 943121 F 2 Предохранител...
Страница 54 - TPAK
44 Обслуживание и запасные части Таблица 9. Принадлежности Позиция Описание AC72 Зажимы типа " крокодил " для использования с набором измерительных проводов TL75 AC220 Безопасный зажим типа " крокодил " с широкой вилкой TPAK Магнитный подвес ToolPak H87 Чехол , желтый C25 Сумка для п...
Страница 55 - Технические
45 80 Серия V Руководство по эксплуатации Технические характеристики Максимальное напряжение между любой клеммой и заземлением : 1000 В среднеквадратичного значения Защитный предохранитель для входов mA или μ A: 44/100 A, 1000 В , быстрого срабатывания Защитный предохранитель для входа A: 11 A, 1000...
Страница 56 - Подробные
46 Технические характеристики Подробные технические характеристики Для всех подробных характеристик : Точность приведена как ±([% показаний ] + [ количество последних значащих цифр ]) при 18° C до 28° C, относительной влажности до 90 %, в течение одного года после поверки . Для модели 87 в режиме 4 ...
Страница 61 - Функция
51 Технические характеристики Таблица 14. Характеристики функции измерения тока Точность Функция Диапазон Разрешение Модель 83 1 Модель 87 2,3 Провал напряжения ( обычно ) ( от 45 Гц до 2 кГц ) 60.00 мА 400.0 мА 6 6.000 A 10.00 A 4 0.01 мА 0.1 мА 0.001 A 0.01 A ± (1.2 % + 2) 5 ± (1.2 % + 2) 5 ± (1.2...