Эван UNIVERSAL - 96 - инструкции и руководства
Котел Эван UNIVERSAL - 96 - инструкции пользователя по применению, эксплуатации и установке на русском языке читайте онлайн в формате pdf
Инструкции:
Инструкция по эксплуатации Эван UNIVERSAL - 96
1
2
3
4
5
6
7
8
9
10
11
12
13
14
15
16
17
18
19
20
21
22
23
24
25
26
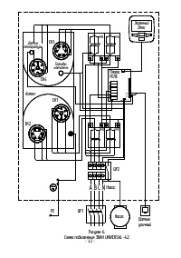
27
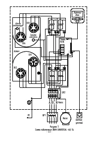
28
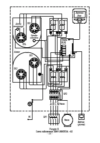
29
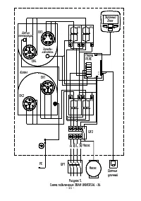
30
31
32
33
34
35
36
Эван Котлы Инструкции
-
Эван Warmos-TT-18
Инструкция по эксплуатации
-
Эван Warmos-TT-25
Инструкция по эксплуатации
-
Эван Warmos TК-12
Инструкция по эксплуатации
-
Эван Warmos TК-9
Инструкция по эксплуатации
-
Эван NEXT- 7
Инструкция по эксплуатации
-
Эван NEXT-12
Инструкция по эксплуатации
-
Эван NEXT- 5
Инструкция по эксплуатации
-
Эван NEXT- 3
Инструкция по эксплуатации
-
Эван NEXT-14
Инструкция по эксплуатации
-
Эван Warmos Start - 9
Инструкция по эксплуатации
-
Эван NEXT- 9
Инструкция по эксплуатации
-
Эван PRACTIC-7
Инструкция по эксплуатации
-
Эван Warmos Start - 12
Инструкция по эксплуатации
-
Эван PRACTIC-3
Инструкция по эксплуатации
-
Эван PRACTIC-18
Инструкция по эксплуатации
-
Эван PRACTIC-14
Инструкция по эксплуатации
-
Эван PRACTIC-5
Инструкция по эксплуатации
-
Эван Warmos Start - 5
Инструкция по эксплуатации
-
Эван ЭПО-228
Инструкция по эксплуатации
-
Эван ЭПО-420
Инструкция по эксплуатации