Страница 6 - экранный блок
4.2 Внешний вид прибора представлен на рис. 1. Рисунок 1. Внешний вид прибора. 1 — кожух, 2 — экранный блок , 3 — клипсы крепежные, 4 — саморезы. Для подключения прибора и ремонтно - профилактических работ необходи- мо снять кожух. Для этого следует утопить надавливанием до щелчка центральные части ...
Страница 7 - A B C N; Рисунок 2
4.3 Вид прибора со снятым кожухом показан на рисунке 2. Прибор состоит из: - задней панели (11) с установленными на ней котлом (1) и блоком управле- ния нагрузкой (5) ; - котла в теплоизоляции с входным (2) и выходным (3) патрубками G 11/4 с установленными блоками трубчатых электронагревателей (БТЭН...
Страница 8 - Начальный вид дисплея экранного блока; Escape; Требования безопасности
4.4 Внешний вид экранного блока показан на рис. 3 Рисунок 3. Начальный вид дисплея экранного блока . Экранный блок содержит графически - цифровой дисплей, сигнальный све- тодиод переменной цветности (нормальная работа — зеленый, несоответствующий режим — красный) и 4 клавиши. Левая клавиша соответст...
Страница 11 - Рисунок 4; Установка запорной арматуры на трубопроводе, соединяющем расши-
При этом максимальный уровень теплоносителя не должен превышать 30 метров от уровня прибора (рабочее давление в котле не выше 0,3 МПа). В системе отопления необходимо использовать циркуляционный насос, установленный в соот- ветствии с рисунком 2. При этом мощность насоса, подключеного к зажимам приб...
Страница 12 - согласно ПУЭ и ППБ
6.1.8 Давление опрессовки системы отопления с котлом после монтажа - не более 0,4 МПа. 6.1.9 Прибор должен быть смонтирован в вертикальном положении (вы- ходной патрубок - вверху) на стенах и сооружениях, в хорошо освещенных помеще- ниях. Так как при переключения ступеней мощности обеспечиваются сра...
Страница 20 - Верхняя
6.2 Заполнение отопительной системы 6.2.1 Основной тип теплоносителя ― вода, соответствующая требовани- ям СанПиН 2.1.4.1074. Предпочтительнее использовать более чистую воду ― котло- вой конденсат, дистиллированную или деионированную. Допустимо использовать незамерзающую жидкость, сертифицированную ...
Страница 26 - Выбор языка
7.2.9.2 Нажав ПК (ОК) входим в меню Язык . ( Экран Выбор языка ) 7.2.9.3 Нажимая ВК - НК производим выбор языка ото- бражения информации . Возможные варианты: Русский, шведский, финский и английский 7.2.9.4 После выбора языка нажатием ПК (ОК) возвраща- емся в Меню обслуживания с сохранением языка. 7...
Страница 27 - Техническое обслуживание
7.2.9.12 Нажимая ВК и НК выбираем требуемое разрешенное количество ступеней мощности (0- 7 ступеней ). Мощность каждой ступени для конкретного прибора указана в таблице 3. 7.2.9.13 Для подтвержде- ния выбора нажимаем ПК (ОК) и возвращаемся в меню Ограничение мощности . 7.2.9.14 Последовательно нажим...
Страница 28 - Правила хранения и транспортирования
8.4 Срок службы прибора, установленный изготовителем, 5 лет от даты подключения, если подключение произведено не позднее 3 - х месяцев от даты про- дажи прибора. По истечении срока службы необходимо вызвать специалиста сервисного центра, который проводит освидетельствование прибора и определяет возм...
Страница 29 - 0 Возможные неисправности и методы их устранения; Возможная; 1 Гарантии изготовителя
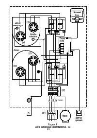
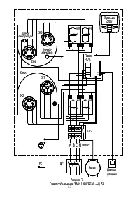
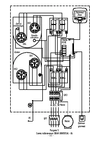
10 Возможные неисправности и методы их устранения Возможная неисправность Вероятная причина Метод устранения Прибор не включа- ется Неправильное подключе- ние прибора к электриче- ской сети Проверить правильность под- ключения прибора в соответ- ствии с рисунками 5-11. Обра- тить особое внимание на ...
Страница 34 - UNIVERSAL
12 Сведения о сертификации Сертификат соответствия: Регистрационный № ТС RU С - RU.АЛ 32 .В0 7175, выдан органом по сертификации ООО Центр “ ПрофЭкс”, срок действия с 30.10.2015 г. по 29.10.2020 г. Соответствует требованиям: ТР ТС 004/2011 «О безопасности низковольтного оборудования»; ТР ТС 020/2011...