Страница 2 - DUPLEX; RUS
РУКОВОДСТВО ПО ЭКСПЛУАТАЦИИ ESE 1006 SG-GT DUPLEX КОД ТОВАРА : 113160 ESE 1006 В SG-GT ES DUPLEX КОД ТОВАРА : 113161 ESE 1306 SG-GT DUPLEX КОД ТОВАРА : 113158 ESE 1506 SG-GT ES DUPLEX КОД ТОВАРА : 113159 DUPLEX p lus - LINE RUS
Страница 4 - Дополнительные
К этой инструкции Дата выпуска : Июль 2009 3 Содержание 1 К этой инструкции ..............................................................................................7 1.1 Дополнительные документы ........................................................................ 7 1.2 Используемые знаки и...
Страница 6 - Список
К этой инструкции Дата выпуска : Июль 2009 5 Список иллюстрации Рис . 2-1: Обозначения на электростанции ...................... 17 Рис . 3-1: Виды электростанции ........................................ 24 Рис . 3-2: Компоненты со стороны мотора и панеля управления .....................................
Страница 7 - Общее
К этой инструкции 6 Дата выпуска : Июль 2009 Общее указание Иллюстрации в этом руководстве по эксплуатации не соответствуют во всех детайлях , в частности , в окрашивании , фактическому исполнению и имеют принципиальный характер . Мы принципиально оставляем за собой право на любые изменение согласно...
Страница 8 - этой
К этой инструкции Другие документы и материалы Дата выпуска : Июль 2009 7 1 К этой инструкции Перед использованием генератора обязательно прочтите данное руководство . Это руководство ознакомит Вас с основами эксплуатации генератора . Это руководство содержит необходимые указания по правильному и бе...
Страница 9 - Общие
К этой инструкции Используемые знаки и символы 8 Дата выпуска : Июль 2009 1.2.1 Общие обозначения и символы Пояснение Пояснение кратко описывает содержание следующего раздела . Примечание разъясняет , как наиболее эффективно или удобно использовать руководство и сам прибор . 1. Шаги действия 2. … 3....
Страница 10 - Знаки
К этой инструкции Другие документы и материалы Дата выпуска : Июль 2009 9 1.2.2 Знаки безопасности Защитный знак нагладно показывает источник опасности . Защитные знаки в участке работы машины / устройства и всей технической документации соответствуют директиве ЕЭС 92 / 58 / ЕЭС - минимальные инстру...
Страница 12 - Использование
Общие указания по безопасности Дата выпуска : Июль 2009 11 2 Общие указания по безопасности Этот раздел ознакомит Вас с общими положениями по безопасности при пользовании генератором . Всем , кто обслуживает генератор и работает с ним , необходимо ознакомиться с этим разделом и действовать согласно ...
Страница 13 - Нецелесообразное
Общие указания по безопасности 12 Дата выпуска : Июль 2009 руководстве , влекут за собой потерю права на гарантийное обслуживание производителем . 2.1.2 Нецелесообразное или неквалифицированное обращение Нецелесообразное или неквалифицированное обращение с генератором влечёт за собой потерю гарантии...
Страница 14 - Остаточный
Общие указания по безопасности Дата выпуска : Июль 2009 13 2.1.3 Остаточный риск Перед началом проектирования генераторов ESE 1006 / 136 / 1506 (D)SG-GT (ES) Duplex на основании анализа были рассчитаны факторы остаточного риска согласному DIN 1050. Факторами остаточного риска на протяжении всего сро...
Страница 22 - ранспортировка
Общие указания по безопасности Дата выпуска : Июль 2009 21 Употребление алкоголя , наркотиков , медикаментов или других формирующих или изменяющих сознание средств запрещено . Уполномоченный персонал должен знать составные части электростанции и их функция и могут управлять . Генератор разрешается т...
Страница 24 - Охрана
Общие указания по безопасности Дата выпуска : Июль 2009 23 Сдавайте упаковочный материал в переработку согласно действующим предписаниям об охране окружающей среды . Не допускайте загрязнения места работы горюче - смазочными материалами . Сдавайте остатки горюче - смазочных материалов в переработку ...
Страница 25 - Электростанция; Основные
Электростанция ESE 1006 / 1306 / 1506 (D)SG-GT ES Duplex 24 Дата выпуска : Июль 2009 3 Электростанция ESE 1006 / 1306 / 1506 (D)SG- GT ES Duplex Этот раздел описывает устройство и элементы управления генератора . 3.1 Основные компоненты ESE 1006 / 1306 / 1506 (D)SG-GT ES Duplex Основные компоненты р...
Страница 27 - Компоненты
Электростанция ESE 1006 / 1306 / 1506 (D)SG-GT ES Duplex 26 Дата выпуска : Июль 2009 3.1.2 Компоненты со стороны выхлопа и генератора Рис . 3-3: Компоненты со стороны выхлопа и генератора 1 Генератор 5 Масланный фильтр 2 Аккумуляторная батарея 6 Рукоятки 3 Ящик приема батарей 7 Амортизаторы вибрации...
Страница 29 - Система
Электростанция ESE 1006 / 1306 / 1506 (D)SG-GT ES Duplex 28 Дата выпуска : Июль 2009 3.1.3.1 EcoTronic ( Система автосброса оборотов ) рис . 3-5: EcoTronic ( Система автосброса оборотов ) 1 Переключатель для ECOtronic 2 Предохранитель ECOtronic
Страница 30 - Комплект
Электростанция ESE 1006 / 1306 / 1506 (D)SG-GT ES Duplex Дата выпуска : Июль 2009 29 3.1.3.2 Комплект колёс / приспособление погрузки краном ( Поставляемые принадлежности ) Рис . 3-6: Комплект колёс / приспособление погрузки краном
Страница 31 - Функция
Электростанция ESE 1006 / 1306 / 1506 (D)SG-GT ES Duplex 30 Дата выпуска : Июль 2009 3.2 Функция и принцип работы Генератор жёстко связан в валом моторного привода . Моторный блок установлен на прочной раме с кожухом и имеет амортизирующую подвеску для уменшения вибрации . Напряжение подаётся на ста...
Страница 33 - Ввод; Переноска; ОСТОРОЖЕНО
Ввод в эксплуатацию ESE 1006 / 1306 / 1506 (D)SG-GT ES Duplex 32 Дата выпуска : Июль 2009 4 Ввод в эксплуатацию ESE 1006 / 1306 / 1506 (D)SG-GT ES Duplex Этот раздел описывает использование генератора . 4. 1 Переноска электростанции Переносите генератор следующим образом . Необходимо соблюдать следу...
Страница 35 - Установка; ВНИМАНИЕ; Заправка; ОСТОРОЖНО
Ввод в эксплуатацию ESE 1006 / 1306 / 1506 (D)SG-GT ES Duplex 34 Дата выпуска : Июль 2009 4. 2 Установка электростанции Устанавливайте генератор следующим образом . Необходимо соблюдать следующие условия : • Выберите ровную и прочную поверхность вне закрытых помещений • Выберите место вдали от горюч...
Страница 37 - Запуск; weisquelle konnte nicht gefunden werden.
Ввод в эксплуатацию ESE 1006 / 1306 / 1506 (D)SG-GT ES Duplex 36 Дата выпуска : Июль 2009 4. 4 Запуск электростанции Запускайте генератор следующим образом . Необходимо соблюдать следующие условия : • Обеспечить электробезопасность ( см . Fehler! Ver- weisquelle konnte nicht gefunden werden. ) • Зап...
Страница 38 - Электрозапуск
Ввод в эксплуатацию ESE 1006 / 1306 / 1506 (D)SG-GT ES Duplex Дата выпуска : Июль 2009 37 Запуск мотора : Рис . 4-2: Запуск мотора ( Электростартером ) 1. Поворачивать ключ выключателя двигателя ( см . вверх ) на пим . 3 секунд в право . 9 Двигатель запущен . 2. Отпустите ключ . 9 Двигатель работает...
Страница 39 - Выключение; Подключение
Ввод в эксплуатацию ESE 1006 / 1306 / 1506 (D)SG-GT ES Duplex 38 Дата выпуска : Июль 2009 4. 5 Выключение электростанции Выключайте генератор следующим образом . ОСТОРОЖЕНО ! Горячие части прибора могут воспламенить горючие или взрывчатые вещества . • Остерегайтесь горючих материалов вблизи генерато...
Страница 40 - Внимание; Консервирование
Ввод в эксплуатацию ESE 1006 / 1306 / 1506 (D)SG-GT ES Duplex Дата выпуска : Июль 2009 39 Потребители подключаются через обычные ный или CEE разъём переменного тока 230 В или 400 В . Рис . 4-2: Подключение потребителей Внимание : Только допущенные штекера используют ! 4. 7 Консервирование электроста...
Страница 41 - EcoTronic
Ввод в эксплуатацию ESE 1006 / 1306 / 1506 (D)SG-GT ES Duplex 40 Дата выпуска : Июль 2009 Рис . 4-3: ECOtronic подключать Таким образом Вы подключаете система автосброса оборотов в режиме холостого хода электростанции : 1. 1. Кулисный переключатель ( рис . 4-4) приводят в положении „I“.. 9 Оседание ...
Страница 43 - Обслуживание; План
Обслуживание ESE 1006 / 1306 / 1506 (D)SG-GT ES Duplex 42 Дата выпуска : Июль 2009 5 Обслуживание ESE 1006 / 1306 / 1506 (D)SG- GT ES Duplex Этот раздел описывает техническое обслуживание генератора . Работы , не описанные в этом разделе , может проводить только персонал производителя . 5.1 План тех...
Страница 44 - Работы; ENDRESS; торное; Mo
Обслуживание ESE 1006 / 1306 / 1506 (D)SG-GT ES Duplex Дата выпуска : Июль 2009 43 5.2 Работы по техобслуживанию Техническое обслуживание могут проводить только квалифицированные для этого лица . Проводите все работы , перечисленные в плане обслуживания , согласно указаниям в руководстве по использо...
Страница 48 - Замен
Обслуживание ESE 1006 / 1306 / 1506 (D)SG-GT ES Duplex Дата выпуска : Июль 2009 47 5.2.2 Замен аккумуляторной батарей Рис . 5-3: Замена батарея 1. Снимают винтики (3) 2. Отвинчивают кабли батареи . Для этого снимают защитные шапки и снимают гайки . Всегда снимают сначала кабель в отрицательном полюс...
Страница 49 - Проверка
Обслуживание ESE 1006 / 1306 / 1506 (D)SG-GT ES Duplex 48 Дата выпуска : Июль 2009 ОСТОРОЖЕНО ! При позарядке батарей образуется высоковзрывчатая смесь . • Запрещается огни , искры , открытый свет и курение . • Избегают искрообразования при обращении с кабелями и электрическими устройствами , а такж...
Страница 53 - ехнические
Запчасти 52 Дата выпуска : Июль 2009 7 T ехнические данные В этом разделе приведены технические характеристики генератора . Рис . 7-1: Габариты электростанции (1006/1306/1506 (D-)SG-GT ES Duplex)
Страница 54 - Технические
T ехнические данные Дата выпуска : Июль 2009 53 Обозначение еденица ESE 1006 SG- GT ES Duplex ESE 1006 SG- GT ES Duplex ESE 1306 DSG- GT ES Duplex ESE 1506 DSG- GT ES Duplex Ном . мощность 10,0 1~ 10,0 3~ 6,0 1~ 12,0 3~ 7,0 1~ 15,0 3~ 7,0 1~ [ кВА ] Коэфф . мощности , Cos φ 0,9 1~ 0,8 3~ 0,9 1~ 0,8 ...
Страница 60 - Обзор
Запчасти Дата выпуска : Июль 2009 59 9 Запчасти Зтот раздел описывается запчасти необходимые для данных электростанции . 9.1 Обзор Электростанция разделен на эти группы компонентов : • Кожух / Мотор • Генератор / Электроника • Наклейки 9.2 Кожух Рис . 9-1: Запчасти со стороны выхлопа и генератора
Страница 62 - Генератор
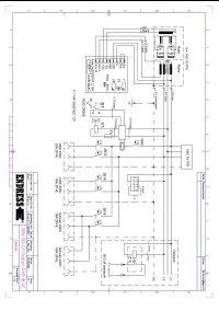
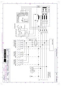
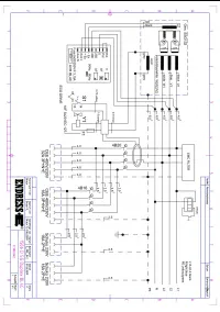
Запчасти Дата выпуска : Июль 2009 61 9.3 Генератор / Электроника Рис . 9-2: Запчасти ящика электроники Позиция Артикул Кол - во Обозначение 310 E100039 2 Розетка с заземл . контактом ( для всех моделей ) Силовые отключатели для ESE 1006 SG-GT S Duplex E130177 2 Силовой отключатель 2B16 E131914 1 Сил...
Страница 64 - Гарантия; Декларация
Гарантия / Техобслуживание Дата выпуска : Июль 2009 63 10 Гарантия / Техобслуживание Уважаемый клиент , все продукты ENDRESS проходят тщательную проверку нашего товароконтроля . Срок гарантии : действуют постановления о гарантийном сроке соответствующей страны , начиная с дня покупки прибора . О сро...