Elitech ТП 15ЕКТ - инструкции и руководства

model-name

Обогреватель Elitech ТП 15ЕКТ - инструкции пользователя по применению, эксплуатации и установке на русском языке читайте онлайн в формате pdf

1 Page 1
2 Page 2
3 Page 3
4 Page 4
5 Page 5
6 Page 6
7 Page 7
8 Page 8
9 Page 9
10 Page 10
11 Page 11
12 Page 12
13 Page 13

Краткое содержание

Страница 2 - РУКОВОДСТВО; по; ЭКСПЛУАТАЦИИ ЭЛЕКТРИЧЕСКАЯ ТЕПЛОВАЯ ПУШКА ELITECH; у в а ж а е м ы й; Благодарим Вас за выбор тепловой пушки «ЕЫТЕСН»! Мы рекомендуем Вам; СОДЕРЖАНИЕ

РУКОВОДСТВО по ЭКСПЛУАТАЦИИ ЭЛЕКТРИЧЕСКАЯ ТЕПЛОВАЯ ПУШКА ELITECH м о д е л и : ТП5ЕКТ, ТП9ЕКТ, ТП15ЕКТ, ТП22ЕКТ, ТПЗОЕКТ; у в а ж а е м ы й ПОКУПАТЕЛЬ! Благодарим Вас за выбор тепловой пушки «ЕЫТЕСН»! Мы рекомендуем Вам внимательно ознакомиться с данным руководством и тщательно соблюдать пред­писани...

Страница 3 - ТЕХНИЧЕСКИЕ ХАРАКТЕРИСТИКИ; Таблица 1

1. О Б Щ И Е ТРЕ БО В АН ИЯ 1.1 Перед вводом изделия в эксплуатацию настоятельно рекомендуем ознакомиться с настоящим Руководством.1.2 Тепловая пушка предназначена для вентиляции и обогрева бытовых, общественных и других помещений. Рабочее положение тепловой пушки - установка на полу. Режим работы -...

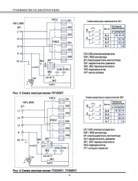
Страница 6 - Ч ELITECH; Модель ТП5ЕКГ

Р У К О В О Д С Т В О по Э К С П Л У А Т А Ц И И П е р е к л ю ч а т е л ь р е ж и м о в Рис. 2 «О» - тепловая пушка выключена «1» - вентиляция без нагрева «2» - вентиляция с включением нагревателей на 14 мощности «3» - вентиляция с включением нагревателей на полную мощность 6. П О Д ГО Т О ВКА К РА...

Elitech Обогреватели Инструкции