Elitech Стандарт ТП 45 Д - Инструкция по эксплуатации

Elitech Стандарт ТП 45 Д

Обогреватель Elitech Стандарт ТП 45 Д - инструкция пользователя по применению, эксплуатации и установке на русском языке. Мы надеемся, она поможет вам решить возникшие у вас вопросы при эксплуатации техники.

Если остались дополнительные вопросы — свяжитесь с нами через контактную форму.

1 Страница 1
2 Страница 2
3 Страница 3
4 Страница 4
5 Страница 5
6 Страница 6
7 Страница 7
8 Страница 8
9 Страница 9
10 Страница 10
11 Страница 11
12 Страница 12
13 Страница 13
14 Страница 14
15 Страница 15
16 Страница 16
17 Страница 17
18 Страница 18
19 Страница 19
20 Страница 20
21 Страница 21
Страница: / 21
Загрузка инструкции

Инструкция
по эксплуатации

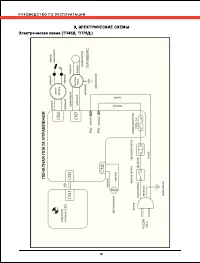
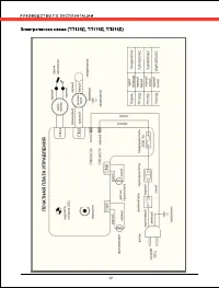
Дизельная тепловая пушка Elitech Стандарт ТП 45 Д

Цены на товар на сайте:

http://www.vseinstrumenti.ru/klimat/teplovye_pushki/dizelnye/elitech/standart_tp_45_d/

Отзывы и обсуждения товара на сайте:

http://www.vseinstrumenti.ru/klimat/teplovye_pushki/dizelnye/elitech/standart_tp_45_d/#tab-Responses

"Загрузка инструкции" означает, что нужно подождать пока файл загрузится и можно будет его читать онлайн. Некоторые инструкции очень большие и время их появления зависит от вашей скорости интернета.

Характеристики

Другие модели - Обогреватели Elitech

Все обогреватели Elitech