Elitech Стандарт ТП 215 Д - инструкции и руководства
Обогреватель Elitech Стандарт ТП 215 Д - инструкции пользователя по применению, эксплуатации и установке на русском языке читайте онлайн в формате pdf
Инструкции:
Инструкция по эксплуатации Elitech Стандарт ТП 215 Д
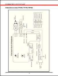
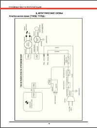
1
2
3
4
5
6
7
8
9
10
11
12
13
14
15
16
17
18
19
20
21
Elitech Обогреватели Инструкции
-
Elitech ТП 12Г
Инструкция по эксплуатации
-
Elitech ТП 15Г
Инструкция по эксплуатации
-
Elitech ТП 30Г
Инструкция по эксплуатации
-
Elitech ТП 44Г
Инструкция по эксплуатации
-
Elitech Премиум ТП 125 ДП
Инструкция по эксплуатации
-
Elitech Премиум ТП 175 ДП
Инструкция по эксплуатации
-
Elitech Премиум ТП 215 ДП
Инструкция по эксплуатации
-
Elitech Премиум ТП 75 ДП
Инструкция по эксплуатации
-
Elitech Стандарт ТП 125 Д
Инструкция по эксплуатации
-
Elitech Стандарт ТП 175 Д
Инструкция по эксплуатации
-
Elitech Стандарт ТП 45 Д
Инструкция по эксплуатации
-
Elitech Стандарт ТП 75 Д
Инструкция по эксплуатации
-
Elitech ТП 4ГИ
Инструкция по эксплуатации
-
Elitech ТП 30ДН
Инструкция по эксплуатации
-
Elitech ТП 10ГБ
Инструкция по эксплуатации
-
Elitech ТП 15ГБ
Инструкция по эксплуатации
-
Elitech ТП 50ГБ
Инструкция по эксплуатации
-
Elitech 380В, 9000-15000Вт ТВ 15ЕКТ
Инструкция по эксплуатации
-
Elitech ТВ 24ЕКТ
Инструкция по эксплуатации
-
Elitech ТВ 24ЕТ
Инструкция по эксплуатации