Elemax SH 3200 EX R - инструкции и руководства
Генератор Elemax SH 3200 EX R - инструкции пользователя по применению, эксплуатации и установке на русском языке читайте онлайн в формате pdf
Инструкции:
Инструкция по эксплуатации Elemax SH 3200 EX R
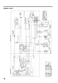
1
2
3
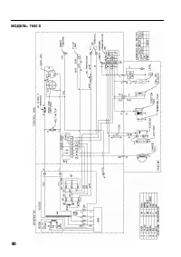
4
5
6
7
8
9
10
11
12
13
14
15
16
17
18
19
20
21
22
23
24
25
26
27
28
29
30
31
32
33
34
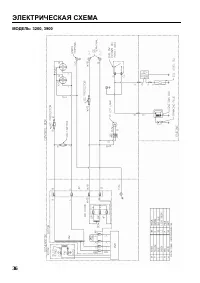
35
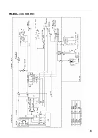
36
37
38
39
40
41
42
43
44
45
Elemax Генераторы Инструкции
-
Elemax SHX2000 R
Инструкция по эксплуатации
-
Elemax SHX1000 R
Инструкция по эксплуатации
-
Elemax SHT15D R
Инструкция по эксплуатации
-
Elemax SHT 11500 R
Инструкция по эксплуатации
-
Elemax SH7000ATS
Инструкция по эксплуатации
-
Elemax SH15D R
Инструкция по эксплуатации
-
Elemax SH 7600 EX RS
Инструкция по эксплуатации
-
Elemax SH 7600 EX R
Инструкция по эксплуатации
-
Elemax SH 6500 EX RS
Инструкция по эксплуатации
-
Elemax SH 6500 EX R
Инструкция по эксплуатации
-
Elemax SH 5300 EX R
Инструкция по эксплуатации
-
Elemax SH 4600 EX R
Инструкция по эксплуатации
-
Elemax SH 3900 EX R
Инструкция по эксплуатации
-
Elemax SH 11000 R
Инструкция по эксплуатации