Elemax SH 7600 EX RS - Инструкция по эксплуатации

Elemax SH 7600 EX RS

Генератор Elemax SH 7600 EX RS - инструкция пользователя по применению, эксплуатации и установке на русском языке. Мы надеемся, она поможет вам решить возникшие у вас вопросы при эксплуатации техники.

Если остались дополнительные вопросы — свяжитесь с нами через контактную форму.

1 Страница 1
2 Страница 2
3 Страница 3
4 Страница 4
5 Страница 5
6 Страница 6
7 Страница 7
8 Страница 8
9 Страница 9
10 Страница 10
11 Страница 11
12 Страница 12
13 Страница 13
14 Страница 14
15 Страница 15
16 Страница 16
17 Страница 17
18 Страница 18
19 Страница 19
20 Страница 20
21 Страница 21
22 Страница 22
23 Страница 23
24 Страница 24
25 Страница 25
26 Страница 26
27 Страница 27
28 Страница 28
29 Страница 29
30 Страница 30
31 Страница 31
32 Страница 32
33 Страница 33
34 Страница 34
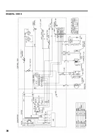
35 Страница 35
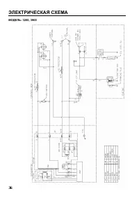
36 Страница 36
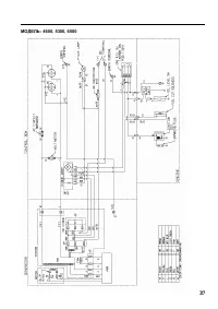
37 Страница 37
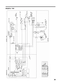
38 Страница 38
39 Страница 39
40 Страница 40
41 Страница 41
42 Страница 42
43 Страница 43
44 Страница 44
45 Страница 45
Страница: / 45
Загрузка инструкции

ЭА

3200

ЭА

3900

ЭА

4600

ЭА

5300

ЭА

6500

ЭА

7600

www

.

elemax

-

energo

.

ru

"Загрузка инструкции" означает, что нужно подождать пока файл загрузится и можно будет его читать онлайн. Некоторые инструкции очень большие и время их появления зависит от вашей скорости интернета.

Характеристики

Другие модели - Генераторы Elemax

Все генераторы Elemax