Ecosoft Absolute 5-50 - инструкции и руководства
Фильтр для воды Ecosoft Absolute 5-50 - инструкции пользователя по применению, эксплуатации и установке на русском языке читайте онлайн в формате pdf
Инструкции:
Инструкция по эксплуатации Ecosoft Absolute 5-50
Краткое содержание
128 129 Данное руководство является интеллектуальной собственностью компании Ecosoft. Копирование и перепечатка запрещены.©2019 РУС 128 128 ИНСТРУКЦИЯ ПО ПОДКЛЮЧЕНИЮ И ЭКСПЛУАТАЦИИ СИСТЕМЫ ОБРАТНОГО ОСМОСА СОДЕРЖАНИЕ 1 Назначение системы 130 2 Характеристики и комплектация 132 2.1 Условные обозначен...
130 Данное руководство является интеллектуальной собственностью компании Ecosoft. Копирование и перепечатка запрещены.©2019 ИНСТРУКЦИЯ ПО ПОДКЛЮЧЕНИЮ И ЭКСПЛУАТАЦИИ СИСТЕМЫ ОБРАТНОГО ОСМОСА 1. НАЗНАЧЕНИЕ СИСТЕМЫ Обратный осмос на сегодняшний день является наиболее совершенной технологией очистки вод...
132 Данное руководство является интеллектуальной собственностью компании Ecosoft. Копирование и перепечатка запрещены.©2019 ИНСТРУКЦИЯ ПО ПОДКЛЮЧЕНИЮ И ЭКСПЛУАТАЦИИ СИСТЕМЫ ОБРАТНОГО ОСМОСА 2. ХАРАКТЕРИСТИКИ И КОМПЛЕКТАЦИЯ 2.1. УСЛОВНЫЕ ОБОЗНАЧЕНИЯ И КОДЫ МОДЕЛЕЙ Модели Модель вашей системы 1 — Тип ...
132 133 Данное руководство является интеллектуальной собственностью компании Ecosoft. Копирование и перепечатка запрещены.©2019 РУС ИНСТРУКЦИЯ ПО ПОДКЛЮЧЕНИЮ И ЭКСПЛУАТАЦИИ СИСТЕМЫ ОБРАТНОГО ОСМОСА 2. ХАРАКТЕРИСТИКИ И КОМПЛЕКТАЦИЯ 2.2. ТЕХНИЧЕСКИЕ ХАРАКТЕРИСТИКИ 2.3. КАЧЕСТВО ВОДЫ 2.3.1. ТРЕБОВАНИЯ ...
136 137 Данное руководство является интеллектуальной собственностью компании Ecosoft. Копирование и перепечатка запрещены.©2019 РУС ИНСТРУКЦИЯ ПО ПОДКЛЮЧЕНИЮ И ЭКСПЛУАТАЦИИ СИСТЕМЫ ОБРАТНОГО ОСМОСА 3. СХЕМЫ ПОДКЛЮЧЕНИЯ 3.1. СХЕМА ПОДКЛЮЧЕНИЯ СИСТЕМЫ В БАЗОВОЙ КОМПЛЕКТАЦИИ Производитель оставляет за ...
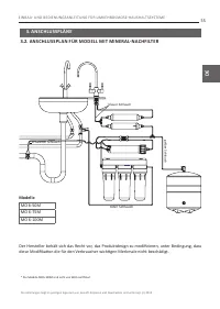
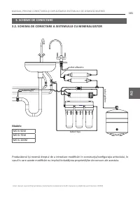
138 Данное руководство является интеллектуальной собственностью компании Ecosoft. Копирование и перепечатка запрещены.©2019 ИНСТРУКЦИЯ ПО ПОДКЛЮЧЕНИЮ И ЭКСПЛУАТАЦИИ СИСТЕМЫ ОБРАТНОГО ОСМОСА 3. СХЕМЫ ПОДКЛЮЧЕНИЯ 3.2. СХЕМА ПОДКЛЮЧЕНИЯ СИСТЕМЫ С МИНЕРАЛИЗАТОРОМ Производитель оставляет за собой право в...
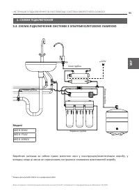
138 139 Данное руководство является интеллектуальной собственностью компании Ecosoft. Копирование и перепечатка запрещены.©2019 РУС ИНСТРУКЦИЯ ПО ПОДКЛЮЧЕНИЮ И ЭКСПЛУАТАЦИИ СИСТЕМЫ ОБРАТНОГО ОСМОСА 3. СХЕМЫ ПОДКЛЮЧЕНИЯ 3.3. СХЕМА ПОДКЛЮЧЕНИЯ СИСТЕМЫ С УЛЬТРАФИОЛЕТОВОЙ ЛАМПОЙ Производитель оставляет ...
140 141 Данное руководство является интеллектуальной собственностью компании Ecosoft. Копирование и перепечатка запрещены.©2019 РУС ИНСТРУКЦИЯ ПО ПОДКЛЮЧЕНИЮ И ЭКСПЛУАТАЦИИ СИСТЕМЫ ОБРАТНОГО ОСМОСА 3. СХЕМЫ ПОДКЛЮЧЕНИЯ 3.5. СХЕМА ПОДКЛЮЧЕНИЯ СИСТЕМЫ С МИНЕРАЛИЗАТОРОМ И ПОМПОЙ Производитель оставляет...
142 143 Данное руководство является интеллектуальной собственностью компании Ecosoft. Копирование и перепечатка запрещены.©2019 РУС 3. СХЕМЫ ПОДКЛЮЧЕНИЯ 3.6Б. СХЕМА ПОДКЛЮЧЕНИЯ СИСТЕМЫ С МИНЕРАЛИЗАТОРОМ И УЛЬТРАФИОЛЕТОВОЙ ЛАМПОЙ С ДВОЙНЫМ КРАНОМ ДЛЯ ОЧИЩЕННОЙ ВОДЫ Производитель оставляет за собой пр...
144 145 Данное руководство является интеллектуальной собственностью компании Ecosoft. Копирование и перепечатка запрещены.©2019 РУС ИНСТРУКЦИЯ ПО ПОДКЛЮЧЕНИЮ И ЭКСПЛУАТАЦИИ СИСТЕМЫ ОБРАТНОГО ОСМОСА 3. СХЕМЫ ПОДКЛЮЧЕНИЯ 3.8А. СХЕМА ПОДКЛЮЧЕНИЯ СИСТЕМЫ С МИНЕРАЛИЗАТОРОМ, УЛЬТРАФИОЛЕТОВОЙ ЛАМПОЙ И ПОМП...
146 Данное руководство является интеллектуальной собственностью компании Ecosoft. Копирование и перепечатка запрещены.©2019 Синяя трубка 3. СХЕМЫ ПОДКЛЮЧЕНИЯ 3.8Б. СХЕМА ПОДКЛЮЧЕНИЯ СИСТЕМЫ С МИНЕРАЛИЗАТОРОМ, УЛЬТРАФИОЛЕТОВОЙ ЛАМПОЙ И ПОМПОЙ С ДВОЙНЫМ КРАНОМ ДЛЯ ОЧИЩЕННОЙ ВОДЫ Производитель оставляе...
146 147 Данное руководство является интеллектуальной собственностью компании Ecosoft. Копирование и перепечатка запрещены.©2019 РУС ИНСТРУКЦИЯ ПО ПОДКЛЮЧЕНИЮ И ЭКСПЛУАТАЦИИ СИСТЕМЫ ОБРАТНОГО ОСМОСА 3. СХЕМЫ ПОДКЛЮЧЕНИЯ 3.9А. СХЕМА ПОДКЛЮЧЕНИЯ СИСТЕМЫ P’URE С ОДИНАРНЫМ КРАНОМ ДЛЯ ОЧИЩЕННОЙ ВОДЫ Произ...
148 149 Данное руководство является интеллектуальной собственностью компании Ecosoft. Копирование и перепечатка запрещены.©2019 РУС ИНСТРУКЦИЯ ПО ПОДКЛЮЧЕНИЮ И ЭКСПЛУАТАЦИИ СИСТЕМЫ ОБРАТНОГО ОСМОСА 3. СХЕМЫ ПОДКЛЮЧЕНИЯ 3.9B. СХЕМА ПОДКЛЮЧЕНИЯ СИСТЕМЫ P’URE AQUACALCIUM Производитель оставляет за собо...
150 Данное руководство является интеллектуальной собственностью компании Ecosoft. Копирование и перепечатка запрещены.©2019 ІНСТРУКЦІЯ З ПІДКЛЮЧЕННЯ ТА ЕКСПЛУАТАЦІЇ СИСТЕМИ ЗВОРОТНОГО ОСМОСУ 3. СХЕМЫ ПОДКЛЮЧЕНИЯ 3.9Г. СХЕМА ПОДКЛЮЧЕНИЯ СИСТЕМЫ P’URE BALANCE Производитель оставляет за собой право вне...
150 151 Данное руководство является интеллектуальной собственностью компании Ecosoft. Копирование и перепечатка запрещены.©2019 РУС 1) Проверьте наличие и соответствие всех комплектующих. Нельзя вскрывать прозрачный пакет, в который упакованы детали, до проверки, так как производитель не принимает п...
152 153 Данное руководство является интеллектуальной собственностью компании Ecosoft. Копирование и перепечатка запрещены.©2019 РУС ИНСТРУКЦИЯ ПО ПОДКЛЮЧЕНИЮ И ЭКСПЛУАТАЦИИ СИСТЕМЫ ОБРАТНОГО ОСМОСА 4. ПОСЛЕДОВАТЕЛЬНОСТЬ ДЕЙСТВИЙ ПРИ МОНТАЖЕ БЫТОВОЙ СИСТЕМЫ ОБРАТНОГО ОСМОСА 7. Подключение крана для о...
154 Данное руководство является интеллектуальной собственностью компании Ecosoft. Копирование и перепечатка запрещены.©2019 ИНСТРУКЦИЯ ПО ПОДКЛЮЧЕНИЮ И ЭКСПЛУАТАЦИИ СИСТЕМЫ ОБРАТНОГО ОСМОСА 4. ПОСЛЕДОВАТЕЛЬНОСТЬ ДЕЙСТВИЙ ПРИ МОНТАЖЕ БЫТОВОЙ СИСТЕМЫ ОБРАТНОГО ОСМОСА 12. Откройте кран подачи воды 5 и ...
154 155 Данное руководство является интеллектуальной собственностью компании Ecosoft. Копирование и перепечатка запрещены.©2019 РУС ИНСТРУКЦИЯ ПО ПОДКЛЮЧЕНИЮ И ЭКСПЛУАТАЦИИ СИСТЕМЫ ОБРАТНОГО ОСМОСА 5. ПОСЛЕДОВАТЕЛЬНОСТЬ ДЕЙСТВИЙ ПОСЛЕ МОНТАЖА ПРОВЕРКА РАБОТЫ СИСТЕМЫ НА СООТВЕТСТВИЕ ТЕХНИЧЕСКИМ ХАРАК...
158 Данное руководство является интеллектуальной собственностью компании Ecosoft. Копирование и перепечатка запрещены.©2019 ИНСТРУКЦИЯ ПО ПОДКЛЮЧЕНИЮ И ЭКСПЛУАТАЦИИ СИСТЕМЫ ОБРАТНОГО ОСМОСА 1. Перекройте кран подачи воды на систему 5 , поверните шаровой кран бака 6 в положение «Закрыто». 2. Откройте...
158 159 Данное руководство является интеллектуальной собственностью компании Ecosoft. Копирование и перепечатка запрещены.©2019 РУС ИНСТРУКЦИЯ ПО ПОДКЛЮЧЕНИЮ И ЭКСПЛУАТАЦИИ СИСТЕМЫ ОБРАТНОГО ОСМОСА 6. ПРАВИЛА ЭКСПЛУАТАЦИИ 1. Перекройте кран подачи воды на систему 5 , поверните шаровой кран бака 6 в ...
160 Данное руководство является интеллектуальной собственностью компании Ecosoft. Копирование и перепечатка запрещены.©2019 ИНСТРУКЦИЯ ПО ПОДКЛЮЧЕНИЮ И ЭКСПЛУАТАЦИИ СИСТЕМЫ ОБРАТНОГО ОСМОСА 6. ПРАВИЛА ЭКСПЛУАТАЦИИ В процессе чистки кожуха запрещается использовать абразивные материалы, поскольку это ...
160 161 Данное руководство является интеллектуальной собственностью компании Ecosoft. Копирование и перепечатка запрещены.©2019 РУС ИНСТРУКЦИЯ ПО ПОДКЛЮЧЕНИЮ И ЭКСПЛУАТАЦИИ СИСТЕМЫ ОБРАТНОГО ОСМОСА 7. ДЕЗИНФЕКЦИЯ СИСТЕМЫ ОБРАТНОГО ОСМОСА Дезинфекцию фильтров питьевой воды рекомендуется проводить пос...
162 163 Данное руководство является интеллектуальной собственностью компании Ecosoft. Копирование и перепечатка запрещены.©2019 РУС ИНСТРУКЦИЯ ПО ПОДКЛЮЧЕНИЮ И ЭКСПЛУАТАЦИИ СИСТЕМЫ ОБРАТНОГО ОСМОСА 7. ДЕЗИНФЕКЦИЯ СИСТЕМЫ ОБРАТНОГО ОСМОСА 1. Перекройте кран подачи воды 5 . 2. Откройте кран для очищен...
164 Данное руководство является интеллектуальной собственностью компании Ecosoft. Копирование и перепечатка запрещены.©2019 ИНСТРУКЦИЯ ПО ПОДКЛЮЧЕНИЮ И ЭКСПЛУАТАЦИИ СИСТЕМЫ ОБРАТНОГО ОСМОСА 6. Отключите трубку, идущую к накопительному баку, от тройника угольного постфильтра и присоедините ее к фитин...
164 165 Данное руководство является интеллектуальной собственностью компании Ecosoft. Копирование и перепечатка запрещены.©2019 РУС ИНСТРУКЦИЯ ПО ПОДКЛЮЧЕНИЮ И ЭКСПЛУАТАЦИИ СИСТЕМЫ ОБРАТНОГО ОСМОСА 8. ВОЗМОЖНЫЕ НЕИСПРАВНОСТИ И СПОСОБЫ ИХ УСТРАНЕНИЯ НЕИСПРАВНОСТЬ ПРИЧИНА КАК УСТРАНИТЬ Протекание воды...
170 Данное руководство является интеллектуальной собственностью компании Ecosoft. Копирование и перепечатка запрещены.©2019 ИНСТРУКЦИЯ ПО ПОДКЛЮЧЕНИЮ И ЭКСПЛУАТАЦИИ СИСТЕМЫ ОБРАТНОГО ОСМОСА 10. БЕЗОПАСНОСТЬ ЗДОРОВЬЯ И ОКРУЖАЮЩЕЙ СРЕДЫ 11. ПРАВИЛА ПОКУПКИ 12. ТРАНСПОРТИРОВКА И ХРАНЕНИЕ 13. ГАРАНТИЙНЫ...
170 171 Данное руководство является интеллектуальной собственностью компании Ecosoft. Копирование и перепечатка запрещены.©2019 РУС ИНСТРУКЦИЯ ПО ПОДКЛЮЧЕНИЮ И ЭКСПЛУАТАЦИИ СИСТЕМЫ ОБРАТНОГО ОСМОСА в эксплуатацию). Гарантийный талон действителен только при наличии правильно указанных: модели, даты п...
172 Данное руководство является интеллектуальной собственностью компании Ecosoft. Копирование и перепечатка запрещены.©2019 ИНСТРУКЦИЯ ПО ПОДКЛЮЧЕНИЮ И ЭКСПЛУАТАЦИИ СИСТЕМЫ ОБРАТНОГО ОСМОСА Дополнительно оплачиваются: • транспортные расходы сервисной службы; • выезд сервисной службы в нерабочее врем...
Ecosoft Фильтры для воды Инструкции
-
Ecosoft BWT PerlaSilk XL
Инструкция по эксплуатации
-
Ecosoft FK1035CABECEMIXC
Инструкция по эксплуатации
-
Ecosoft FK1054CEMIXC
Инструкция по эксплуатации
-
Ecosoft FK1235CABCEMIXC
Инструкция по эксплуатации
-
Ecosoft FPC1054CT
Инструкция по эксплуатации
-
Ecosoft FPV12PECO
Инструкция по эксплуатации
-
Ecosoft P’URECALCIUM
Инструкция по эксплуатации
-
Ecosoft BWT HWS R1
Инструкция по эксплуатации
-
Ecosoft BWT AQA MARIN FLOCKUNGSMITTEL
Инструкция по эксплуатации
-
Ecosoft BWT AQA MARIN PH-MINUS
Инструкция по эксплуатации
-
Ecosoft BWT R1
Инструкция по эксплуатации
-
Ecosoft P'URE Balance
Инструкция по эксплуатации
-
Ecosoft Тест водыSOFT
Инструкция по эксплуатации